Curiosii for ever!: Car repair manuals for everyone.

Pinpoint Test O: The Driver Seat Module (DSM) Does Not Respond To The Scan Tool




Communications Network

Pinpoint Tests

Pinpoint Test O: The Driver Seat Module (DSM) Does Not Respond To The Scan Tool

Refer to Wiring Diagram Set 14, Module Communications Network for schematic and connector information. Diagrams By Number

Refer to Wiring Diagram Set 123, Memory Seats for schematic and connector information. Diagrams By Number

Normal Operation

The Driver Seat Module (DSM) communicates with the scan tool through the Medium Speed Controller Area Network (MS-CAN). Circuits VDB06 (GY/OG) (MS-CAN +) and VDB07 (VT/OG) (MS-CAN -) provide the network connection to the DSM. Voltage for the DSM is provided by circuits SBP12 (GN/RD) and SBB60 (GN/RD). Circuits GD133 (BK) and GD145 (BK/BU) provide ground.

This pinpoint test is intended to diagnose the following:

- Fuse
- Wiring, terminals or connectors
- DSM



PINPOINT TEST O: THE DSM DOES NOT RESPOND TO THE SCAN TOOL

NOTICE: Use the correct probe adapter(s) when making measurements. Failure to use the correct probe adapter(s) may damage the connector.

NOTE: Failure to disconnect the battery when instructed will result in false resistance readings. Refer to Battery.

-------------------------------------------------
O1 CHECK THE DSM VOLTAGE SUPPLY CIRCUITS FOR AN OPEN


- Ignition OFF.
- Disconnect: DSM C3299a.
- Disconnect: DSM C3299b.
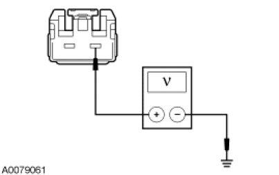
- Measure the voltage between the DSM C3299a-1, circuit SBB60 (GN/RD), harness side and ground.




- Measure the voltage between the DSM C3299b-1, circuit SBP12 (GN/RD), harness side and ground.




- Are the voltages greater than 10 volts?

Yes
GO to O2.

No
VERIFY the Battery Junction Box (BJB) fuse 60 (30A) or the SJB fuse 12 (7.5) are OK. If OK, REPAIR the circuit in question.
If not OK, REFER to the Wiring Diagrams to identify the possible causes of the circuit short. CLEAR the DTCs. REPEAT the network test with the scan tool.

-------------------------------------------------
O2 CHECK THE DSM GROUND CIRCUIT FOR AN OPEN


- Disconnect: Negative Battery Cable.
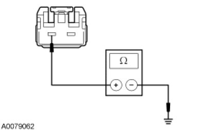
- Measure the resistance between the DSM C3299a-2, circuit GD145 (BK/BU), harness side and ground.




- Measure the resistance between the DSM C3299b-24, circuit GD133 (BK), harness side and ground.




- Are the resistances less than 5 ohms?

Yes
GO to O3.

No
REPAIR the circuit in question. CONNECT the negative battery cable. CLEAR the DTCs. REPEAT the network test with the scan tool.

-------------------------------------------------
O3 CHECK THE MS-CAN CIRCUITS BETWEEN THE DSM AND THE DLC FOR AN OPEN


- Disconnect: DSM C3299d.
- Measure the resistance between the DSM C3299d-10, circuit VDB06 (GY/OG), harness side and the DLC C251-3, circuit VDB06 (GY/OG), harness side.




- Measure the resistance between the DSM C3299d-9, circuit VDB07 (VT/OG), harness side and the DLC C251-11, circuit VDB07 (VT/OG), harness side.




- Are the resistances less than 5 ohms?

Yes
CONNECT the negative battery cable. GO to O4.

No
REPAIR the circuit in question. CONNECT the negative battery cable. CLEAR the DTCs. REPEAT the network test with the scan tool.

-------------------------------------------------
O4 CHECK FOR CORRECT DSM OPERATION


- Disconnect all the DSM connectors.
- Check for:
- corrosion
- damaged pins
- pushed-out pins
- Connect all the DSM connectors and make sure they seat correctly.
- Operate the system and verify the concern is still present.
- Is the concern still present?

Yes
INSTALL a new DSM. REPEAT the network test with the scan tool.

No
The system is operating correctly at this time. The concern may have been caused by a loose or corroded connector. CLEAR the DTCs. REPEAT the network test with the scan tool.

-------------------------------------------------