Curiosii for ever!: Car repair manuals for everyone.

Pinpoint Test G: The Steering Angle Sensor Module (SASM) Does Not Respond To The Scan Tool




Communications Network

Pinpoint Tests

Pinpoint Test G: The Steering Angle Sensor Module (SASM) Does Not Respond To The Scan Tool

Refer to Wiring Diagram Set 14, Module Communications Network for schematic and connector information. Diagrams By Number

Refer to Wiring Diagram Set 42, Vehicle Dynamic Systems for schematic and connector information. Diagrams By Number

Normal Operation

The Steering Angle Sensor Module (SASM) communicates with the scan tool through the High Speed Controller Area Network (HS-CAN). Circuits VDB04 (WH/BU) (HS-CAN +) and VDB05 (WH) (HS-CAN -) provide the network connection to the SASM. Voltage to the SASM is supplied by circuit CBP34 (VT/BN). Ground is supplied by circuit GD115 (BK/GY).

This pinpoint test is intended to diagnose the following:

- Fuse
- Wiring, terminals or connectors
- SASM



PINPOINT TEST G: THE STEERING ANGLE SENSOR MODULE (SASM) DOES NOT RESPOND TO THE SCAN TOOL

NOTICE: Use the correct probe adapter(s) when making measurements. Failure to use the correct probe adapter(s) may damage the connector.

NOTE: Failure to disconnect the battery when instructed will result in false resistance readings. Refer to Battery.

-------------------------------------------------
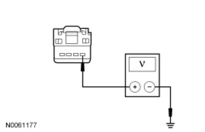
G1 CHECK THE SASM VOLTAGE SUPPLY CIRCUIT FOR AN OPEN


- Ignition OFF.
- Disconnect: SASM C222.
- Ignition ON.
- Measure the voltage between the SASM C222-1, circuit CBP34 (VT/BN), harness side and ground.




- Is the voltage greater than 10 volts?

Yes
GO to G2.

No
VERIFY the Smart Junction Box (SJB) fuse 34 (5A) is OK. If OK, REPAIR the circuit. If not OK, REFER to the Wiring Diagrams to identify the possible causes of the circuit short. CLEAR the
DTCs. REPEAT the network test with the scan tool.

-------------------------------------------------
G2 CHECK THE SASM GROUND CIRCUIT FOR AN OPEN


- Ignition OFF.
- Disconnect: Negative Battery Cable.
- Measure the resistance between the SASM C222-4, circuit GD115 (BK/GY), harness side and ground.




- Is the resistance less than 5 ohms?

Yes
GO to G3.

No
REPAIR the circuit. CONNECT the negative battery cable. CLEAR the DTCs. REPEAT the network test with the scan tool.

-------------------------------------------------
G3 CHECK THE HS-CAN CIRCUITS BETWEEN THE SASM AND THE DLC FOR AN OPEN


- Measure the resistance between the SASM C222-3, circuit VDB04 (WH/BU), harness side and the DLC C251-6, circuit VDB04 (WH/BU), harness side.




- Measure the resistance between the SASM C222-2, circuit VDB05 (WH), harness side and the DLC C251-14, circuit VDB05 (WH), harness side.




- Are the resistances less than 5 ohms?

Yes
CONNECT the negative battery cable. GO to G4.

No
REPAIR the circuit. CONNECT the negative battery cable. CLEAR the DTCs. REPEAT the network test with the scan tool.

-------------------------------------------------
G4 CHECK FOR CORRECT SASM OPERATION


- Disconnect the SASM connector.
- Check for:
- corrosion
- damaged pins
- pushed-out pins
- Connect the SASM connector and make sure it seats correctly.
- Verify the concern is still present.
- Is the concern still present?

Yes
INSTALL a new SASM. CLEAR the DTCs.
REPEAT the network test with the scan tool.

No
The system is operating correctly at this time. The concern may have been caused by a loose or corroded connector. CLEAR the DTCs. REPEAT the network test with the scan tool.

-------------------------------------------------