Curiosii for ever!
: Car repair manuals for everyone.
Home
>>
Lincoln Truck
>>
2009
>>
MKX FWD V6-3.5L
>>
Repair and Diagnosis
>>
Powertrain Management
>>
Computers and Control Systems
>>
Fuel Level Sensor
>>
Service and Repair
>>
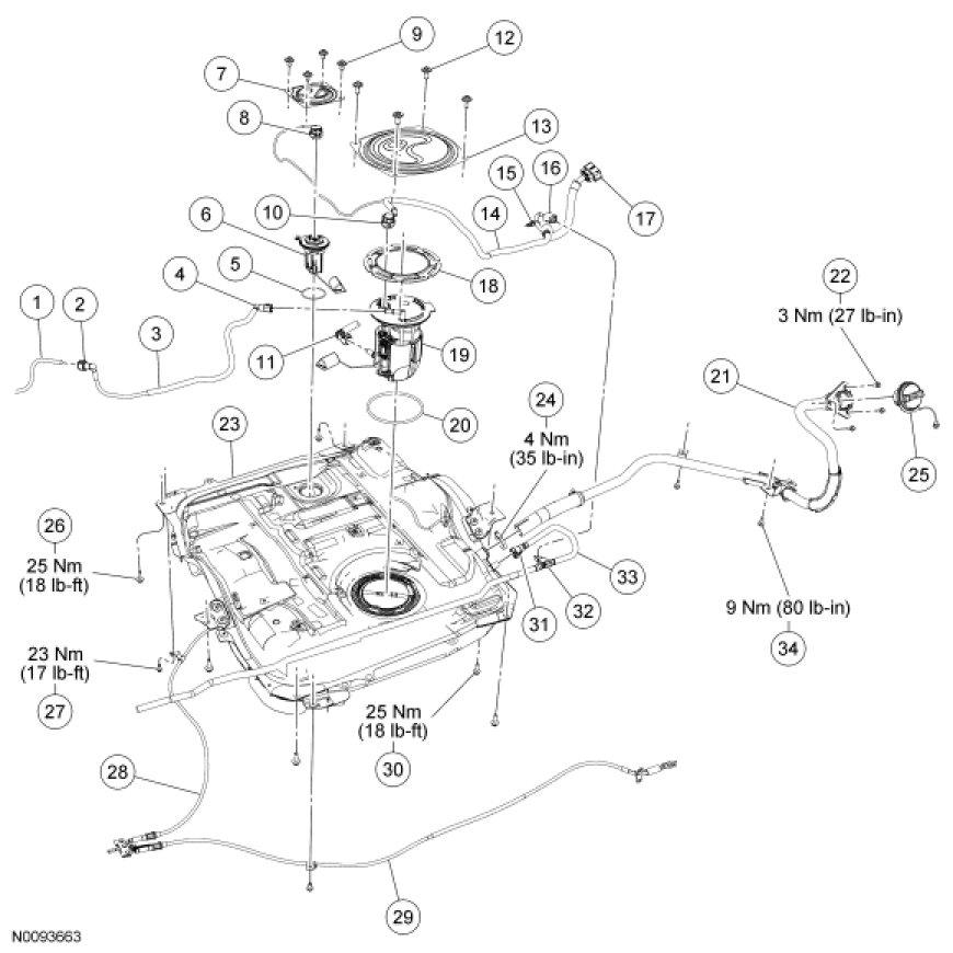
Fuel Tank and Filler Pipe - Exploded View
Fuel Tank and Filler Pipe - Exploded View
Fuel Tank and Filler Pipe - Exploded View
All-Wheel Drive (AWD) Vehicles
Front Wheel Drive (FWD) Vehicles
All Vehicles
1.
For additional information, refer to the procedures.