Curiosii for ever!: Car repair manuals for everyone.

Pinpoint Test K: The Memory Seat Does Not Operate Correctly - Does Not Operate Using The Memory SET Switch




Seats

Pinpoint Tests

Pinpoint Test K: The Memory Seat Does Not Operate Correctly - Does Not Operate Using the Memory SET Switch, MKX

Refer to Wiring Diagram Set 123, Memory Seats for schematic and connector information. Diagrams By Number

Normal Operation

The driver seat control switch is powered by battery voltage on circuit SBP12 (GN/RD) and is supplied ground on circuit GD133 (BK). When pressed, the seat control switch supplies the voltage and ground to the applicable Driver Seat Module (DSM) inputs. The DSM then supplies voltage and ground to the appropriate power seat track motor or power recline motor, based on the inputs received from the seat control switch. When pressed in the opposite direction, the seat control switch reverses the polarity to the DSM inputs, and the DSM likewise reverses polarity of the appropriate power seat track motor or power recliner motor circuits causing the seat or backrest to move in the opposite direction. There are 3 power seat track motors that combine to move the seat horizontally (forward/rearward) and vertically (front up/down and rear up/down). The seat backrest power recliner uses a single motor to move the seat backrest forward and rearward.

Battery voltage is supplied to DSM circuit SBB60 (GN/RD) and SBP12 (GN/RD). Ground is supplied to DSM circuit GD145 (BK/BU).

Each motor in the memory power seat track and power recliner contains a Hall-effect position sensor. The DSM supplies a signal supply circuit to each position sensor and a shared reference signal return circuit. Each position sensor sends a signal voltage back to the DSM used to monitor the position of the power seat and seat backrest. The DSM uses this information to return the seat to a stored pre-programmed position when pressing the memory SET switch or a Remote Keyless Entry (RKE) transmitter. Refer to Principles of Operation or the Owner's Literature for information on programming the DSM for storing memory seat positions. Principles of Operation

The following pinpoint test diagnoses a memory seat that does not operate correctly using the memory SET switch. If the memory seat does not move in all directions using the seat control switch, Go To Pinpoint Test J. Pinpoint Test J: The Memory Seat Is Inoperative/Does Not Operate Correctly - Does Not Operate Horizontally/Vertically/Recline,

B1342-B1965:





This pinpoint test is intended to diagnose the following:
- Wiring, terminals or connectors
- Faulty memory SET switch
- Missing Controller Area Network (CAN) status information (CAN communication message):
- ignition switch status
- gear selector position

- RKE transmitter
- Memory power seat track
- Memory recliner motor
- DSM



PINPOINT TEST K: THE MEMORY SEAT DOES NOT OPERATE CORRECTLY - DOES NOT OPERATE USING THE MEMORY SET SWITCH, MKX

NOTE: The air bag warning indicator illuminates when the correct Restraints Control Module (RCM) fuse is removed and the ignition is ON.

NOTE: The Supplemental Restraint System (SRS) must be fully operational and free of faults before releasing the vehicle to the customer.

NOTE: Verify good battery condition before diagnosing the memory seat system. Poor battery condition may interfere with memory seat operation, even if vehicle starting is possible.

-------------------------------------------------
K1 CHECK THE PCM TRANSMISSION RANGE (TR) PID STATES


- Connect the scan tool.
- Ignition ON.
- Enter the following diagnostic mode on the scan tool: DataLogger - PCM PID: TR.
- Operate the transmission gear selector in all positions while monitoring the PCM PID TR states.
- Do the PID states agree with the selected positions?

Yes
GO to K2.

No
To diagnose a transmission gear selector (PRNDL) status concern, REFER to Transmission Control Systems. Testing and Inspection

-------------------------------------------------
K2 CHECK THE DSM IGNITION SWITCH STATUS (IGN_SW) PID STATES


- Enter the following diagnostic mode on the scan tool: DataLogger - DSM PID: IGN_SW.
- Cycle the ignition switch in all positions while monitoring the DSM IGN_SW PID states.
- Do the PID states agree with the selected positions?

Yes
GO to K3.

No
To diagnose an ignition switch status concern, REFER to Steering Column. Testing and Inspection

-------------------------------------------------
K3 RETRIEVE DSM DTCs


- Operate the memory seat and memory mirrors in all directions through the full range of travel.
- Place the memory seat and memory mirrors in central travel positions.
- Enter the following diagnostic mode on the scan tool: Self Test - Driver Seat Module (DSM).
- Are any DSM DTCs retrieved?

Yes
If DTCs B1952, B1956, B1960 and B1964 are all retrieved, GO to K10.

If DTCs B1953, B1957, B1961 and B1965 are all retrieved, GO to K10.

If DTC B1534, GO to K5.

If DTC B1538, GO to K5.

If DTC B1663, GO to K11.

If DTC B1664, GO to K14.

If DTC B1665, GO to K17.

If DTC B1666, GO to K20.

If DTC B1952, GO to K14.

If DTC B1953, GO to K14.

If DTC B1956, GO to K11.

If DTC B1957, GO to K11.

If DTC B1960, GO to K20.

If DTC B1961, GO to K20.

If DTC B1964, GO to K17.

If DTC B1965, GO to K17.

If DTC 1342, INSTALL a new DSM. REPEAT the self-test. CLEAR the DTCs.

For any other DSM DTCs, REFER to the Driver Seat Module (DSM) DTC Chart.

No
GO to K4.

-------------------------------------------------
K4 MONITOR THE DSM PIDs AND CHECK THE DSM FOR CORRECT MEMORY SET SWITCH INPUTS


- Enter the following diagnostic mode on the scan tool: DataLogger - DSM PIDs.
- Memory 1 recall switch status (MEM_1)
- Memory 2 recall switch status (MEM_2)
- Monitor the DSM PIDs while activating the memory SET switch, recall 1 and recall 2 buttons.
- Do the PID states agree with the switch button positions?

Yes
GO to K10.

No
GO to K5.

-------------------------------------------------
K5 CHECK THE MEMORY SET SWITCH


- Ignition OFF.
- Disconnect: Memory SET Switch C503.
- Measure the resistance between the memory SET switch pins, component side, while pressing the indicated switch buttons and compare the results to the table.









- Is the resistance less than 20 ohms with the switch buttons depressed and greater than 10,000 ohms with the switch buttons released?

Yes
GO to K6.

No
INSTALL a new memory SET switch. REFER to Memory Set Switch Memory Set Switch. REPEAT the self-test. CLEAR the DTCs.

-------------------------------------------------
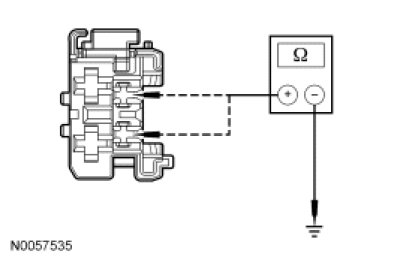
K6 CHECK CIRCUIT GD133 (BK) TO THE MEMORY SET SWITCH FOR AN OPEN


- Ignition OFF.
- Depower the SRS. Refer to Supplemental Restraint System (SRS) Depowering and Repowering in the General Procedures portion of Air Bag Systems.
- Disconnect: Driver Seat Side Air Bag C328.
- WARNING: Make sure no one is in the vehicle and there is nothing blocking or placed in front of any air bag module when the battery is connected. Failure to follow these instructions may result in serious personal injury in the event of an accidental deployment.
- Connect the battery ground cable.
- Measure the resistance between memory SET switch C503-7, circuit GD133 (BK), harness side and ground.




- Is the resistance less than 5 ohms?

Yes
GO to K7.

No
REPAIR the circuit. REPEAT the self-test. CLEAR the DTCs.

REPOWER the SRS. REFER to Air Bag Systems.

-------------------------------------------------
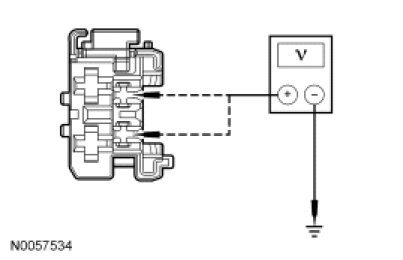
K7 CHECK CIRCUITS CPS15 (VT/WH) AND CPS16 (YE) FOR A SHORT TO VOLTAGE


- Ignition OFF.
- Disconnect: DSM C3299c.
- Ignition ON.
- Measure the voltage between the following memory SET switch C503 pins, harness side and ground:









- Is voltage present on any circuits?

Yes
REPAIR the affected circuit. REPEAT the self-test. CLEAR the DTCs.

DISCONNECT the battery ground cable. CONNECT driver seat side air bag module C328.

REPOWER the SRS. REFER to Air Bag Systems.

No
GO to K8.

-------------------------------------------------
K8 CHECK CIRCUITS CPS15 (VT/WH) AND CPS16 (YE) FOR A SHORT TO GROUND


- Ignition OFF.
- Measure the resistance between the following memory SET switch C503 pins, harness side and ground:









- Are the resistances greater than 10,000 ohms?

Yes
GO to K9.

No
REPAIR the affected circuit. REPEAT the self-test. CLEAR the DTCs.

DISCONNECT the battery ground cable. CONNECT driver seat side air bag module C328.

REPOWER the SRS. REFER to Air Bag Systems.

-------------------------------------------------
K9 CHECK CIRCUITS CPS14 (GY/VT), CPS15 (VT/WH) AND CPS16 (YE) FOR AN OPEN


- Measure the resistance between the following memory SET switch C503 pins and DSM C3299c pins:





- Are the resistances less than 5 ohms?

Yes
INSTALL a new DSM. REPEAT the self-test. CLEAR the DTCs.

DISCONNECT the battery ground cable. CONNECT driver seat side air bag module C328.

REPOWER the SRS. REFER to Air Bag Systems.

No
REPAIR the affected circuit. REPEAT the self-test. CLEAR the DTCs.

DISCONNECT the battery ground cable. CONNECT driver seat side air bag module C328.

REPOWER the SRS. REFER to Air Bag Systems.

-------------------------------------------------
K10 MONITOR THE DSM PIDs


- Enter the following diagnostic mode on the scan tool: DataLogger - DSM PIDs.
- Driver Power Seat Front Up/Down Sense (SFNT_MT)
- Driver Power Seat Forward/Backward Sense (SFWD_MT)
- Driver Power Seat Recline Sense (SRCL_MT)
- Driver Power Seat Rear Up/Down Sense (SREARMT)
- Operate the memory seat and memory mirrors in all directions through the full range of travel while monitoring the PIDs.
- Does each PID indicate the sensor is operational throughout each associated motor's full range of travel?

Yes
INSTALL a new DSM. REPEAT the self-test. CLEAR the DTCs.

DISCONNECT the battery ground cable. CONNECT driver seat side air bag module C328.

REPOWER the SRS. REFER to Air Bag Systems.

No
If the front height PID indicates not sensed, GO to K11.

If the rear height PID indicates not sensed, GO to K14.

If the horizontal PID indicates not sensed, GO to K17.

If the recline PID indicates not sensed, GO to K20.

For a memory mirror sensor concern, REFER to Mirrors.

For a memory adjustable pedal sensor concern, REFER to Brakes and Traction Control. Testing and Inspection

-------------------------------------------------
K11 CHECK CIRCUITS RPS13 (GN/OG) AND VPS10 (BU/GN) FOR A SHORT TO VOLTAGE


- Ignition OFF.
- Depower the SRS. Refer to Supplemental Restraint System (SRS) Depowering and Repowering in the General Procedures portion of Air Bag Systems.
- Disconnect: Driver Seat Side Air Bag C328.
- Disconnect: DSM C3299b.
- Disconnect: Driver Seat Front Height Motor C382.
- WARNING: Make sure no one is in the vehicle and there is nothing blocking or placed in front of any air bag module when the battery is connected. Failure to follow these instructions may result in serious personal injury in the event of an accidental deployment.
- Connect the battery ground cable.
- Ignition ON.
- Measure the voltage between:
- driver seat front height motor C382-3, circuit RPS13 (GN/OG), harness side and ground.
- driver seat front height motor C382-4, circuit VPS10 (BU/GN), harness side and ground.




- Is voltage present on either circuit?

Yes
REPAIR the affected circuit. REPEAT the self-test. CLEAR the DTCs.

DISCONNECT the battery ground cable. CONNECT driver seat side air bag module C328.

REPOWER the SRS. REFER to Air Bag Systems.

No
GO to K12.

-------------------------------------------------
K12 CHECK CIRCUITS RPS13 (GN/OG) AND VPS10 (BU/GN) FOR A SHORT TO GROUND


- Ignition OFF.
- Measure the resistance between:
- driver seat front height motor C382-3, circuit RPS13 (GN/OG), harness side and ground.
- driver seat front height motor 382-4, circuit VPS10 (BU/GN), harness side and ground.




- Are the resistances greater than 10,000 ohms?

Yes
GO to K13.

No
REPAIR the affected circuit. REPEAT the self-test. CLEAR the DTCs.

DISCONNECT the battery ground cable. CONNECT driver seat side air bag module C328.

REPOWER the SRS. REFER to Air Bag Systems.

-------------------------------------------------
K13 CHECK CIRCUITS RPS13 (GN/OG) AND VPS10 (BU/GN) FOR AN OPEN


- Measure the resistance between:
- driver seat front height motor C382-3, circuit RPS13 (GN/OG), harness side and DSM C3299b-8, circuit RPS13 (GN/OG), harness side.
- driver seat front height motor C382-4, circuit VPS10 (BU/GN), harness side and DSM C3299b-4, circuit VPS10 (BU/GN), harness side.




- Are the resistances less than 5 ohms?

Yes
INSTALL a new seat track assembly. REFER to Seat Track Seat Track. REPEAT the self-test. CLEAR the DTCs.

DISCONNECT the battery ground cable. CONNECT driver seat side air bag module C328.

REPOWER the SRS. REFER to Air Bag Systems.

No
REPAIR the affected circuit. REPEAT the self-test. CLEAR the DTCs.

DISCONNECT the battery ground cable. CONNECT driver seat side air bag module C328.

REPOWER the SRS. REFER to Air Bag Systems.

-------------------------------------------------
K14 CHECK CIRCUITS RPS13 (GN/OG) AND VPS11 (GN/BN) FOR A SHORT TO VOLTAGE


- Ignition OFF.
- Depower the SRS. Refer to Supplemental Restraint System (SRS) Depowering and Repowering in the General Procedures portion of Air Bag Systems.
- Disconnect: Driver Seat Side Air Bag C328.
- Disconnect: DSM C3299b.
- Disconnect: Driver Seat Rear Height Motor C363.
- WARNING: Make sure no one is in the vehicle and there is nothing blocking or placed in front of any air bag module when the battery is connected. Failure to follow these instructions may result in serious personal injury in the event of an accidental deployment.
- Connect the battery ground cable.
- Ignition ON.
- Measure the voltage between:
- driver seat rear height motor C363-3, circuit RPS13 (GN/OG), harness side and ground.
- driver seat rear height motor C363-4, circuit VPS11 (GN/BN), harness side and ground.




- Is voltage present on either circuit?

Yes
REPAIR the affected circuit. REPEAT the self-test. CLEAR the DTCs.

DISCONNECT the battery ground cable. CONNECT driver seat side air bag module C328.

REPOWER the SRS. REFER to Air Bag Systems.

No
GO to K15.

-------------------------------------------------
K15 CHECK CIRCUITS RPS13 (GN/OG) AND VPS11 (GN/BN) FOR A SHORT TO GROUND


- Ignition OFF.
- Measure the resistance between:
- driver seat rear height motor C363-3, circuit RPS13 (GN/OG), harness side and ground.
- driver seat rear height motor C363-4, circuit VPS11 (GN/BN), harness side and ground.




- Are the resistances greater than 10,000 ohms?

Yes
GO to K16.

No
REPAIR the affected circuit. REPEAT the self-test. CLEAR the DTCs.

DISCONNECT the battery ground cable. CONNECT driver seat side air bag module C328.

REPOWER the SRS. REFER to Air Bag Systems.

-------------------------------------------------
K16 CHECK CIRCUITS RPS13 (GN/OG) AND VPS11 (GN/BN) FOR AN OPEN


- Measure the resistance between:
- driver seat rear height motor C363-3, circuit RPS13 (GN/OG), harness side and DSM C3299b-8, circuit RPS13 (GN/OG), harness side.
- driver seat rear height motor C363-4, circuit VPS11 (GN/BN), harness side and DSM C3299b-3, circuit VPS11 (GN/BN), harness side.




- Are the resistances less than 5 ohms?

Yes
INSTALL a new seat track assembly. REFER to Seat Track Seat Track. REPEAT the self-test. CLEAR the DTCs.

DISCONNECT the battery ground cable. CONNECT driver seat side air bag module C328.

REPOWER the SRS. REFER to Air Bag Systems.

No
REPAIR the circuit(s) in question. REPEAT the self-test. CLEAR the DTCs.

DISCONNECT the battery ground cable. CONNECT driver seat side air bag module C328.

REPOWER the SRS. REFER to Air Bag Systems.

-------------------------------------------------
K17 CHECK CIRCUITS RPS13 (GN/OG) AND VPS09 (BN/BU) FOR A SHORT TO VOLTAGE


- Ignition OFF.
- Depower the SRS. Refer to Supplemental Restraint System (SRS) Depowering and Repowering in the General Procedures portion of Air Bag Systems.
- Disconnect: Driver Seat Side Air Bag C328.
- Disconnect: DSM C3299b.
- Disconnect: Driver Seat Horizontal Motor C362.
- WARNING: Make sure no one is in the vehicle and there is nothing blocking or placed in front of any air bag module when the battery is connected. Failure to follow these instructions may result in serious personal injury in the event of an accidental deployment.
- Connect the battery ground cable.
- Ignition ON.
- Measure the voltage between:
- driver seat horizontal motor C362-3, circuit RPS13 (GN/OG), harness side and ground.
- driver seat horizontal motor C362-4, circuit VPS09 (BN/BU), harness side and ground.




- Is voltage present on either circuit?

Yes
REPAIR the affected circuit. REPEAT the self-test. CLEAR the DTCs.

DISCONNECT the battery ground cable. CONNECT driver seat side air bag module C328.

REPOWER the SRS. REFER to Air Bag Systems.

No
GO to K18.

-------------------------------------------------
K18 CHECK CIRCUITS RPS13 (GN/OG) AND VPS09 (BN/BU) FOR A SHORT TO GROUND


- Ignition OFF.
- Measure the resistance between:
- driver seat horizontal motor C362-3, circuit RPS13 (GN/OG), harness side and ground.
- driver seat horizontal motor C362-4, circuit VPS09 (BN/BU), harness side and ground.




- Are the resistances greater than 10,000 ohms?

Yes
GO to K19.

No
REPAIR the affected circuit. REPEAT the self-test. CLEAR the DTCs.

DISCONNECT the battery ground cable. CONNECT driver seat side air bag module C328.

REPOWER the SRS. REFER to Air Bag Systems.

-------------------------------------------------
K19 CHECK CIRCUITS RPS13 (GN/OG) AND VPS09 (BN/BU) FOR AN OPEN


- Measure the resistance between:
- driver seat horizontal motor C362-3, circuit RPS13 (GN/OG), harness side and DSM C3299b-8, circuit RPS13 (GN/OG), harness side.
- driver seat horizontal motor C362-4, circuit VPS09 (BN/BU), harness side and DSM C3299b-14, circuit VPS09 (BN/BU), harness side.




- Are the resistances less than 5 ohms?

Yes
INSTALL a new seat track assembly. REFER to Seat Track Seat Track. REPEAT the self-test. CLEAR the DTCs.

DISCONNECT the battery ground cable. CONNECT driver seat side air bag module C328.

REPOWER the SRS. REFER to Air Bag Systems.

No
REPAIR the affected circuit. REPEAT the self-test. CLEAR the DTCs.

DISCONNECT the battery ground cable. CONNECT driver seat side air bag module C328.

REPOWER the SRS. REFER to Air Bag Systems.

-------------------------------------------------
K20 CHECK CIRCUITS RPS13 (GN/OG) AND VPS12 (GY/OG) FOR A SHORT TO VOLTAGE


- Ignition OFF.
- Depower the SRS. Refer to Supplemental Restraint System (SRS) Depowering and Repowering in the General Procedures portion of Air Bag Systems.
- Disconnect: Driver Seat Side Air Bag C328.
- Disconnect: DSM C3299b.
- Disconnect: Driver Seat Recliner Motor C368.
- WARNING: Make sure no one is in the vehicle and there is nothing blocking or placed in front of any air bag module when the battery is connected. Failure to follow these instructions may result in serious personal injury in the event of an accidental deployment.
- Connect the battery ground cable.
- Ignition ON.
- Measure the voltage between:
- driver seat recliner motor C368-3, circuit RPS13 (GN/OG), harness side and ground.
- driver seat recliner motor C368-4, circuit VPS12 (GY/OG), harness side and ground.




- Is voltage present on either circuit?

Yes
REPAIR the affected circuit. REPEAT the self-test. CLEAR the DTCs.

DISCONNECT the battery ground cable. CONNECT driver seat side air bag module C328.

REPOWER the SRS. REFER to Air Bag Systems.

No
GO to K21.

-------------------------------------------------
K21 CHECK CIRCUITS RPS13 (GN/OG) AND VPS12 (GY/OG) FOR A SHORT TO GROUND


- Ignition OFF.
- Measure the resistance between:
- driver seat recliner motor C368-3, circuit RPS13 (GN/OG), harness side and ground.
- driver seat recliner motor C368-4, circuit VPS12 (GY/OG), harness side and ground.




- Are the resistances greater than 10,000 ohms?

Yes
GO to K22.

No
REPAIR the affected circuit. REPEAT the self-test. CLEAR the DTCs.

DISCONNECT the battery ground cable. CONNECT driver seat side air bag module C328.

REPOWER the SRS. REFER to Air Bag Systems.

-------------------------------------------------
K22 CHECK CIRCUITS RPS13 (GN/OG) AND VPS12 (GY/OG) FOR AN OPEN


- Measure the resistance between:
- driver seat recliner motor C368-3, circuit RPS13 (GN/OG), harness side and DSM C3299b-8, circuit RPS13 (GN/OG), harness side.
- driver seat recliner motor C368-4, circuit VPS12 (GY/OG), harness side and DSM C3299b-20, circuit VPS12 (GY/OG), harness side.




- Are the resistances less than 5 ohms?

Yes
INSTALL a new seat recliner motor. REFER to Seat Recliner Motor Seat Recliner Motor. REPEAT the self-test. CLEAR the DTCs.

DISCONNECT the battery ground cable. CONNECT driver seat side air bag module C328.

REPOWER the SRS. REFER to Air Bag Systems.

No
REPAIR the affected circuit. REPEAT the self-test. CLEAR the DTCs.

DISCONNECT the battery ground cable. CONNECT driver seat side air bag module C328.

REPOWER the SRS. REFER to Air Bag Systems.

-------------------------------------------------