Curiosii for ever!: Car repair manuals for everyone.

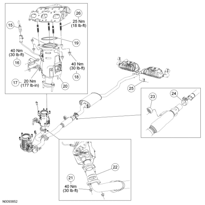
Exhaust System - Exploded View




Exhaust System - Exploded View



LH Catalytic Converter and Y-Pipe











RH Catalytic Converter and Exhaust Flexible Pipe











Engine Roll Restrictor, Heat Shield and Driveshaft









1. For additional information, refer to the procedures.