Curiosii for ever!: Car repair manuals for everyone.

Auxiliary Step / Running Board Module: Service and Repair

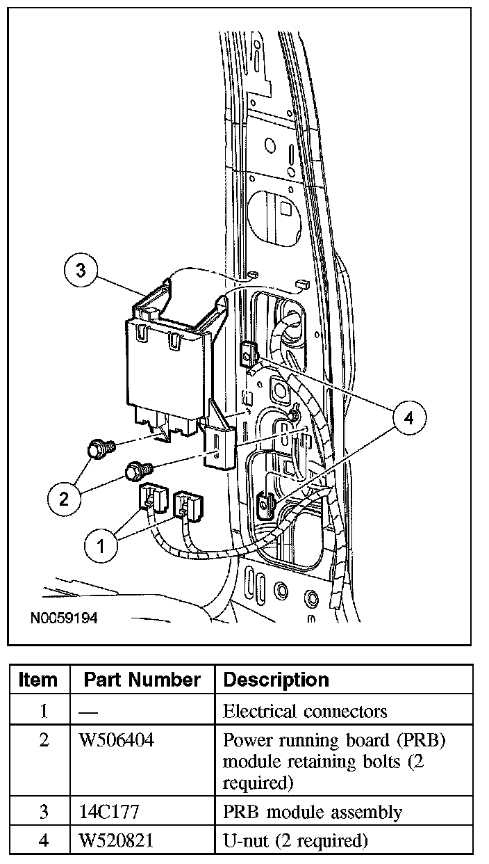
POWER RUNNING BOARD (PRB) MODULE







Removal and Installation
1. Remove the LH B-pillar trim panel.
2. Disconnect the power running board (PRB) module electrical connectors.
3. Remove the 2 bolts and the PRB module assembly.
4. To install, reverse the removal procedure.