Curiosii for ever!: Car repair manuals for everyone.

Engine Does Not Start





THEFT DETERRENT / KEYLESS ENTRY: SMART ACCESS SYSTEM WITH PUSH-BUTTON START (for Start Function): Engine does not Start
- Engine does not Start

DESCRIPTION

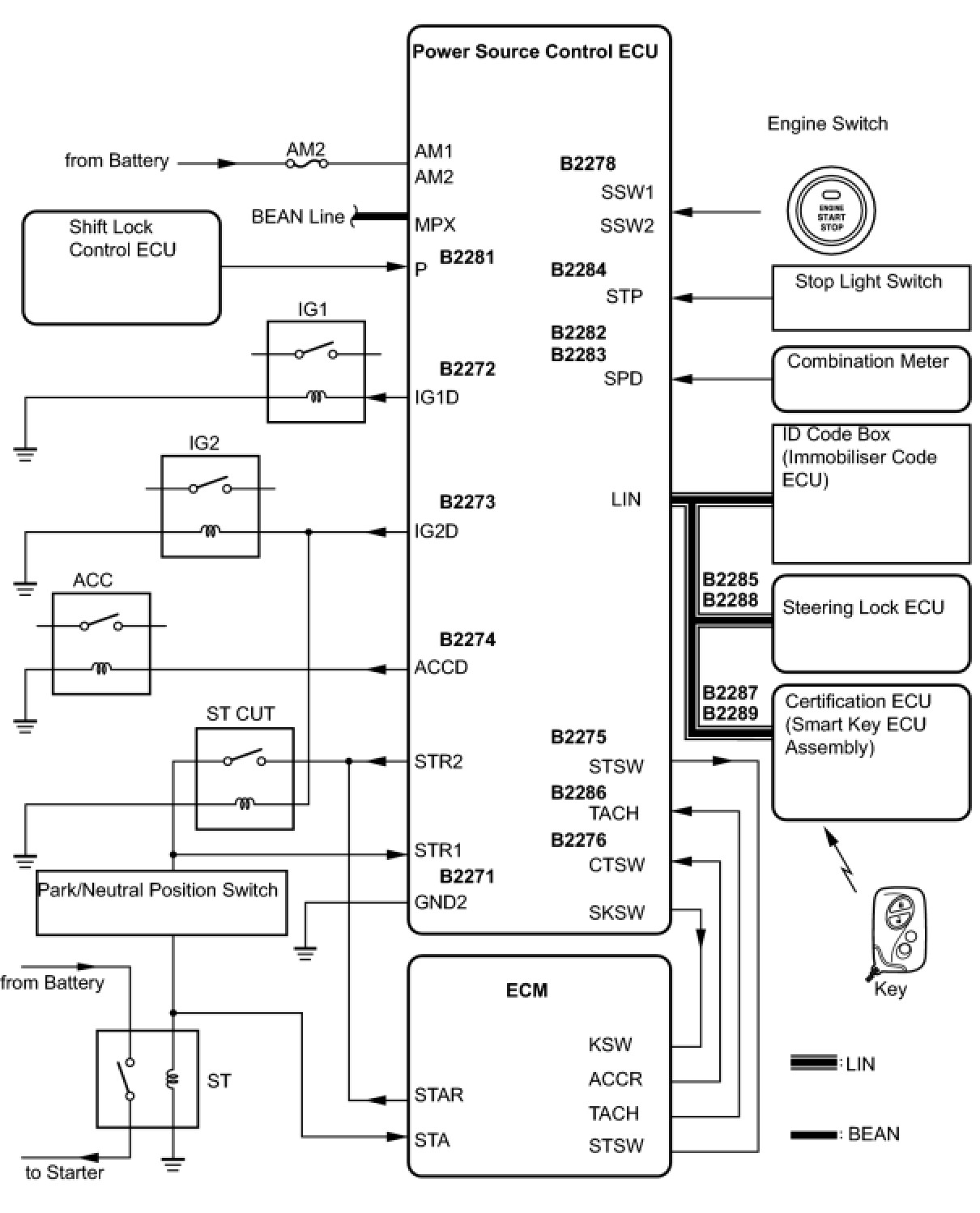
1. ENGINE START SYSTEM FUNCTION

(a) If the engine switch is pressed with the shift lever is in P or N and the brake pedal depressed, the power source control ECU determines that it is an engine start request.

(b) The certification ECU (smart key ECU assembly) and other ECUs perform key verification via the LIN communication line.

(c) The power source control ECU activates the ACC relay.

(d) The power source control ECU activates the IG1 and IG2 relays.

(e) The certification ECU (smart key ECU assembly) outputs a steering UNLOCK signal. The signal is sent to the power source control ECU via the steering lock ECU.

(f) The power source control ECU sends an engine start request signal to the ECM.

(g) The ECM sends an ACC cut request signal to the power source control ECU.

(h) The ECM and power source control ECU activate the starter relay.

(i) The power source control ECU deactivates the ACC relay until the power source control ECU detects an engine start.





WIRING DIAGRAM

See Cranking Holding Function Circuit Cranking Holding Function Circuit.

INSPECTION PROCEDURE

1. EMERGENCY ENGINE START CONTROL

(a) If there is a malfunction in the stop light switch or STOP fuse, their signals may not be correctly transmitted to the power source control ECU. This may result in the engine not starting even if the engine switch is pressed while the brake pedal is depressed and the shift lever is in P.

To activate the starter:

(1) Turn the engine switch from off to on (ACC).

(2) Hold pressing and hold the engine switch for 15 seconds.

HINT
After the certification ECU (smart key ECU assembly), steering lock ECU, ID code box (immobiliser code ECU) and/or ECM are/is replaced, perform the registration procedures for the engine immobiliser system Engine Immobilizer System.

PROCEDURE

1. CHECK IF ENGINE START (INITIALIZE STEERING LOCK)

(a) Shift lever is in P.

(b) Open and close the driver's door with the engine switch off.

(c) Check if the engine can be started.

OK:

Engine can be started.

HINT
After the battery is discharged and then recharged, the engine may not start unless the steering lock is initialized using the above procedure.

NG -- CHECK THE ENGINE SWITCH CONDITION

OK -- END (INITIALIZATION WAS DEFECTIVE)

2. CHECK THE ENGINE SWITCH CONDITION

(a) Check the power source mode changes.

(1) When the key is inside the vehicle and the shift lever is in P, check that the power source mode changes.

OK:

off -> on (ACC) -> on (IG) -> off

NG -- GO TO OTHER FLOW CHART (POWER SOURCE MODE DOES NOT CHANGE) Power Source Mode Does Not Change
OK -- Continue to next step.

3. CHECK DTC

(a) Clear the DTCs Smart Access System With Push-Button Start (for Start Function).

(b) Check for DTCs again.

(c) Proceed to the next step based on the inspection result.

Result:





B -- GO TO DIAGNOSTIC TROUBLE CODE CHART (SMART ACCESS SYSTEM WITH PUSH-BUTTON START) Smart Access System With Push-Button Start (for Start Function)

C -- GO TO DIAGNOSTIC TROUBLE CODE CHART (STEERING LOCK SYSTEM) Steering Lock System

D -- GO TO DIAGNOSTIC TROUBLE CODE CHART (ENGINE IMMOBILISER SYSTEM) Engine Immobilizer System

E -- GO TO DIAGNOSTIC TROUBLE CODE CHART (VEHICLE STABILITY CONTROL SYSTEM) Vehicle Stability Control System
A -- Continue to next step.

4. CHECK CRANKING FUNCTION

(a) Check the engine cranking function.

(1) When there is fuel in the fuel tank, the key is inside the vehicle, and the shift lever is in P, check that depressing the brake pedal and pressing the engine switch crank the engine.

OK:

Engine cranks.

NG -- CHECK STEERING LOCK
OK -- Continue to next step.

5. READ VALUE USING TECHSTREAM (ENGINE START REQUEST)

(a) Connect the Techstream to the DLC3.

HINT
When using the Techstream with the engine switch off, turn on and off any of the door courtesy light switches repeatedly at 1.5 second intervals or less until communication between the Techstream and vehicle starts.

(b) Turn the engine switch on (IG).

(c) Read the Data List according to the display on the Techstream.

Smart key:





OK:

"OK" (received) and "NG" (not received) appear on the screen.

NG -- REGISTER RECOGNITION CODE (ECU CODE)
OK -- Continue to next step.

6. REPLACE ID CODE BOX (IMMOBILISER CODE ECU)

(a) Replace ID code box (immobiliser code ECU) Removal.

NEXT -- Continue to next step.

7. REGISTER RECOGNITION CODE (ECU CODE)

(a) Register the recognition code (ECU code) Engine Immobilizer System.

NEXT -- Continue to next step.

8. ECU COMMUNICATION ID REGISTRATION

(a) Register the ECU communication ID Engine Immobilizer System.

NEXT -- Continue to next step.

9. CHECK IF THE ENGINE START

(a) Shift lever is in P.

(b) Open and close the driver's door with the engine switch off.

(c) Check if the engine can be started.

OK:

Engine can be started.

HINT
After the battery is discharged and then recharged, the engine may not start unless the steering lock is initialized using the above procedure.

NG -- GO TO SFI SYSTEM Symptom Related Diagnostic Procedures

OK -- END (ID CODE BOX (IMMOBILISER CODE ECU IS DEFECTIVE)

10. CHECK STEERING LOCK

(a) Check if the steering lock is released when turning the engine switch on (ACC).

OK:

The steering lock is released.

NG -- GO TO STEERING LOCK SYSTEM Steering Lock System
OK -- Continue to next step.

11. READ VALUE USING TECHSTREAM (S CODE)

(a) Connect the Techstream to the DLC3.

HINT
When using the the Techstream with the engine switch off, turn on and off any of the door courtesy light switches repeatedly at 1.5 second intervals or less until communication between the Techstream and vehicle starts.

(b) Turn the engine switch on (IG).

(c) Read the Data List according to the display on the Techstream.

Smart Key





OK:

"OK" is displayed on the screen.

NG -- REGISTER RECOGNITION CODE (ECU CODE)
OK -- Continue to next step.

12. READ VALUE USING TECHSTREAM (L CODE)

(a) Connect the Techstream to the DLC3.

HINT
When using the Techstream with the engine switch off, turn on and off any of the door courtesy light switches repeatedly at 1.5 second intervals or less until communication between the Techstream and vehicle starts.

(b) Turn the engine switch on (IG).

(c) Read the Data List according to the display on the Techstream.

Smart Key





OK:

"OK" is displayed on the screen.

NG -- KEY REGISTRATION
OK -- Continue to next step.

13. READ VALUE USING TECHSTREAM (STOP LIGHT SWITCH)

(a) Connect the Techstream to the DLC3.

(b) Turn the engine switch on (IG).

(c) Check the result when the engine switch is turned on (IG) and the engine is started.

Smart Key





OK:

OK (brake pedal depressed) and OFF (brake pedal released) appear on the screen.

NG -- INSPECT FUSE
OK -- Continue to next step.

14. READ VALUE USING TECHSTREAM (PARK/NEUTRAL POSITION SWITCH)

(a) Connect the Techstream to the DLC3.

(b) Turn the engine switch on (IG).

(c) Read the Data List according to the displays on the Techstream.

Power Source Control





OK:

"ON" (Shift position is P or N) and "OFF" (Shift position is not P nor N) appear on the screen.

NG -- INSPECT STARTER RELAY
OK -- Continue to next step.

15. CHECK HARNESS AND CONNECTOR (POWER SOURCE CONTROL ECU - ECM)

(a) Disconnect the J55 connector from power source control ECU.





(b) Disconnect the A5 connector from ECM.

(c) Measure the resistance according to the value(s) in the table below.

Standard Resistance:





NG -- REPAIR OR REPLACE HARNESS OR CONNECTOR (POWER SOURCE CONTROL ECU - ECM)
OK -- Continue to next step.

16. CHECK POWER SOURCE CONTROL ECU

(a) Reconnect the J55 connector to the power source control ECU.





(b) Measure the voltage according to the value(s) in the table below.

Standard Voltage:





NG -- REPLACE POWER SOURCE CONTROL ECU

OK -- GO TO SFI SYSTEM Symptom Related Diagnostic Procedures

17. KEY REGISTRATION

(a) Register the key Engine Immobilizer System.

NEXT -- Continue to next step.

18. CHECK IF ENGINE START

(a) Shift lever is in P.

(b) Open and close the driver's door with the engine switch off.

(c) Check if the engine can be started.

OK:

Engine can be started.

HINT
After the battery is discharged and then recharged, the engine may not start unless the steering lock is initialized using the above procedure.

NG -- REPLACE STEERING LOCK ACTUATOR

OK -- END

19. REPLACE STEERING LOCK ACTUATOR

(a) Replace steering lock actuator Disassembly.

NEXT -- Continue to next step.

20. REGISTER RECOGNITION CODE (ECU CODE)

(a) Register the recognition code (ECU code) Removal.

NEXT -- Continue to next step.

21. CHECK IF ENGINE START

(a) Shift lever is in P.

(b) Open and close the driver's door with the engine switch off.

(c) Check if the engine can be started.

OK:

Engine can be started.

HINT
After the battery is discharged and then recharged, the engine may not start unless the steering lock is initialized using the above procedure.

NG -- REPLACE ID CODE BOX (IMMOBILISER CODE ECU) Removal

OK -- END (STEERING LOCK ECU DEFECTIVE)

22. REGISTER RECOGNITION CODE (ECU CODE)

(a) Register the recognition code (ECU code) Removal.

NEXT -- Continue to next step.

23. CHECK IF ENGINE START

(a) Shift lever is in P.

(b) Open and close the driver's door with the engine switch off.

(c) Check if the engine can be started.

OK:

Engine can be started.

HINT
After the battery is discharged and then recharged, the engine may not start unless the steering lock is initialized using the above procedure.

NG -- REPLACE CERTIFICATION ECU (SMART KEY ECU ASSEMBLY)

OK -- END

24. REPLACE CERTIFICATION ECU (SMART KEY ECU ASSEMBLY)

(a) Replace the certification ECU (smart key ECU assembly) Removal.

NEXT -- Continue to next step.

25. KEY REGISTRATION

(a) Register the key Engine Immobilizer System.

NEXT -- Continue to next step.

26. CHECK IF ENGINE START

(a) Shift lever is in P.

(b) Open and close the driver's door with the engine switch off.

(c) Check if the engine can be started.

OK:

Engine can be started.

HINT
After the battery is discharged and then recharged, the engine may not start unless the steering lock is initialized using the above procedure.

NG -- REPLACE ID CODE BOX (IMMOBILISER CODE ECU) Removal

OK -- END (CERTIFICATION ECU (SMART KEY ECU ASSEMBLY) IS DEFECTIVE)

27. INSPECT FUSE

(a) Remove the STOP SW fuse from main body ECU RH (cowl side junction block RH).

(b) Measure the resistance according to the value(s) in the table below.

Standard Resistance:





NG -- REPLACE STOP SW FUSE
OK -- Continue to next step.

28. INSPECT STOP LIGHT SWITCH

(a) Remove the stop light switch Removal.





(b) Measure the resistance according to the value(s) in the table below.

NG -- REPLACE STOP LIGHT SWITCH Removal
OK -- Continue to next step.

29. CHECK HARNESS AND CONNECTOR (POWER SOURCE CONTROL ECU - STOP LIGHT SWITCH)

(a) Disconnect the J55 connector from the power source control ECU.





(b) Measure the resistance according to the value(s) in the table below.

Standard Resistance:





NG -- REPAIR OR REPLACE HARNESS OR CONNECTOR (POWER SOURCE CONTROL ECU - STOP LIGHT SWITCH)

OK -- REPLACE POWER SOURCE CONTROL ECU

30. INSPECT STARTER RELAY

(a) Remove the starter relay from engine room relay block No. 1.





(b) Measure the resistance according to the value(s) in the table below.

Standard Resistance:





NG -- REPLACE STARTER RELAY
OK -- Continue to next step.

31. CHECK PARK/NEUTRAL POSITION SWITCH

(a) Disconnect the E45 connector from park/neutral position switch.





(b) Measure the resistance according to the value(s) in the table below.

Standard Resistance:





NG -- REPLACE PARK/NEUTRAL POSITION SWITCH Removal
OK -- Continue to next step.

32. CHECK HARNESS AND CONNECTOR (POWER SOURCE CONTROL ECU - PARK/NEUTRAL SWITCH)

(a) Disconnect the J55 connector.





(b) Measure the resistance according to the value(s) in the table below.

Standard Resistance:





NG -- REPAIR OR REPLACE HARNESS OR CONNECTOR (POWER SOURCE CONTROL ECU - PARK/NEUTRAL POSITION SWITCH)
OK -- Continue to next step.

33. CHECK HARNESS AND CONNECTOR (PARK/NEUTRAL POSITION SWITCH - STARTER RELAY)

(a) Measure the resistance according to the value(s) in the table below.





Standard Resistance:





NG -- REPAIR OR REPLACE HARNESS OR CONNECTOR

OK -- REPLACE POWER SOURCE CONTROL ECU