Curiosii for ever!: Car repair manuals for everyone.

Relay





2UR-GSE ENGINE CONTROL: RELAY: ON-VEHICLE INSPECTION

1. DISCONNECT CABLE FROM NEGATIVE BATTERY TERMINAL

CAUTION:
Wait at least 90 seconds after disconnecting the cable from the negative (-) battery terminal to disable the SRS system.

NOTICE:
When disconnecting the cable, some systems need to be initialized after the cable is reconnected Repair Instruction - Initialization.

2. REMOVE COOL AIR INTAKE DUCT SEAL Removal

3. REMOVE ENGINE ROOM SIDE COVER LH Removal

4. REMOVE NO. 2 RELAY BLOCK COVER

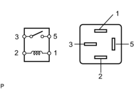
5. INSPECT IG2 RELAY

(a) Remove the IG2 relay from the No. 2 relay block.

(b) Measure the resistance according to the value(s) in the table below.





Standard Resistance:





If the result is not as specified, replace the relay.

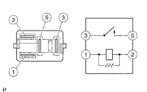
6. INSPECT VVT LH RELAY

(a) Remove the VVT LH relay from the No. 2 relay block.

(b) Measure the resistance according to the value(s) in the table below.





Standard Resistance:





If the result is not as specified, replace the relay.

7. INSPECT VVT RH RELAY

(a) Remove the VVT RH relay from the No. 2 relay block.

(b) Measure the resistance according to the value(s) in the table below.





Standard Resistance:





If the result is not as specified, replace the relay.

8. INSPECT INJ2 RELAY

(a) Remove the INJ2 relay from the No. 2 relay block.

(b) Measure the resistance according to the value(s) in the table below.





Standard Resistance:





If the result is not as specified, replace the relay.

9. INSPECT A/F RELAY

(a) Remove the A/F relay from the No. 2 relay block.

(b) Measure the resistance according to the value(s) in the table below.





Standard Resistance:





If the result is not as specified, replace the relay.

10. INSPECT F/PMP RELAY

(a) Remove the F/PMP relay from the No. 2 relay block.

(b) Measure the resistance according to the value(s) in the table below.





Standard Resistance:





If the result is not as specified, replace the relay.

11. INSTALL NO. 2 RELAY BLOCK COVER

12. CONNECT CABLE TO NEGATIVE BATTERY TERMINAL

NOTICE:
When disconnecting the cable, some systems need to be initialized after the cable is reconnected Repair Instruction - Initialization.

13. INSTALL ENGINE ROOM SIDE COVER LH Installation

14. INSTALL COOL AIR INTAKE DUCT SEAL Installation