Curiosii for ever!
: Car repair manuals for everyone.
Home
>>
Lexus
>>
2012
>>
IS F V8-5.0L (2UR-GSE)
>>
Repair and Diagnosis
>>
Powertrain Management
>>
Computers and Control Systems
>>
Description and Operation
Computers and Control Systems: Description and Operation
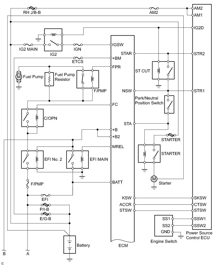
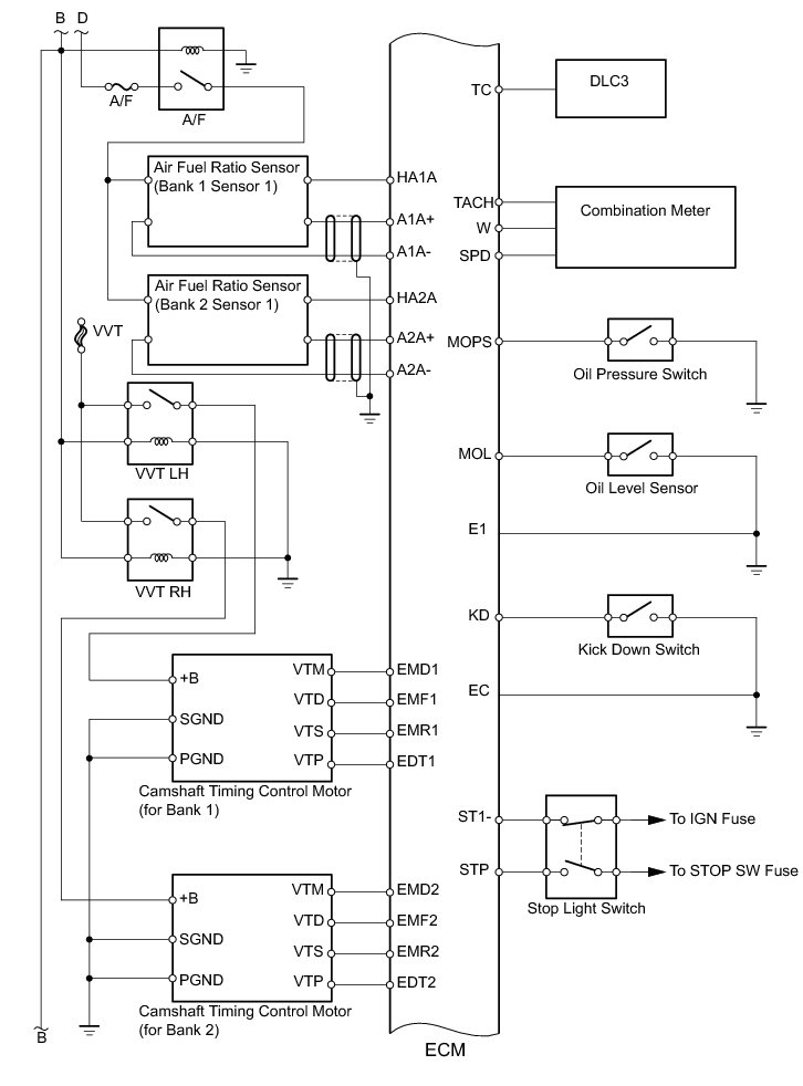
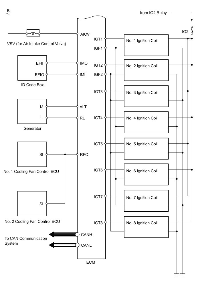
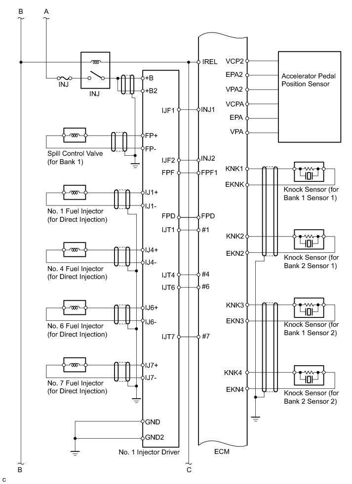
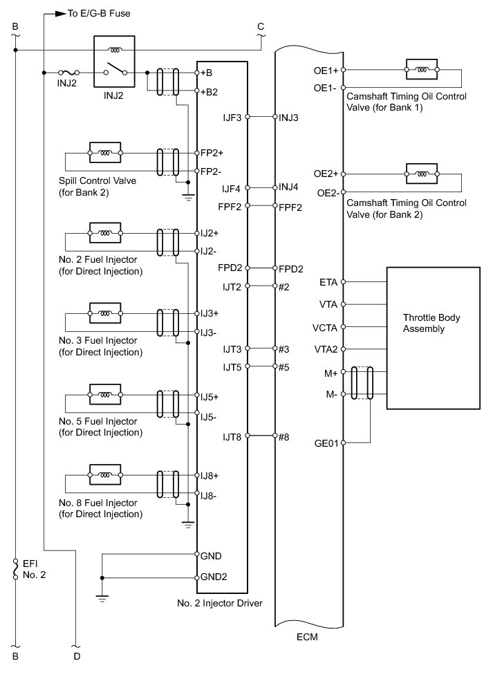
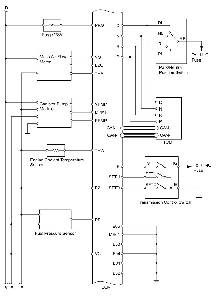
2UR-GSE ENGINE CONTROL: SFI SYSTEM: SYSTEM DIAGRAM