Curiosii for ever!
: Car repair manuals for everyone.
Home
>>
Lexus
>>
2012
>>
IS F V8-5.0L (2UR-GSE)
>>
Repair and Diagnosis
>>
Power and Ground Distribution
>>
Power Distribution Module
>>
Locations
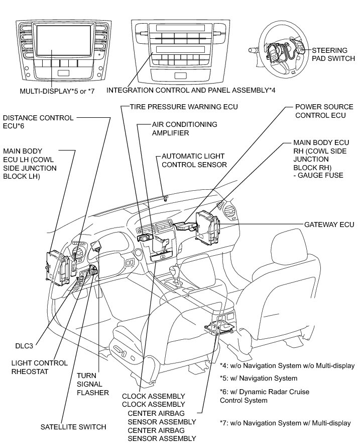
Power Distribution Module: Locations
2UR-GSE ENGINE CONTROL: SFI SYSTEM: PARTS LOCATION
Instrument Panel: