Curiosii for ever!: Car repair manuals for everyone.

Cruise Control Switch Circuit





CRUISE CONTROL: CRUISE CONTROL SYSTEM: Cruise Control Switch Circuit
- Cruise Control Switch Circuit

DESCRIPTION

The cruise control main switch operates 7 functions: SET, - (COAST), TAP-DOWN, RES (RESUME), + (ACCEL), TAP-UP, and CANCEL. The SET, TAP-DOWN, and - (COAST) functions, and the RES (RESUME), TAP-UP, and + (ACCEL) functions are operated with the same switch. The cruise control main switch is an automatic return type switch which turns on only while operating it in the direction of each arrow and turns off after releasing it. The internal contact point of the cruise control main switch is turned on with the switch operation. Then the ECM reads the voltage value that has been changed by the switch operation to control SET, - (COAST), RES (RESUME), + (ACCEL), and CANCEL.

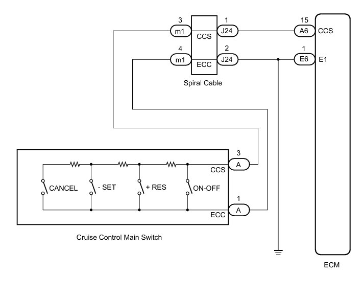
WIRING DIAGRAM





INSPECTION PROCEDURE

PROCEDURE

1. READ VALUE USING TECHSTREAM





(a) Connect the Techstream to the DLC3.

(b) Turn the engine switch on (IG).

(c) Turn the Techstream on.

(d) Enter the following menus: Powertrain / Cruise Control / Data List.

(e) Check the Data List for proper functioning of the cruise control main switch.

Cruise Control (ECM)





OK:

When the cruise control main switch is operated, the display changes as shown above.

Result





B -- INSPECT CRUISE CONTROL MAIN SWITCH

C -- REPLACE CRUISE CONTROL MAIN SWITCH Components

A -- PROCEED TO NEXT SUSPECTED AREA SHOWN IN PROBLEM SYMPTOMS TABLE Cruise Control System

2. INSPECT CRUISE CONTROL MAIN SWITCH

(a) Remove the cruise control main switch Removal.

(b) Measure the resistance according to the value(s) in the table below.





Standard Resistance:





(c) Install the cruise control main switch Installation.

NG -- REPLACE CRUISE CONTROL MAIN SWITCH Components
OK -- Continue to next step.

3. CHECK HARNESS AND CONNECTOR (CRUISE CONTROL MAIN SWITCH - SPIRAL CABLE)

(a) Disconnect the spiral cable connector.





(b) Measure the resistance according to the value(s) in the table below.

Standard Resistance:





(c) Reconnect the spiral cable connector.

NG -- REPAIR OR REPLACE HARNESS OR CONNECTOR
OK -- Continue to next step.

4. CHECK SPIRAL CABLE

NOTICE:
The spiral cable is an important part of the SRS airbag system. Incorrect removal or installation of the spiral cable may cause airbag deployment. Be sure to read the page shown in the brackets.

HINT
* Removal Removal
* Installation Installation

(a) Remove the spiral cable Components.





(b) Measure the resistance according to the value(s) in the table below.

Standard Resistance:





HINT
The spiral cable makes a maximum of approximately 5 rotations.

NG -- REPLACE SPIRAL CABLE Components
OK -- Continue to next step.

5. CHECK HARNESS AND CONNECTOR (SPIRAL CABLE - ECM AND BODY GROUND)

(a) Disconnect the ECM connector.

(b) Measure the resistance according to the value(s) in the table below.





Standard Resistance:





(c) Reconnect the ECM connector.

NG -- REPAIR OR REPLACE HARNESS OR CONNECTOR

OK -- REPLACE ECM (for 2UR-GSE) Components