Curiosii for ever!: Car repair manuals for everyone.

Driver Side Door Entry Lock And Unlock Functions Do Not Operate





THEFT DETERRENT / KEYLESS ENTRY: SMART ACCESS SYSTEM WITH PUSH-BUTTON START (for Entry Function): Driver Side Door Entry Lock and Unlock Functions do not Operate
- Driver Side Door Entry Lock and Unlock Functions do not Operate

DESCRIPTION

When the driver door entry lock and unlock functions do not operate, one of the following may be malfunctioning: 1) power door lock control system, 2) door electrical key oscillator (driver side), or 3) certification ECU (smart key ECU assembly).

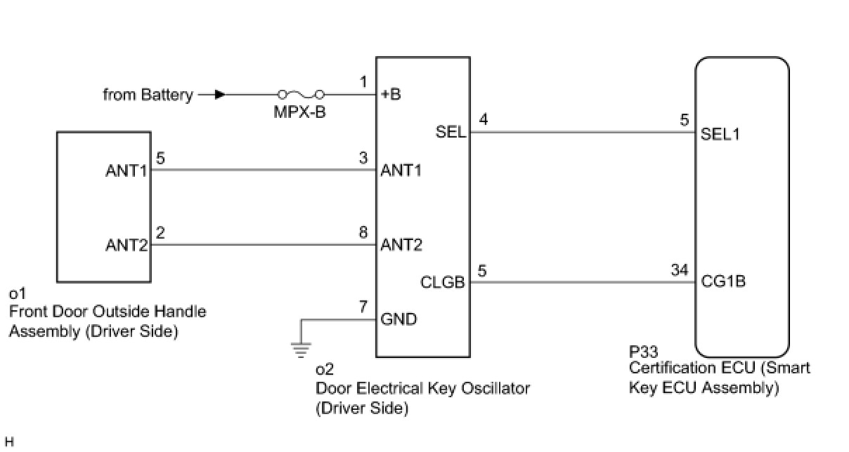
WIRING DIAGRAM





INSPECTION PROCEDURE

PROCEDURE

1. CHECK POWER DOOR LOCK OPERATION

(a) When the door control switch on the master switch assembly is operated, check that the locked doors unlock Operation Check.

OK:

Locked doors unlock.

NG -- GO TO POWER DOOR LOCK CONTROL SYSTEM Problem Symptoms Table
OK -- Continue to next step.

2. READ VALUE USING TECHSTREAM (DOOR OUTSIDE HANDLE)

(a) Connect the Techstream to the DLC3.

(b) Turn the engine switch on (IG).

(c) Turn the Techstream on.

(d) Enter the following menus: Body Electrical / Smart Access / Data List.

(e) Read the Data List according to the display on the Techstream.

Smart Access (Certification ECU (Smart Key ECU Assembly))





OK:

On the Techstream screen, the display changes between ON and OFF according to the chart above.

NG -- REPLACE FRONT DOOR OUTSIDE HANDLE ASSEMBLY (DRIVER SIDE) Removal
OK -- Continue to next step.

3. CHECK WAVE ENVIRONMENT

(a) Bring the electrical key transmitter near the front door outside handle assembly (driver side), and perform a driver door entry lock and unlock operation check.





NOTICE:
If the key is brought within 0.2 m (0.656 ft.) of the door outside handle assembly, communication is not possible.

HINT
* When the electrical key transmitter is brought near the front door outside handle assembly (driver side), the possibility of wave interference decreases, and it can be determined if wave interference is causing the problem symptom.
* If the operation check is normal, the possibility of wave interference is high. Also, added vehicle components may cause wave interference. If installed, remove them and perform the operation check.

OK:

Entry functions operate normally.

NG -- PERFORM KEY DIAGNOSTIC MODE INSPECTION

OK -- AFFECTED BY WAVE INTERFERENCE

4. PERFORM KEY DIAGNOSTIC MODE INSPECTION

(a) Diagnostic mode inspection (door electrical key oscillator (driver side))





(1) Connect the Techstream to the DLC3.

(2) Turn the engine switch on (IG).

(3) Turn the Techstream on.

(4) Enter the following menus: Body Electrical / Smart Access / Utility / Communication Check (Key Diag Mode) / Overhead + Driver Side.

(5) When the electrical key transmitter is in the position shown in the illustration, check that the wireless door lock buzzer sounds.

HINT
If the buzzer sounds, it can be determined that the door electrical key oscillator (driver side) is operating normally.

OK:

Wireless door lock buzzer sounds.

NG -- CHECK HARNESS AND CONNECTOR (CERTIFICATION ECU - DOOR ELECTRICAL KEY OSCILLATOR)

OK -- REPLACE CERTIFICATION ECU (SMART KEY ECU ASSEMBLY) Removal

5. CHECK HARNESS AND CONNECTOR (CERTIFICATION ECU - DOOR ELECTRICAL KEY OSCILLATOR)

(a) Disconnect the certification ECU (smart key ECU assembly) connector.

(b) Disconnect the door electrical key oscillator (driver side) connector.





(c) Measure the resistance according to the value(s) in the table below.

Standard Resistance:





NG -- REPAIR OR REPLACE HARNESS OR CONNECTOR
OK -- Continue to next step.

6. CHECK HARNESS AND CONNECTOR (DOOR ELECTRICAL KEY OSCILLATOR - FRONT DOOR OUTSIDE HANDLE)

(a) Disconnect the front door outside handle assembly (driver side) connector.





(b) Measure the resistance according to the value(s) in the table below.

Standard Resistance:





NG -- REPAIR OR REPLACE HARNESS OR CONNECTOR
OK -- Continue to next step.

7. INSPECT FUSE (MPX-B)

(a) Remove the MPX-B fuse from the No. 1 engine room junction block.

(b) Measure the resistance according to the value(s) in the table below.

Standard Resistance:





NG -- REPLACE FUSE (MPX-B)
OK -- Continue to next step.

8. CHECK HARNESS AND CONNECTOR (DOOR ELECTRICAL KEY OSCILLATOR - BATTERY AND BODY GROUND)

(a) Measure the voltage according to the value(s) in the table below.





Standard Voltage:





NG -- REPAIR OR REPLACE HARNESS OR CONNECTOR
OK -- Continue to next step.

9. REPLACE DOOR ELECTRICAL KEY OSCILLATOR (DRIVER SIDE)

(a) Replace the door electrical key oscillator (driver side) Removal.

NEXT -- Continue to next step.

10. CHECK DOOR ELECTRICAL KEY OSCILLATOR (DRIVER SIDE OPERATION)

(a) Check that the entry functions operate normally Operation Check.

OK:

Entry functions operate normally.

NG -- REPLACE CERTIFICATION ECU (SMART KEY ECU ASSEMBLY) Removal

OK -- END (DOOR ELECTRICAL KEY OSCILLATOR IS DEFECTIVE)