Curiosii for ever!
: Car repair manuals for everyone.
Home
>>
Lexus
>>
2012
>>
IS 250C V6-2.5L (4GR-FSE)
>>
Repair and Diagnosis
>>
Heating and Air Conditioning
>>
Heater Core
>>
Service and Repair
>>
Removal and Replacement
>>
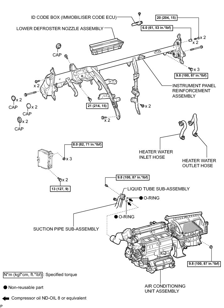
Components
Components
HEATING / AIR CONDITIONING: AIR CONDITIONING UNIT: COMPONENTS