Curiosii for ever!: Car repair manuals for everyone.

Power Source Mode Does Not Change To ON (IG)





4GR-FSE STARTING: SMART ACCESS SYSTEM WITH PUSH-BUTTON START: Power Source Mode does not Change to ON (IG)
- Power Source Mode does not Change to ON (IG)

DESCRIPTION

When the engine switch is pushed with the electrical key in the cabin, the power source control ECU receives signals to switch the power source mode.

HINT
To allow use of Techstream to inspect the smart access system with push-button start when the engine switch is off, repeat opening and closing any of the doors. Opening and closing a door establishes communication between Techstream and the power source control ECU. (Opening and closing a door can also be simulated by operating a door courtesy light switch.)

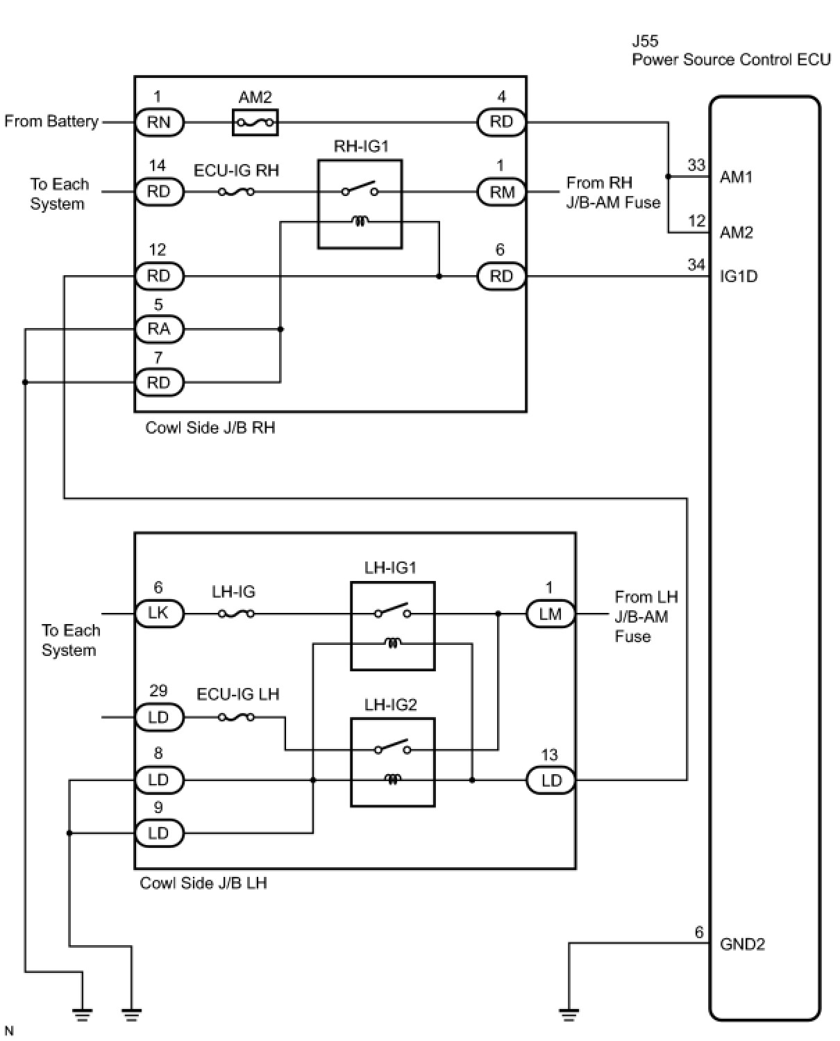
WIRING DIAGRAM









INSPECTION PROCEDURE

PROCEDURE

1. INSPECT FUSE (AM2)

(a) Remove the AM2 fuse from the cowl side J/B RH.

(b) Measure the resistance of the fuse.

Standard resistance:

Below 1 Ohms

NG -- REPLACE FUSE
OK -- Continue to next step.

2. CHECK CONNECTORS

(a) Check that the connectors are securely connected and the terminals are not deformed or loose.

OK:

The connectors are securely connected and the terminals are not deformed or loose.

NG -- REPAIR OR REPLACE CONNECTORS
OK -- Continue to next step.

3. CHECK WIRE HARNESS (POWER SOURCE CONTROL ECU - BATTERY AND BODY GROUND)

(a) Disconnect the J55 ECU connector.





(b) Measure the voltage according to the value(s) in the table below.

Standard voltage:





(c) Measure the resistance according to the value(s) in the table below.

Standard resistance:





NG -- REPAIR OR REPLACE HARNESS OR CONNECTOR
OK -- Continue to next step.

4. INSPECT RELAY (IG2 RELAY)

(a) Remove the IG2 relay from the engine room R/B No. 2.





(b) Measure the resistance according to the value(s) in the table below.

Standard resistance:





NG -- REPLACE FAULTY RELAY OR J/B AND CHECK POWER SOURCE CONTROL ECU
OK -- Continue to next step.

5. INSPECT JUNCTION BLOCK (RH-IG RELAY, LH-IG RELAY)

(a) RH-IG relay:





(1) Disconnect the cowl side J/B RH connectors.

(2) Measure the resistance according to the value(s) in the table below.

Standard resistance:





(b) LH-IG relay:





(1) Disconnect the cowl side J/B LH connectors.

(2) Measure the resistance according to the value(s) in the table below.

Standard resistance:





NG -- REPLACE FAULTY RELAY OR J/B AND CHECK POWER SOURCE CONTROL ECU
OK -- Continue to next step.

6. CHECK WIRE HARNESS

(a) Inspect the resistance and voltage (Power source control ECU or battery - IG2 relay).





(1) Measure the resistance according to the value(s) in the table below.

Standard resistance:





(2) Measure the voltage according to the value(s) in the table below.

Standard voltage:





(b) Inspect the resistance and voltage (Power source control ECU or battery - Cowl side J/B RH).





(1) Measure the resistance according to the value(s) in the table below.

Standard resistance:





(2) Measure the voltage according to the value(s) in the table below.

Standard voltage:





(c) Inspect the resistance (Cowl side J/B RH - Cowl side J/B LH).





(1) Measure the resistance according to the value(s) in the table below.

Standard resistance:





(d) Inspect the voltage (Battery - Cowl side J/B LH).





Measure the voltage according to the value(s) in the table below.

Standard voltage:





NG -- REPLACE FAULTY WIRE HARNESS OR CONNECTOR AND CHECK POWER SOURCE CONTROL ECU
OK -- Continue to next step.

7. INSPECT POWER SOURCE CONTROL ECU

(a) Reconnect the connectors.





(b) Measure the voltage according to the value(s) in the table below.

Standard voltage:





NG -- REPLACE POWER SOURCE CONTROL ECU

OK -- REPAIR OR REPLACE HARNESS OR CONNECTOR (COWL SIDE J/B - EACH SYSTEM)

8. REPLACE FAULTY RELAY OR J/B AND CHECK POWER SOURCE CONTROL ECU

(a) Replace a faulty relay or J/B and then connect the power source control ECU connector.





(b) Measure the voltage according to the value(s) in the table below.

Standard voltage:





NG -- REPLACE POWER SOURCE CONTROL ECU

OK -- END

9. REPLACE FAULTY WIRE HARNESS OR CONNECTOR AND CHECK POWER SOURCE CONTROL ECU

(a) Repair or replace a faulty wire harness or connector and then connect the power source control ECU connector.





(b) Measure the voltage according to the value(s) in the table below.

Standard voltage:





NG -- REPLACE POWER SOURCE CONTROL ECU

OK -- END