Curiosii for ever!: Car repair manuals for everyone.

Check CAN Bus Line for Short to +B





NETWORKING: CAN COMMUNICATION SYSTEM: Check CAN Bus Line for Short to +B
- Check CAN Bus Line for Short to +B

DESCRIPTION

There may be a short circuit between the CAN bus main wire and +B when no resistance exists between terminals 6 (CANH) and 16 (BAT) or 14 (CANL) and 16 (BAT) of the DLC3.





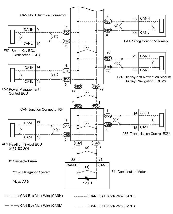
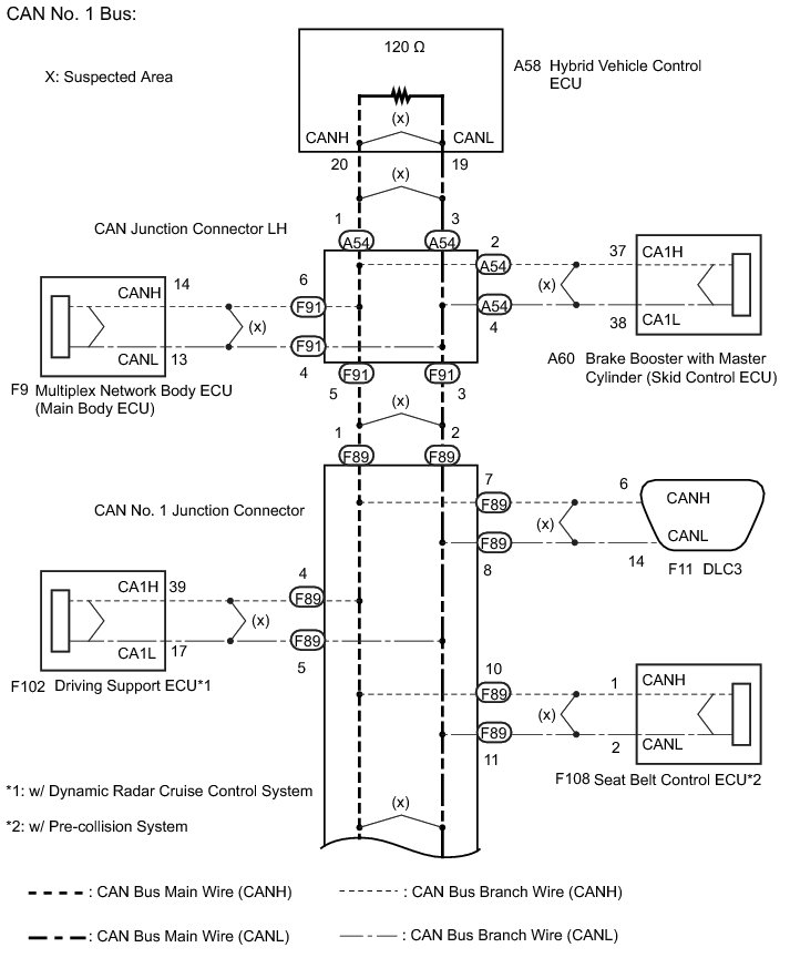
WIRING DIAGRAM









INSPECTION PROCEDURE

NOTICE:
* Turn the power switch off before measuring the resistances between CAN bus main wires and between CAN bus branch wires.
* Turn the power switch off before inspecting CAN bus wires for a ground short.
* After the power switch is turned off, check that the key reminder warning system and light reminder warning system are not operating.
* Before measuring the resistance, leave the vehicle as is for at least 1 minute and do not operate the power switch, any other switches or the doors. If any doors need to be opened in order to check connectors, open the doors and leave them open.

HINT
* Operating the power switch, any other switches or a door triggers related ECU and sensor communication on the CAN. This communication will cause the resistance value to change.
* Even after DTCs are cleared, if a DTC is stored again after driving the vehicle for a while, the malfunction may be occurring due to vibration of the vehicle. In such a case, wiggling the ECUs or wire harness while performing the inspection below may help determine the cause of the malfunction.

PROCEDURE

1. CHECK FOR SHORT TO +B IN CAN BUS WIRE (CAN NO. 1 J/C)

(a) Disconnect the cable from the negative (-) battery terminal.

(b) Disconnect the wire harness connector from the CAN No. 1 junction connector upper side.





Text in Illustration





(c) Measure the resistance according to the value(s) in the table below.

Standard Resistance:





Result:





B -- CHECK FOR SHORT TO +B IN CAN BUS WIRE (CAN J/C LH)

C -- REPAIR OR REPLACE CAN BRANCH WIRE CONNECTED TO DLC3

D -- CHECK FOR SHORT TO +B IN CAN BUS WIRE (ECU, SENSOR)
A -- Continue to next step.

2. CHECK FOR SHORT TO +B IN CAN BUS WIRE (CAN NO. 1 J/C)

(a) Disconnect the wire harness connector from the CAN No. 1 junction connector lower side.





Text in Illustration





(b) Measure the resistance according to the value(s) in the table below.

Standard Resistance:





Result:





B -- CHECK FOR SHORT TO +B IN CAN BUS WIRE (CAN J/C RH)

C -- CHECK FOR SHORT TO +B IN CAN BUS WIRE (ECU, SENSOR)

A -- REPLACE CAN NO. 1 JUNCTION CONNECTOR

3. CHECK FOR SHORT TO +B IN CAN BUS WIRE (CAN J/C LH)

(a) Disconnect the instrument panel wire from the CAN junction connector LH.





Text in Illustration





(b) Measure the resistance according to the value(s) in the table below.

Standard Resistance:





Result:





B -- REPAIR OR REPLACE CAN BUS MAIN WIRE OR CONNECTOR (CAN NO. 1 J/C - CAN J/C LH)

C -- CHECK FOR SHORT TO +B IN CAN BUS WIRE (ECU, SENSOR)
A -- Continue to next step.

4. CHECK FOR SHORT TO +B IN CAN BUS WIRE (CAN J/C LH)

(a) Disconnect the engine room main wire from the CAN junction connector LH.





Text in Illustration





(b) Measure the resistance according to the value(s) in the table below.

Standard Resistance:





Result:





B -- CHECK FOR SHORT TO +B IN CAN BUS WIRE (ECU, SENSOR)

A -- REPLACE CAN JUNCTION CONNECTOR LH

5. CHECK FOR SHORT TO +B IN CAN BUS WIRE (CAN J/C RH)

(a) Disconnect the instrument panel wire from CAN junction connector RH.





Text in Illustration





(b) Measure the resistance according to the value(s) in the table below.

Standard Resistance:





Result:





B -- REPAIR OR REPLACE CAN BUS MAIN WIRE OR CONNECTOR (CAN NO. 1 J/C - CAN J/C RH)

C -- CHECK FOR SHORT TO +B IN CAN BUS WIRE (ECU, SENSOR)
A -- Continue to next step.

6. CHECK FOR SHORT TO +B IN CAN BUS WIRE (CAN J/C RH)

(a) Disconnect the engine room main wire from the CAN junction connector RH.





Text in Illustration





(b) Measure the resistance according to the value(s) in the table below.

Standard Resistance:





Result:





B -- CHECK FOR SHORT TO +B IN CAN BUS WIRE (ECU, SENSOR)

A -- REPLACE CAN JUNCTION CONNECTOR RH

7. CHECK FOR SHORT TO +B IN CAN BUS WIRE (ECU, SENSOR)

(a) Reconnect the CAN No. 1 junction connector to the CAN junction connector LH and RH.

(b) Disconnect the ECU or sensor connected to the CAN bus wire that is shorted to +B.

HINT
If the ECU or sensor has multiple connectors, disconnect the connector that includes the CAN bus wires. To determine the ECU or sensor that is connected to the shorted bus wire, refer to the terminals of ECU tables CAN Communication System.

(c) Measure the resistance according to the value(s) in the table below.





Standard Resistance:





Text in Illustration





HINT
If the resistance changes to 6 kOhms or higher when the connector is disconnected from the ECU (or sensor), there may be a short in the ECU (or sensor).

NG -- REPAIR OR REPLACE CORRESPONDING ECU/SENSOR WIRE OR CONNECTOR

OK -- REPLACE CORRESPONDING ECU OR SENSOR