Curiosii for ever!: Car repair manuals for everyone.

Removal





HYBRID / BATTERY CONTROL: SUB RADIATOR: REMOVAL

1. REMOVE NO. 1 ENGINE UNDER COVER

2. DRAIN COOLANT (for Inverter) Coolant (for Inverter)

3. REMOVE NO. 2 FAN SHROUD

HINT
Removal.

4. REMOVE RADIATOR SIDE DEFLECTOR RH Removal

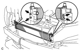
5. REMOVE RADIATOR ASSEMBLY

(a) Disengage the 2 clips and disconnect the 2 water hoses.





(b) Remove the 4 bolts and radiator assembly.