Curiosii for ever!: Car repair manuals for everyone.

Cruise Control Switch Circuit





CRUISE CONTROL: DYNAMIC RADAR CRUISE CONTROL SYSTEM: Cruise Control Switch Circuit
- Cruise Control Switch Circuit

DESCRIPTION

The cruise control main switch operates 8 functions: SET, -(COAST), TAP-DOWN, RES (RESUME), + (ACCEL), TAP-UP, CANCEL, and MODE. The SET, TAP-DOWN, and - (COAST) functions, and the RES (RESUME), TAP-UP, and + (ACCEL) functions are operated with the same switch. The cruise control main switch is an automatic return type switch which turns on only while it is being operated in the direction of each arrow and turns off after being released. The internal contact points of the cruise control main switch are turned on with the switch operation. The hybrid vehicle control ECU then reads the voltage value that has been changed by the switch operation to control MODE, SET, - (COAST), RES (RESUME), + (ACCEL), and CANCEL. The dynamic radar cruise control system has two cruise control modes: constant speed control mode and vehicle-to-vehicle distance control mode.

* Vehicle-to-vehicle distance control mode is always selected when starting up the dynamic radar cruise control system.

* The operation of constant speed control mode is the same as that for a conventional cruise control system.

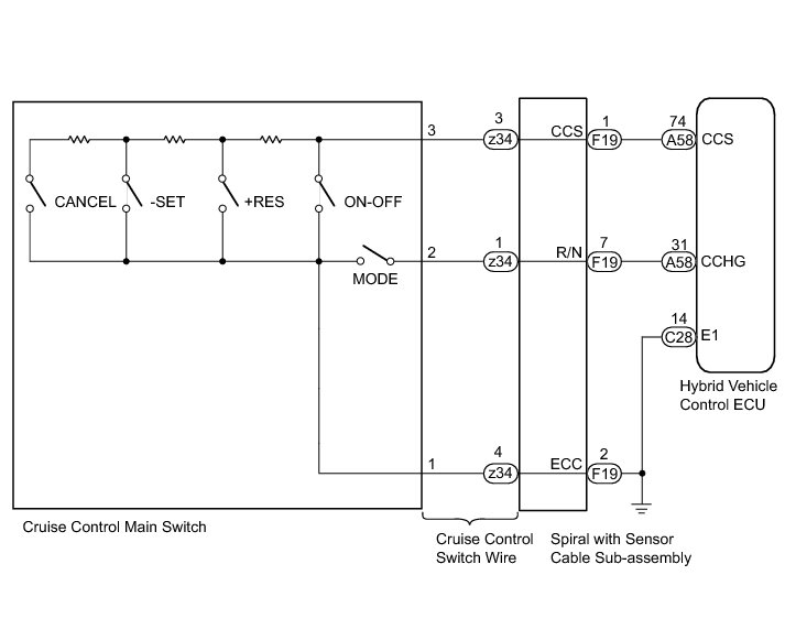
WIRING DIAGRAM





INSPECTION PROCEDURE

PROCEDURE

1. INSPECT CRUISE CONTROL MAIN SWITCH

(a) Remove the cruise control main switch Removal.





Text in Illustration





(b) Measure the resistance according to the value(s) in the table below.

Standard Resistance:





*1: The cruise control main switch lever is in the neutral position.

(c) Reinstall the cruise control main switch Installation.

NG -- REPLACE CRUISE CONTROL MAIN SWITCH Removal
OK -- Continue to next step.

2. CHECK HARNESS AND CONNECTOR (SPIRAL CABLE - CRUISE CONTROL MAIN SWITCH)

(a) Disconnect the connector from the spiral with sensor cable sub-assembly.





(b) Disconnect the connector from the cruise control main switch.

(c) Measure the resistance according to the value(s) in the table below.

Standard Resistance:





Text in Illustration





(d) Reconnect the connector to the spiral with sensor cable sub-assembly.

(e) Reconnect the connector to the cruise control main switch.

NG -- REPAIR OR REPLACE HARNESS OR CONNECTOR (SPIRAL CABLE SUB-ASSEMBLY - CRUISE CONTROL MAIN SWITCH)
OK -- Continue to next step.

3. INSPECT SPIRAL WITH SENSOR CABLE SUB-ASSEMBLY

NOTICE:
The spiral with sensor cable sub-assembly is an important part of the SRS airbag system. Incorrect removal or installation of the spiral with sensor cable sub-assembly may cause airbag deployment. Be sure to read the page shown in the brackets.

(a) Remove the spiral with sensor cable sub-assembly Removal.





(b) Measure the resistance according to the value(s) in the table below.

Standard Resistance:





Text in Illustration





HINT
The spiral with sensor cable sub-assembly makes a maximum of approximately 5 rotations.

(c) Install the spiral with sensor cable sub-assembly Installation.

NG -- REPLACE SPIRAL WITH CABLE SUB-ASSEMBLY Removal
OK -- Continue to next step.

4. CHECK HARNESS AND CONNECTOR (SPIRAL WITH SENSOR CABLE SUB-ASSEMBLY - HV CONTROL ECU)

(a) Disconnect the hybrid vehicle control ECU connector.

(b) Disconnect the spiral with sensor cable sub-assembly connector.

(c) Measure the resistance according to the value(s) in the table below.

Standard Resistance (Check for Open):





Standard Resistance (Check for Short):





(d) Reconnect the hybrid vehicle control ECU connector.

(e) Reconnect the spiral with sensor cable sub-assembly connector.

NG -- REPAIR OR REPLACE HARNESS OR CONNECTOR (SPIRAL WITH SENSOR CABLE SUB-ASSEMBLY - HV CONTROL ECU)
OK -- Continue to next step.

5. CHECK HARNESS AND CONNECTOR (SPIRAL WITH SENSOR CABLE SUB-ASSEMBLY - BODY GROUND)

(a) Disconnect the spiral with sensor cable sub-assembly connector.





(b) Measure the resistance according to the value(s) in the table below.

Standard Resistance (Check for Open):





Text in Illustration





(c) Reconnect the spiral with sensor cable sub-assembly connector.

NG -- REPAIR OR REPLACE HARNESS OR CONNECTOR (SPIRAL WITH SENSOR CABLE SUB-ASSEMBLY - BODY GROUND)

OK -- PROCEED TO NEXT SUSPECTED AREA SHOWN IN PROBLEM SYMPTOMS TABLE Dynamic Radar Cruise Control System