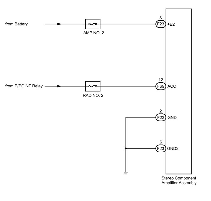
Stereo Component Amplifier Power Source Circuit
AUDIO / VIDEO: AUDIO AND VISUAL SYSTEM (w/o Navigation System): Stereo Component Amplifier Power Source Circuit
- Stereo Component Amplifier Power Source Circuit
DESCRIPTION
This circuit provides power to the stereo component amplifier assembly.
WIRING DIAGRAM
INSPECTION PROCEDURE
NOTICE:
Inspect the fuses for circuits related to this system before performing the following inspection procedure.
PROCEDURE
1. INSPECT STEREO COMPONENT AMPLIFIER ASSEMBLY
(a) Disconnect the stereo component amplifier assembly connectors.
(b) Measure the resistance according to the value(s) in the table below.
Standard Resistance:
(c) Measure the voltage according to the value(s) in the table below.
Standard Voltage:
Text in Illustration
NG -- REPAIR OR REPLACE HARNESS OR CONNECTOR
OK -- PROCEED TO NEXT SUSPECTED AREA SHOWN IN PROBLEM SYMPTOMS TABLE Problem Symptoms Table