Curiosii for ever!: Car repair manuals for everyone.

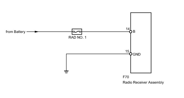
Radio Receiver Power Source Circuit





AUDIO / VIDEO: AUDIO AND VISUAL SYSTEM (w/ Navigation System): Radio Receiver Power Source Circuit
- Radio Receiver Power Source Circuit

DESCRIPTION

This circuit provides power to the radio receiver assembly.

WIRING DIAGRAM





INSPECTION PROCEDURE

NOTICE:
Inspect the fuses for circuits related to this system before performing the following inspection procedure.

PROCEDURE

1. INSPECT RADIO RECEIVER ASSEMBLY

(a) Disconnect the radio receiver assembly connector.





(b) Measure the resistance according to the value(s) in the table below.

Standard Resistance:





(c) Measure the voltage according to the value(s) in the table below.

Standard Voltage:





Text in Illustration





NG -- REPAIR OR REPLACE HARNESS OR CONNECTOR

OK -- PROCEED TO NEXT SUSPECTED AREA SHOWN IN PROBLEM SYMPTOMS TABLE Problem Symptoms Table