Curiosii for ever!: Car repair manuals for everyone.

Power Source Mode does not Change to ON (IG and ACC)





THEFT DETERRENT / KEYLESS ENTRY: SMART ACCESS SYSTEM WITH PUSH-BUTTON START (for Start Function): Power Source Mode does not Change to ON (IG and ACC)
- Power Source Mode does not Change to ON (IG and ACC)

DESCRIPTION

When the power switch is pushed with the electrical key in the cabin, the power management control ECU receives signals to change the power source mode.

HINT
To allow use of the Techstream to inspect the push-button start function when the power source mode is off, repeat opening and closing any of the doors. Opening and closing a door establishes communication between the Techstream and the power management control ECU. (Opening and closing a door can also be simulated by operating a door courtesy light switch.)

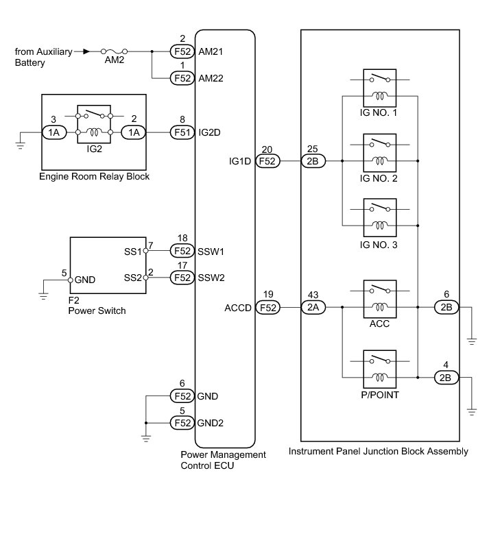
WIRING DIAGRAM





INSPECTION PROCEDURE

NOTICE:
* When the power management control ECU is replaced with a new one and the cable from the negative (-) auxiliary battery terminal is connected, the power source mode becomes on (IG) mode. When the auxiliary battery is removed and reinstalled, the power source mode that was selected when the auxiliary battery was removed is restored.
* Inspect the fuses for circuits related to this system before performing the following inspection procedure.

PROCEDURE

1. CHECK HARNESS AND CONNECTOR (AUXILIARY BATTERY - POWER MANAGEMENT CONTROL ECU) B2271

NG -- REPAIR OR REPLACE HARNESS OR CONNECTOR (AUXILIARY BATTERY - POWER MANAGEMENT CONTROL ECU)
OK -- Continue to next step.

2. CHECK HARNESS AND CONNECTOR (POWER MANAGEMENT CONTROL ECU - BODY GROUND) B2271

NG -- REPAIR OR REPLACE HARNESS OR CONNECTOR (POWER MANAGEMENT CONTROL ECU - BODY GROUND)
OK -- Continue to next step.

3. READ VALUE USING TECHSTREAM

(a) Reconnect the F52 connector to the power management control ECU.

(b) Turn the power switch off.

(c) Connect the Techstream to the DLC3.

(d) Turn the Techstream on.

(e) Turn on and off any of the door courtesy light switches repeatedly at 1.5-second intervals or less until communication between the Techstream and vehicle starts.

(f) Enter the following menus: Body Electrical / Power Source Control / Data List.

(g) Read the Data List according to the display on the Techstream.

Power Source Control





OK:

When more than 1 second elapses after the power switch is turned from off to on (IG), No is displayed in the Data List.

NG -- CHECK FOR DTC
OK -- Continue to next step.

4. READ VALUE USING TECHSTREAM

(a) Read the Data List according to the display on the Techstream.

Power Source Control





OK:

ON (power switch is pushed) and OFF (power switch is not pushed) appear on the screen.

NG -- CHECK POWER SWITCH
OK -- Continue to next step.

5. CHECK POWER MANAGEMENT CONTROL ECU

(a) Read the Data List according to the display on the Techstream.

Power Source Control





(b) Measure the voltage while checking the Data List on the Techstream.





Standard Voltage:





Text in Illustration





NG -- REPLACE POWER MANAGEMENT CONTROL ECU Removal
OK -- Continue to next step.

6. CONFIRMATION TEST

(a) Check that the power source mode becomes on (ACC) and on (IG) when the power switch is operated.

OK:

Power source mode becomes on (ACC) and on (IG) when the power switch is operated.

NG -- CHECK RELAY CONTACT SIDE CIRCUIT

OK -- USE SIMULATION METHOD TO CHECK How To Proceed With Troubleshooting

7. CHECK POWER SWITCH

(a) Remove the power switch Removal.





(b) Measure the resistance according to the value(s) in the table below.

Standard Resistance:





Text in Illustration





NG -- REPLACE POWER SWITCH Removal
OK -- Continue to next step.

8. CHECK HARNESS AND CONNECTOR (POWER SWITCH - POWER MANAGEMENT CONTROL ECU AND BODY GROUND)

(a) Disconnect the F52 connector from the power management control ECU.

(b) Measure the resistance according to the value(s) in the table below.

Standard Resistance:





NG -- REPAIR OR REPLACE HARNESS OR CONNECTOR (POWER SWITCH - POWER MANAGEMENT CONTROL ECU OR BODY GROUND)

OK -- REPLACE POWER MANAGEMENT CONTROL ECU Removal

9. CHECK FOR DTC

(a) Enter the following menus: Body Electrical / Power Source Control and Smart Access / DTC.

(b) Check for DTCs.

Result:





A -- GO TO OTHER FLOW CHART (Room Oscillator does not Recognize Key) Room Oscillator Does Not Recognize Key

B -- GO TO OTHER FLOW CHART B2287

C -- GO TO DIAGNOSTIC TROUBLE CODE CHART