Curiosii for ever!
: Car repair manuals for everyone.
Home
>>
Lexus
>>
2012
>>
ES 350 V6-3.5L (2GR-FE)
>>
Repair and Diagnosis
>>
Steering and Suspension
>>
Steering
>>
Steering Mounted Controls Assembly
>>
Service and Repair
>>
Audio / Visual
>>
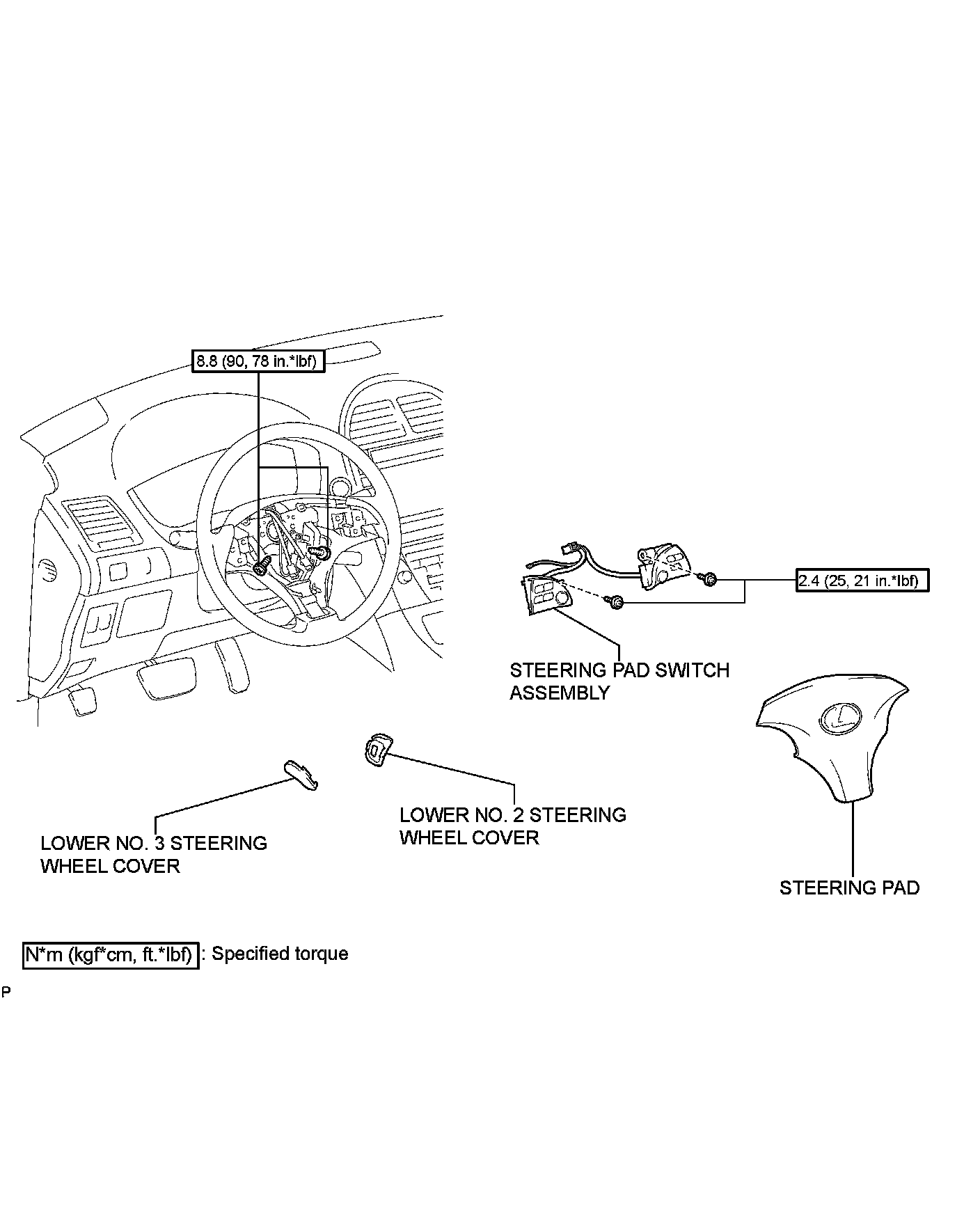
Components
Components
AUDIO / VISUAL: STEERING PAD SWITCH: COMPONENTS