Curiosii for ever!: Car repair manuals for everyone.

Removal





VEHICLE PROXIMITY NOTIFICATION SYSTEM: VEHICLE APPROACHING SPEAKER ECU: REMOVAL

1. REMOVE NO. 2 INSTRUMENT PANEL UNDER COVER SUB-ASSEMBLY Removal

2. REMOVE FRONT CONSOLE BOX

Removal

3. REMOVE SHIFT LEVER KNOB SUB-ASSEMBLY Removal

4. REMOVE INTEGRATION CONTROL AND PANEL ASSEMBLY Removal

5. REMOVE CONSOLE BOX INSERT Removal

6. REMOVE CONSOLE BOX LH Removal

7. REMOVE FRONT NO. 2 CONSOLE BOX INSERT Removal

8. REMOVE CONSOLE BOX RH Removal

9. REMOVE NO. 3 CONSOLE BOX MOUNTING BRACKET Removal

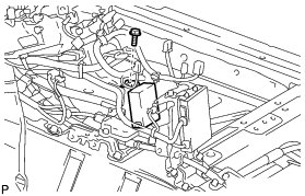
10. REMOVE VEHICLE APPROACHING SPEAKER CONTROLLER

(a) Disconnect the connector.

(b) Remove the bolt and vehicle approaching speaker controller.