Inspection
2ZR-FXE ENGINE CONTROL: INTEGRATION RELAY: INSPECTION
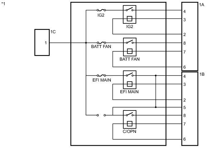
1. INSPECT NO. 2 INTEGRATION RELAY
Text in Illustration
(a) IG2 RELAY:
(1) Measure the resistance according to the value(s) in the table below.
Text in Illustration
Standard Resistance:
If the resistance is not as specified, replace the integration relay.
(b) BATT FAN RELAY:
(1) Measure the resistance according to the value(s) in the table below.
Text in Illustration
Standard Resistance:
If the resistance is not as specified, replace the integration relay.
(c) EFI MAIN RELAY:
(1) Measure the resistance according to the value(s) in the table below.
Text in Illustration
Standard Resistance:
If the resistance is not as specified, replace the integration relay.
(d) C/OPN RELAY:
(1) Measure the resistance according to the value(s) in the table below.
Text in Illustration
Standard Resistance:
If the resistance is not as specified, replace the integration relay.