Curiosii for ever!: Car repair manuals for everyone.

Part 1





NETWORKING: CAN COMMUNICATION SYSTEM: Check CAN Bus Lines for Short Circuit
- Check CAN Bus Lines for Short Circuit

DESCRIPTION

There may be a short circuit between the V1 bus main lines and/or CAN branch lines when the resistance between terminals 6 (CANH) and 14 (CANL) of the DLC3 is below 54 Ohms.





*1: w/ Navigation system (for DVD)

*2: w/ Navigation system (for HDD)

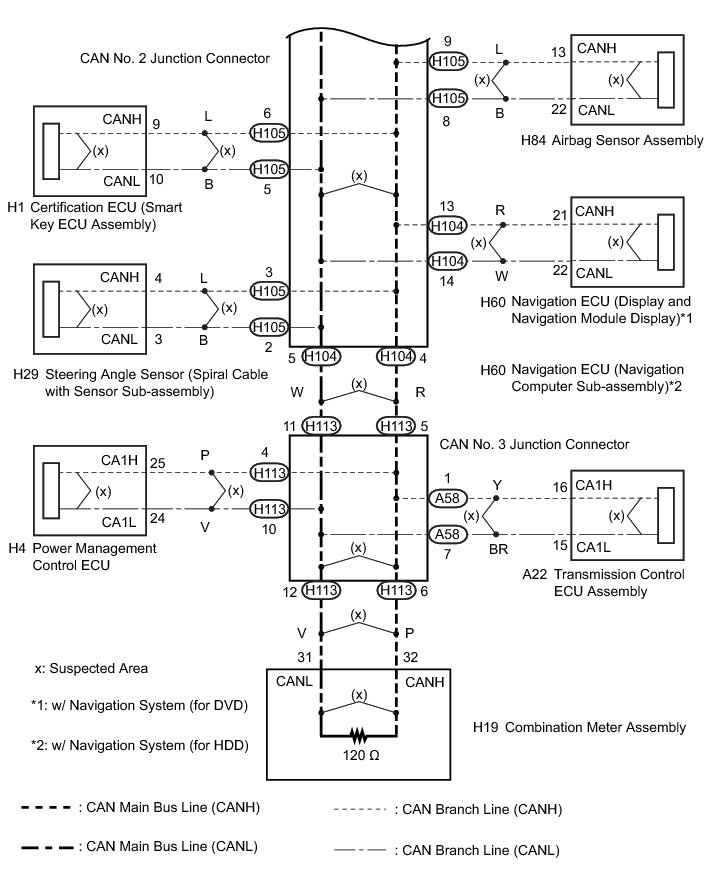
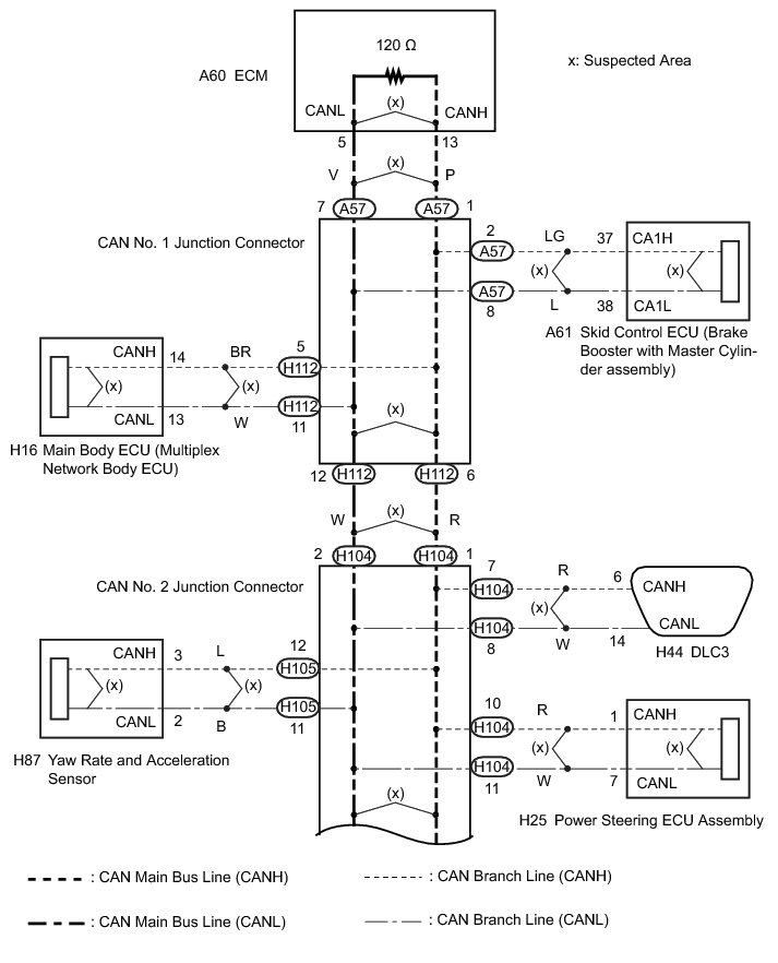
WIRING DIAGRAM









INSPECTION PROCEDURE

NOTICE:
* Turn the power switch off before measuring the resistances between CAN main bus lines and between CAN branch lines.
* Turn the power switch off before inspecting CAN bus lines for a ground short.
* After the power switch is turned off, check that the key reminder warning system and light reminder warning system are not operating.
* Before measuring the resistance, leave the vehicle as is for at least 1 minute and do not operate the power switch, any other switches or the doors. If any doors need to be opened in order to check connectors, open the doors and leave them open.

HINT
* Operating the power switch, any other switches or a door triggers related ECU and sensor communication on the CAN. This communication will cause the resistance value to change.
* Even after DTCs are cleared, if a DTC is stored again after driving the vehicle for a while, the malfunction may be occurring due to vibration of the vehicle. In such a case, wiggling the ECUs or wire harness while performing the inspection below may help determine the cause of the malfunction.

PROCEDURE

1. CHECK FOR SHORT IN CAN BUS LINES (ECM)

(a) Turn the power switch off.

(b) Disconnect the ECM connector.





(c) Measure the resistance according to the value(s) in the table below.

Standard Resistance:





Text in Illustration





NG -- CHECK FOR SHORT IN CAN BUS LINES (COMBINATION METER ASSEMBLY)

OK -- REPLACE ECM Removal

2. CHECK FOR SHORT IN CAN BUS LINES (COMBINATION METER ASSEMBLY)

(a) Reconnect the ECM connector.

(b) Disconnect the combination meter assembly connector.





(c) Measure the resistance according to the value(s) in the table below.

Standard Resistance:





Text in Illustration





NG -- CHECK FOR SHORT IN CAN BUS LINES (CAN NO. 2 J/C)

OK -- REPLACE COMBINATION METER ASSEMBLY Removal

3. CHECK FOR SHORT IN CAN BUS LINES (CAN NO. 2 J/C)

(a) Reconnect the combination meter assembly connector.

(b) Disconnect the wire harness connector from the CAN No. 2 junction connector rear side.





(c) Measure the resistance according to the value(s) in the table below.

Standard Resistance:





Text in Illustration





Result:





B -- CHECK FOR SHORT IN CAN BUS LINES (CAN NO. 2 J/C - CAN NO. 1 J/C)

C -- CHECK FOR SHORT IN CAN BUS LINES (CAN NO. 3 J/C - CAN NO. 2 J/C)

D -- REPAIR OR REPLACE CAN BRANCH LINE CONNECTED TO DLC3
A -- Continue to next step.

4. CHECK FOR SHORT IN CAN BUS LINES (CAN NO. 2 J/C - POWER STEERING ECU ASSEMBLY)

(a) Disconnect the power steering ECU assembly connector.

(b) Measure the resistance according to the value(s) in the table below.





Standard Resistance:





Text in Illustration





NG -- REPAIR OR REPLACE CAN BRANCH LINE OR CONNECTOR (CAN NO. 2 J/C - POWER STEERING ECU ASSEMBLY)
OK -- Continue to next step.

5. CHECK FOR SHORT IN CAN BUS LINES (CAN NO. 2 J/C - NAVIGATION ECU)

HINT
For vehicles without the navigation system, go to the next step.

(a) Disconnect the navigation ECU connector.

(b) Measure the resistance according to the value(s) in the table below.





Standard Resistance:





Text in Illustration





NG -- REPAIR OR REPLACE CAN BRANCH LINE OR CONNECTOR (CAN NO. 2 J/C - NAVIGATION ECU)
OK -- Continue to next step.