Curiosii for ever!: Car repair manuals for everyone.

Vehicle Speed Signal Circuit Between Stereo Component Amplifier and Combination Meter





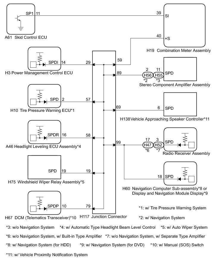
AUDIO / VIDEO: AUDIO AND VISUAL SYSTEM (w/ Navigation System): Vehicle Speed Signal Circuit between Stereo Component Amplifier and Combination Meter
- Vehicle Speed Signal Circuit between Stereo Component Amplifier and Combination Meter

DESCRIPTION

This circuit is necessary for the Automatic Sound Levelizer (ASL) built into the stereo component amplifier assembly.

Speed signals are received from the combination meter assembly and used for the ASL.

The ASL function automatically adjusts the radio system volume level in order to compensate for increased vehicle noise (vehicle noise tends to increase as vehicle speed increases). The ASL adjusts the volume level based upon vehicle speed signals that it receives from the combination meter assembly.

HINT
* A voltage of 12 V or 5 V is output from each ECU and then input to the combination meter assembly. The signal is changed to a pulse signal at the transistor in the combination meter assembly. Each ECU controls the respective system based on the pulse signal.
* If a short occurs in any of the ECUs or in the wire harness connected to an ECU, all systems in the following diagram will not operate normally.

WIRING DIAGRAM





INSPECTION PROCEDURE

PROCEDURE

1. INSPECT COMBINATION METER ASSEMBLY (OUTPUT WAVEFORM)

(a) Check the output waveform.





(1) Remove the combination meter assembly with the connector still connected.

(2) Connect an oscilloscope to terminal H19-40 (+S) and body ground.

(3) Turn the power switch on (IG).

(4) Turn a wheel slowly.

(5) Check the signal waveform according to the condition(s) in the table below.





OK:

The waveform is similar to that shown in the illustration.

HINT
When the system is functioning normally, one wheel revolution generates 4 pulses. As the vehicle speed increases, the width indicated by (A) in the illustration narrows.

Text in Illustration





NG -- GO TO METER / GAUGE SYSTEM Speed Signal Circuit
OK -- Continue to next step.

2. CHECK HARNESS AND CONNECTOR

(a) Disconnect the stereo component amplifier assembly and combination meter assembly connectors.

(b) Measure the resistance according to the value(s) in the table below.

Standard Resistance:





NG -- CHECK HARNESS AND CONNECTOR (STEREO COMPONENT AMPLIFIER ASSEMBLY - JUNCTION CONNECTOR)

OK -- REPLACE STEREO COMPONENT AMPLIFIER ASSEMBLY Removal

3. CHECK HARNESS AND CONNECTOR (STEREO COMPONENT AMPLIFIER ASSEMBLY - JUNCTION CONNECTOR)

(a) Disconnect the stereo component amplifier assembly connector and junction connector.

(b) Measure the resistance according to the value(s) in the table below.

Standard Resistance:





NG -- REPAIR OR REPLACE HARNESS OR CONNECTOR

OK -- REPLACE JUNCTION CONNECTOR