Curiosii for ever!: Car repair manuals for everyone.

Display Does Not Dim When Light Control Switch Is Turned on





NAVIGATION / MULTI INFO DISPLAY: NAVIGATION SYSTEM (for DVD): Display does not Dim when Light Control Switch is Turned ON
- Display does not Dim when Light Control Switch is Turned ON

DESCRIPTION

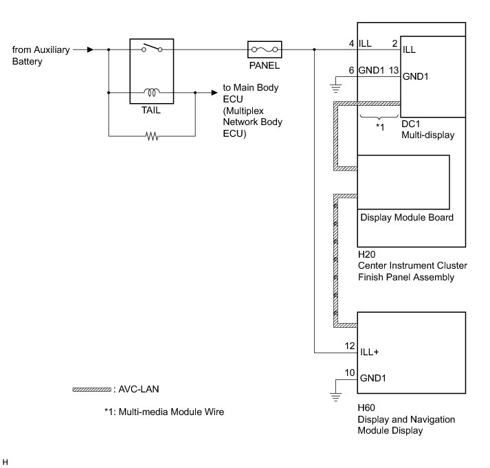
When the navigation system is activated with the light control switch in the tail or head position, before AVC-LAN communication is established, the multi-display dims the display according to the illumination signal received via a direct line.

After AVC-LAN communication is established, the multi-display dims the display according to a dimmer signal sent via AVC-LAN communication.

The display and navigation module display switches between the daytime screen and night screen on the multi-display according to the illumination signal input.

WIRING DIAGRAM





INSPECTION PROCEDURE

NOTICE:
Inspect the fuse for circuits related to this system before performing the following inspection procedure.

PROCEDURE

1. CONFIRM SYMPTOMS

(a) Check the symptoms that occur by viewing the display.

Result:





HINT
* When the navigation system is activated with the light control switch in the tail or head position, before AVC-LAN communication is established, the multi-display dims the display according to the illumination signal received via a direct line.
* After AVC-LAN communication is established, the multi-display dims the display according to a dimmer signal sent via AVC-LAN communication.
* The display and navigation module display switches between the daytime screen and night screen on the multi-display according to the illumination signal input.

B -- CHECK IMAGE QUALITY SETTING

C -- GO TO LIGHTING SYSTEM How To Proceed With Troubleshooting
A -- Continue to next step.

2. CHECK HARNESS AND CONNECTOR (ILLUMINATION SIGNAL)

(a) Disconnect the H20 multi-media module wire connector.

(b) Measure the resistance according to the value(s) in the table below.

Standard Resistance:





(c) Measure the voltage according to the value(s) in the table below.

Standard Voltage:





NG -- REPAIR OR REPLACE HARNESS OR CONNECTOR
OK -- Continue to next step.

3. INSPECT MULTI-MEDIA MODULE WIRE

(a) Disconnect the H20 multi-media module wire connector.





(b) Disconnect the DC1 multi-media module wire connector.





(c) Measure the resistance according to the value(s) in the table below.

Standard Resistance:





Text in Illustration





NG -- REPLACE MULTI-MEDIA MODULE WIRE Disassembly

OK -- PROCEED TO NEXT SUSPECTED AREA SHOWN IN PROBLEM SYMPTOMS TABLE Problem Symptoms Table

4. CHECK IMAGE QUALITY SETTING

(a) Press the "DISP" switch on the remote touch.





(b) Turn the light control switch to the tail position.

(c) Check if "Day mode" on the display adjustment screen is on.

Result:





Text in Illustration





B -- CHECK VEHICLE SIGNAL (ILLUMINATION SIGNAL)

A -- TURN "Day mode" SETTING OFF

5. CHECK VEHICLE SIGNAL (ILLUMINATION SIGNAL)

(a) Enter the "Vehicle Signal Check Mode" screen. Refer to Check Vehicle Signal in Operation Check Operation Check.





(b) Check that the display changes between ON and OFF according to the light control switch operation.

OK:





HINT
The display is updated once per second. It is normal for the display to lag behind the actual switch operation.

NG -- CHECK HARNESS AND CONNECTOR (ILLUMINATION SIGNAL)

OK -- PROCEED TO NEXT SUSPECTED AREA SHOWN IN PROBLEM SYMPTOMS TABLE Problem Symptoms Table

6. CHECK HARNESS AND CONNECTOR (ILLUMINATION SIGNAL)

(a) Disconnect the H60 display and navigation module display connector.

(b) Measure the resistance according to the value(s) in the table below.

Standard Resistance:





(c) Measure the voltage according to the value(s) in the table below.

Standard Voltage:





NG -- REPAIR OR REPLACE HARNESS OR CONNECTOR

OK -- PROCEED TO NEXT SUSPECTED AREA SHOWN IN PROBLEM SYMPTOMS TABLE Problem Symptoms Table