Curiosii for ever!: Car repair manuals for everyone.

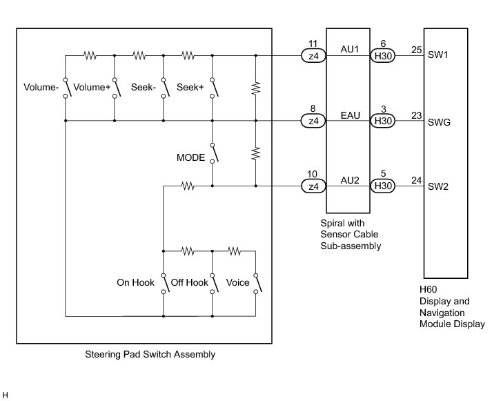
Steering Pad Switch Circuit





NAVIGATION / MULTI INFO DISPLAY: NAVIGATION SYSTEM (for DVD): Steering Pad Switch Circuit
- Steering Pad Switch Circuit

DESCRIPTION

This circuit sends an operation signal from the steering pad switch assembly to the display and navigation module display.

If there is an open in this circuit, the navigation system cannot be operated using the steering pad switch assembly.

If there is a short in this circuit, the resulting condition is the same condition as when a switch is continuously depressed. Therefore, the display and navigation module display cannot be operated using the steering pad switch assembly, and the display and navigation module display itself cannot function.

WIRING DIAGRAM





INSPECTION PROCEDURE

NOTICE:
The vehicle is equipped with a Supplemental Restraint System (SRS). Before servicing (including removal or installation of parts), be sure to read Precaution for Supplemental Restraint System Service Precautions.

PROCEDURE

1. CHECK HARNESS AND CONNECTOR (STEERING PAD SWITCH SIGNAL)

(a) Disconnect the H60 display and navigation module display connector.

(b) Measure the resistance according to the value(s) in the table below.

Standard Resistance:





NG -- INSPECT SPIRAL WITH SENSOR CABLE SUB-ASSEMBLY

OK -- PROCEED TO NEXT SUSPECTED AREA SHOWN IN PROBLEM SYMPTOMS TABLE Problem Symptoms Table

2. INSPECT SPIRAL WITH SENSOR CABLE SUB-ASSEMBLY

(a) Disconnect the z4 steering pad switch assembly and H30 spiral with sensor cable sub-assembly connectors.





(b) Measure the resistance according to the value(s) in the table below.

Standard Resistance:





(c) After setting the spiral with sensor cable sub-assembly to the center position, rotate the spiral with sensor cable sub-assembly 2.5 times clockwise. Then while rotating the spiral with sensor cable sub-assembly 5 times counterclockwise, measure the resistance as shown in the table below.

Standard Resistance:





NOTICE:
* The spiral with sensor cable sub-assembly is an important part of the SRS airbag system. Incorrect removal or installation of the spiral with sensor cable sub-assembly may prevent the airbag from deploying. Refer to the pages shown in the brackets.
* As the spiral with sensor cable sub-assembly may break, do not rotate the spiral with sensor cable with sensor sub-assembly more than the specified amount.

HINT
* Removal Removal
* Installation Installation

Text in Illustration





NG -- REPLACE SPIRAL WITH SENSOR CABLE SUB-ASSEMBLY Removal
OK -- Continue to next step.

3. INSPECT STEERING PAD SWITCH ASSEMBLY

(a) Disconnect the z4 steering pad switch assembly connector.





(b) Measure the resistance according to the value(s) in the table below.

Standard Resistance:





Text in Illustration





NG -- REPLACE STEERING PAD SWITCH ASSEMBLY Removal

OK -- REPAIR OR REPLACE HARNESS OR CONNECTOR