Curiosii for ever!: Car repair manuals for everyone.

Disassembly





NAVIGATION / MULTI INFO DISPLAY: MULTI-DISPLAY: DISASSEMBLY

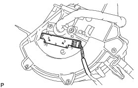
1. REMOVE DISPLAY MODULE BOARD

(a) Disengage the 4 claws and remove the lower center instrument cover.





(b) Disconnect the 2 connectors.





(c) Remove the 2 screws and display module board.





2. REMOVE INSTRUMENT CLUSTER FINISH PANEL COVER

(a) Remove the 5 screws and instrument cluster finish panel cover.





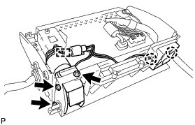
3. REMOVE SENSOR WIRE

(a) Peel back the tape used to secure the wire harness only enough to allow removal of the wire harness.





Text in Illustration





HINT
Tape is not available as a supply part. As the tape will be reused, peel back the tape only enough to allow removal and installation of the wire harness.

(b) Disengage the 2 clamps.

(c) Remove the screw.





(d) Disengage the 3 claws and remove the sensor wire cover.

(e) Remove the sensor wire.





4. REMOVE NO. 3 INSTRUMENT PANEL FINISH PANEL RETAINER

(a) Disconnect the 2 claws and disengage the 2 clamps.





(b) Remove the screw and disengage the clamp.





(c) Remove the 3 screws and No. 3 instrument panel finish panel retainer.





5. REMOVE NO. 2 INSTRUMENT PANEL FINISH PANEL RETAINER

(a) Remove the 5 screws, No. 2 instrument panel finish panel retainer and No. 1 instrument panel finish panel retainer.





6. REMOVE INSTRUMENT PANEL REGISTER CONTROL GEAR

(a) Remove the instrument panel register control gear.





7. REMOVE UPPER INSTRUMENT CLUSTER FINISH PANEL

(a) Remove the 2 tapes.





(b) Remove the 4 screws.





(c) Disengage the 4 guides and remove the upper instrument cluster finish panel as shown in the illustration.





8. REMOVE MULTI-DISPLAY CONTROLLER SUB-ASSEMBLY

(a) Remove the 2 tapes.





(b) Disengage the 2 claws and clamp.





(c) Remove the 3 screws and multi-display controller sub-assembly.

9. REMOVE MULTI-DISPLAY ASSEMBLY

(a) Remove the 4 screws and multi-display assembly.





10. REMOVE MULTI-MEDIA MODULE WIRE

(a) Disconnect the 2 connectors.





(b) Disengage the clamp and remove the multi-media module wire.

11. REMOVE NO. 2 EARTH WIRE

(a) Remove the screw and No. 2 earth wire.





12. REMOVE MULTI-DISPLAY CONTROLLER BRACKET A

(a) Remove the 2 screws and multi-display controller bracket A.





13. REMOVE MULTI-DISPLAY CONTROLLER BRACKET B

(a) Remove the screw and multi-display controller bracket B.





14. REMOVE MULTI-DISPLAY