Curiosii for ever!: Car repair manuals for everyone.

Power Source Mode Does Not Change to ON (READY)





THEFT DETERRENT / KEYLESS ENTRY: SMART ACCESS SYSTEM WITH PUSH-BUTTON START (for Start Function): Power Source Mode does not Change to ON (READY)
- Power Source Mode does not Change to ON (READY)

DESCRIPTION

When the electronic key is in the cabin and the power switch is pressed, the power management control ECU receives a signal and changes the power source mode. In addition, when the power switch is pressed with park (P) selected and the brake pedal depressed, the hybrid system turns on (READY).

HINT
* When the power management control ECU is replaced with a new one and the cable is connected to the negative (-) auxiliary battery terminal, the power source mode changes to on (IG).
* When the auxiliary battery cable is disconnected and reconnected, the power source returns to the mode it was in before the auxiliary battery cable was disconnected.

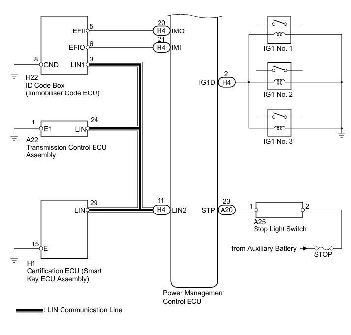
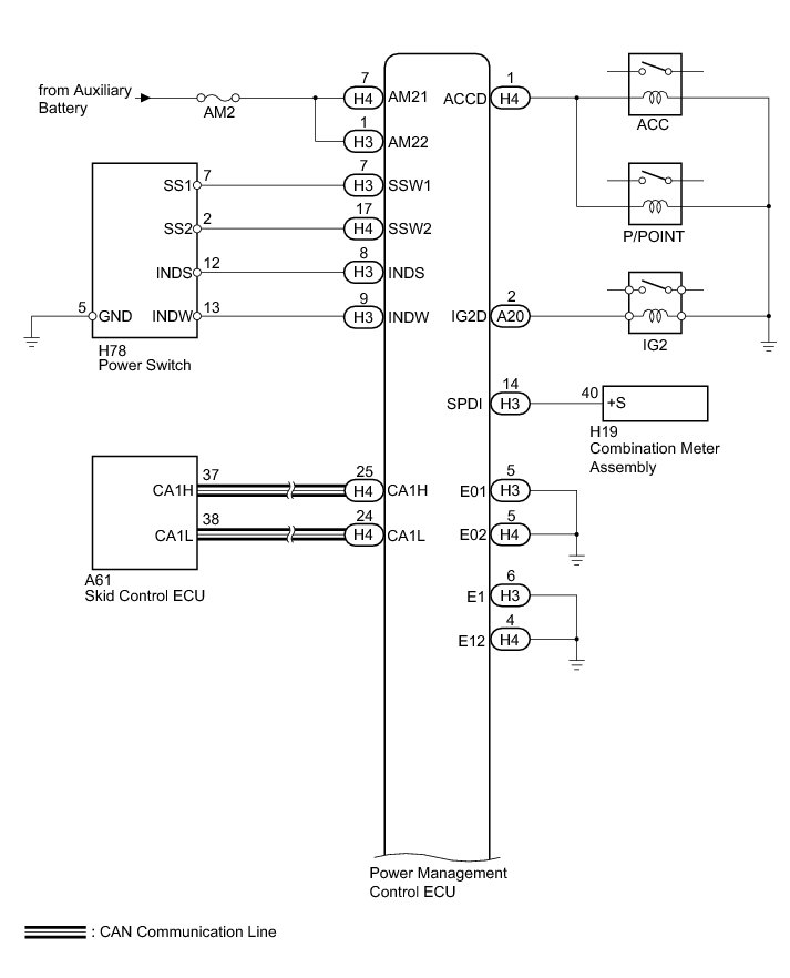
WIRING DIAGRAM









INSPECTION PROCEDURE

NOTICE:
* Inspect the fuses for circuits related to this system before performing the following inspection procedure.
* When using the Techstream with the power switch off, perform either of the following: 1) Turn a courtesy light switch on and off at intervals of 1.5 seconds or less until communication between the Techstream and vehicle begins, or 2) connect the Techstream to the vehicle, select the vehicle type under manual mode, and then enter the following menus:
for Hybrid Control: Powertrain / Hybrid Control / Trouble Codes.
for Power Source Control: Body Electrical / Power Source Control / Trouble Codes.
for Smart Access: Body Electrical / Smart Access / Trouble Codes.
* The smart access system with push-button start uses multiplex communication. First perform the inspections in "How to Proceed with Troubleshooting" to confirm that there are no communication malfunctions before proceeding with troubleshooting How to Proceed With Troubleshooting.
* If the smart access system with push-button start is disabled through the customize function, enable the system before performing troubleshooting Smart Access System With Push-Button Start (For Start Function).
* Inspect the fuses of circuits related to this system before performing the following inspection procedure.
* When replacing the certification ECU (smart key ECU assembly) or ID code box, registration must be performed Engine Immobilizer System.
* After completing repairs, confirm that the problem does not occur.

HINT

Related Data List and Active Test Items










PROCEDURE

1. CHECK HYBRID SYSTEM READY ON

(a) Place the electrical key on the driver seat.

(b) Depress the brake pedal.

(c) Check that the power switch indicator light is green. Then press the power switch to check if the hybrid system turns on (READY).

OK:

Power source mode becomes on (READY).

NG -- CHECK FOR DTC

OK -- END (HYBRID SYSTEM PERMISSION CONDITIONS WERE NOT SATISFIED)

2. CHECK FOR DTC

(a) Turn the power switch off.

(b) Connect the Techstream to the DLC3.

(c) Turn the power switch on (IG).

(d) Turn the Techstream on.

(e) Enter the following menus: Powertrain / Hybrid Control / Trouble Codes.

(f) Enter the following menus: Body Electrical / Power Source Control / Trouble Codes.

(g) Check for DTCs.

Result:





B -- GO TO HYBRID CONTROL SYSTEM (DIAGNOSTIC TROUBLE CODE CHART) Hybrid Control System

C -- GO TO SMART ACCESS SYSTEM WITH PUSH-BUTTON START (for Start Function) Smart Access System With Push-Button Start (For Start Function)
A -- Continue to next step.

3. CHECK POWER SOURCE CONDITION

(a) Check the power source mode change.

(1) When the key is inside the vehicle and the park (P) is selected, check that pressing the power switch causes the power source mode to change.

Result:





B -- GO TO OTHER FLOW CHART (Power Source Mode does not Change to ON (IG and ACC)) Power Source Mode Does Not Change to ON (IG and ACC)

C -- GO TO OTHER FLOW CHART (Power Source Mode does not Change to ON (IG)) Power Source Mode Does Not Change to ON (IG)

D -- GO TO OTHER FLOW CHART (Power Source Mode does not Change to ON (ACC)) Power Source Mode Does Not Change to ON (ACC)
A -- Continue to next step.

4. READ VALUE USING TECHSTREAM (STOP LIGHT SWITCH ASSEMBLY)

(a) Read the Data List according to the display on the Techstream.

Hybrid Control





OK:

ON (brake pedal is depressed) and OFF (brake pedal is released) appear on the screen.

NG -- INSPECT STOP LIGHT SWITCH ASSEMBLY
OK -- Continue to next step.

5. READ VALUE USING TECHSTREAM (L CODE)

(a) Enter the following menus: Body Electrical / Smart Access / Data List.

(b) Read the Data List according to the display on the Techstream.

Smart Access





OK:

OK appears on the screen.

NG -- REPLACE TRANSMISSION CONTROL ECU ASSEMBLY
OK -- Continue to next step.

6. READ VALUE USING TECHSTREAM (ENGINE START REQUEST)

(a) Read the Data List according to the display on the Techstream.

Smart Access





OK:

OK appears on the screen.

Result:





B -- REPLACE TRANSMISSION CONTROL ECU ASSEMBLY
A -- Continue to next step.

7. READ VALUE USING TECHSTREAM (S CODE)

(a) Read the Data List according to the display on the Techstream.

Smart Access





OK:

OK appears on the screen.

NG -- REPLACE CERTIFICATION ECU (SMART KEY ECU ASSEMBLY)
OK -- Continue to next step.

8. CHECK ID CODE BOX (IMMOBILISER CODE ECU)

(a) Measure the voltage according to the value(s) in the table below.





Text in Illustration





(1) Waveform 1





Text in Illustration





Measurement Condition





(2) Waveform 2





Text in Illustration





Measurement Condition





OK:

The waveform is displayed as shown in illustration.

NG -- REPLACE ID CODE BOX (IMMOBILISER CODE ECU) Removal
OK -- Continue to next step.

9. READ VALUE USING TECHSTREAM

(a) Enter the following menus: Body Electrical / Power Source Control / Data List.

(b) Read the Data List according to the display on the Techstream.

Power Source Control





OK:

Data List display changes when the power switch is operated.

NG -- REPLACE POWER MANAGEMENT CONTROL ECU Removal

OK -- GO TO HYBRID CONTROL SYSTEM How to Proceed With Troubleshooting

10. INSPECT STOP LIGHT SWITCH ASSEMBLY B2284

NG -- REPLACE STOP LIGHT SWITCH ASSEMBLY Removal
OK -- Continue to next step.

11. CHECK HARNESS AND CONNECTOR (POWER MANAGEMENT CONTROL ECU - STOP LIGHT SWITCH ASSEMBLY)

(a) Disconnect the A20 connector from the power management control ECU.

(b) Measure the resistance according to the value(s) in the table below.

Standard Resistance:





NG -- REPAIR OR REPLACE HARNESS OR CONNECTOR

OK -- REPLACE POWER MANAGEMENT CONTROL ECU Removal

12. REPLACE TRANSMISSION CONTROL ECU ASSEMBLY

(a) Replace transmission control ECU assembly Removal.

NEXT -- Continue to next step.

13. CHECK HYBRID SYSTEM READY ON

(a) Place the electrical key on the driver seat.

(b) Depress the brake pedal.

(c) Check that the power switch indicator light is green. Then press the power switch to check if the hybrid system turns on (READY).

OK:

Power source mode becomes on (READY).

Result:





B -- REPLACE ID CODE BOX (IMMOBILISER CODE ECU) Removal

A -- END (TRANSMISSION CONTROL ECU WAS DEFECTIVE)

14. REPLACE CERTIFICATION ECU (SMART KEY ECU ASSEMBLY)

(a) Replace the certification ECU (smart key ECU assembly) Removal.

NEXT -- Continue to next step.

15. CHECK HYBRID SYSTEM READY ON

(a) Place the electrical key on the driver seat.

(b) Depress the brake pedal.

(c) Check that the power switch indicator light is green. Then press the power switch to check if the hybrid system turns on (READY).

OK:

Power source mode becomes on (READY).

NG -- REPLACE ID CODE BOX (IMMOBILISER CODE ECU) Removal

OK -- END (CERTIFICATION ECU (SMART KEY ECU ASSEMBLY) WAS DEFECTIVE) Smart Access System With Push-Button Start (For Start Function)