Curiosii for ever!
: Car repair manuals for everyone.
Home
>>
Lexus
>>
2012
>>
CT 200h L4-1.8L (2ZR-FXE) Hybrid
>>
Repair and Diagnosis
>>
Accessories and Optional Equipment
>>
Antitheft and Alarm Systems
>>
Description and Operation
>>
Smart Access System With Push-Button Start (For Start Function)
>>
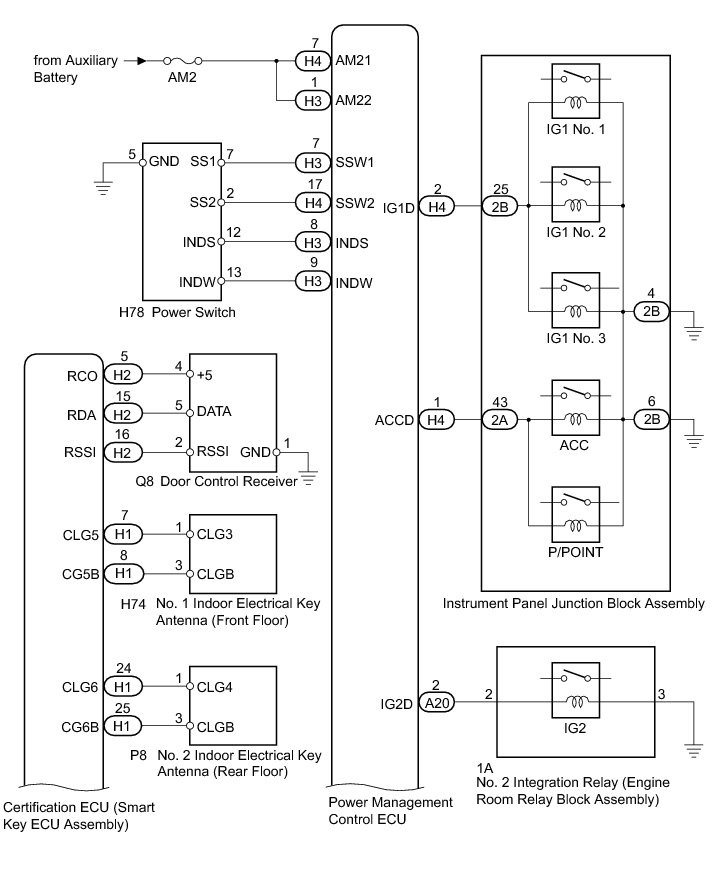
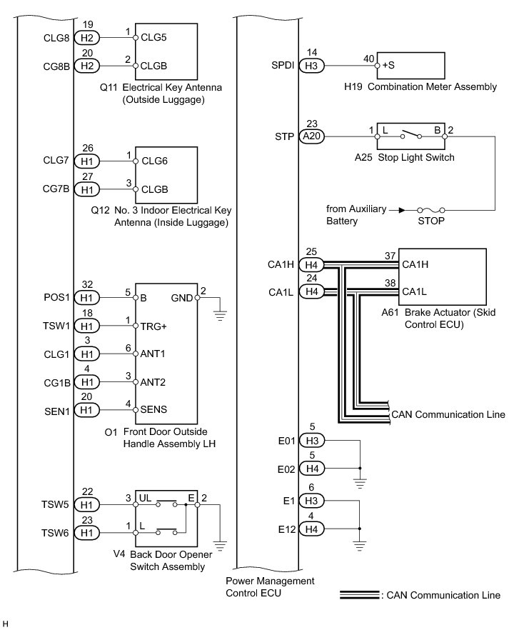
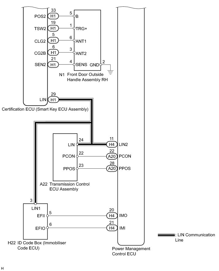
System Diagram
System Diagram
THEFT DETERRENT /
KEYLESS ENTRY
: SMART ACCESS SYSTEM WITH PUSH-BUTTON START (for Start Function): SYSTEM DIAGRAM