Stereo Component Amplifier Power Source Circuit
AUDIO / VISUAL: AUDIO AND VISUAL SYSTEM (w/o Multi-display): Stereo Component Amplifier Power Source Circuit
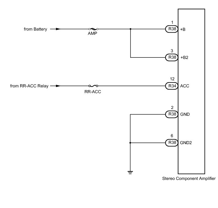
- Stereo Component Amplifier Power Source Circuit
DESCRIPTION
This circuit provides power to the stereo component amplifier.
WIRING DIAGRAM
INSPECTION PROCEDURE
PROCEDURE
1. INSPECT FUSE (RR-ACC)
(a) Disconnect the RR-ACC fuse from the luggage room junction block.
(b) Measure the resistance of the fuse.
Standard resistance:
NG -- REPLACE FUSE
OK -- Continue to next step.
2. CHECK HARNESS AND CONNECTOR (STEREO COMPONENT AMPLIFIER - BATTERY AND BODY GROUND)
(a) Disconnect the R34 and R38 amplifier connectors.
(b) Measure the voltage according to the value(s) in the table below.
Standard voltage:
(c) Measure the resistance according to the value(s) in the table below.
Standard resistance:
NG -- REPAIR OR REPLACE HARNESS OR CONNECTOR
OK -- PROCEED TO NEXT INSPECTION PROCEDURE SHOWN IN PROBLEM SYMPTOMS TABLE Problem Symptoms Table