Curiosii for ever!: Car repair manuals for everyone.

Integration Control and Panel Assembly Communication Error





AUDIO / VISUAL: AUDIO AND VISUAL SYSTEM (w/o Multi-display): Integration Control and Panel Assembly Communication Error
- Integration Control and Panel Assembly Communication Error

INSPECTION PROCEDURE

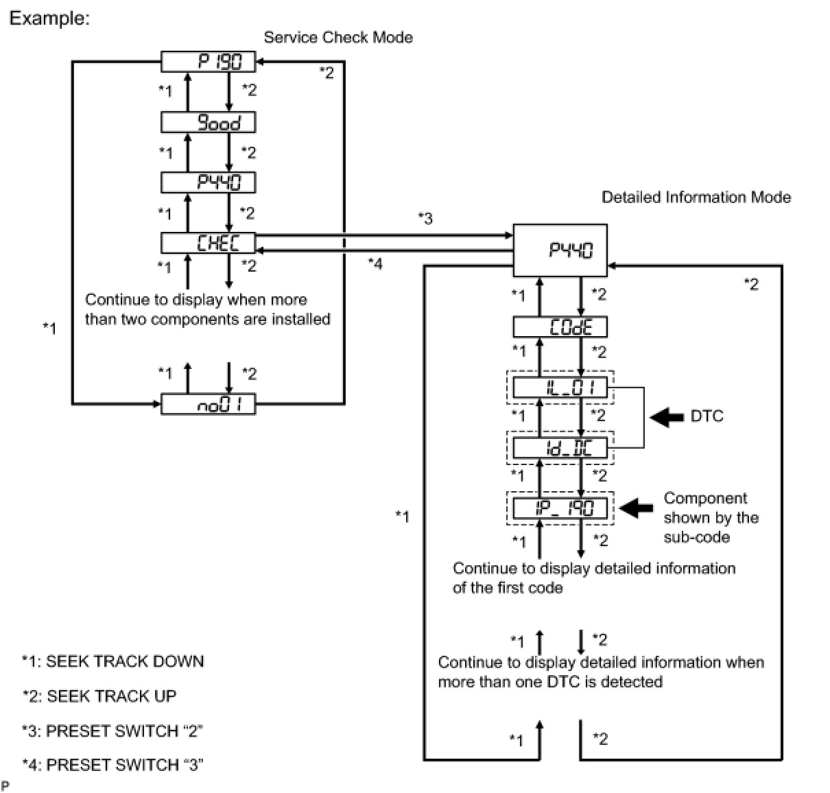
PROCEDURE

1. IDENTIFY COMPONENT SHOWN BY SUB-CODE

(a) Enter the diagnostic mode.





(b) Press the preset switch "2" to change to "Detailed Information Mode".

(c) Identify the component shown by the sub-code.

HINT
* "190 (radio receiver)" is the component shown by the sub-code in the example shown in the illustration.
* For details of the DTC display, refer to the "DTC CHECK/CLEAR" Audio and Visual System (w/o Multi-Display).

NEXT -- Continue to next step.

2. CHECK POWER SOURCE CIRCUIT OF COMPONENT SHOWN BY SUB-CODE

(a) Inspect the power source circuit of the component shown by the sub-code.

If the power source circuit is operating normally, proceed to the next step.

Component table





NEXT -- Continue to next step.

3. INSPECT RADIO RECEIVER ASSEMBLY

(a) Disconnect the L51 and L52 receiver connectors.





(b) Measure the resistance according to the value(s) in the table below.

Standard resistance:





NG -- REPLACE RADIO RECEIVER ASSEMBLY Removal
OK -- Continue to next step.

4. CHECK HARNESS AND CONNECTOR (INTEGRATION CONTROL AND PANEL ASSEMBLY - COMPONENT SHOWN BY SUB-CODE)

HINT
* Start the check from the circuit that is near the component shown by the sub-code first.
* For details of the connectors, refer to the "Terminals of ECU" Audio and Visual System (w/o Multi-Display).

(a) Referring to the AVC-LAN wiring diagram, check the AVC-LAN circuit between the integration control and panel assembly and the component shown by the sub-code.

(1) Check for an open or short in the AVC-LAN circuit between the integration control and panel assembly and the component shown by the sub-code.

OK:

There is no open or short circuit.





NG -- REPAIR OR REPLACE HARNESS OR CONNECTOR
OK -- Continue to next step.

5. REPLACE COMPONENT SHOWN BY SUB-CODE

(a) Replace the component shown by the sub-code with a normal one and check if the same problem occurs again.

OK:

Same problem does not occur.

NG -- REPLACE INTEGRATION CONTROL AND PANEL ASSEMBLY Removal

OK -- END