Curiosii for ever!
: Car repair manuals for everyone.
Home
>>
Lexus
>>
2011
>>
LS 460 AWD V8-4.6L (1UR-FSE)
>>
Repair and Diagnosis
>>
Starting and Charging
>>
Starting System
>>
Description and Operation
>>
Starting System
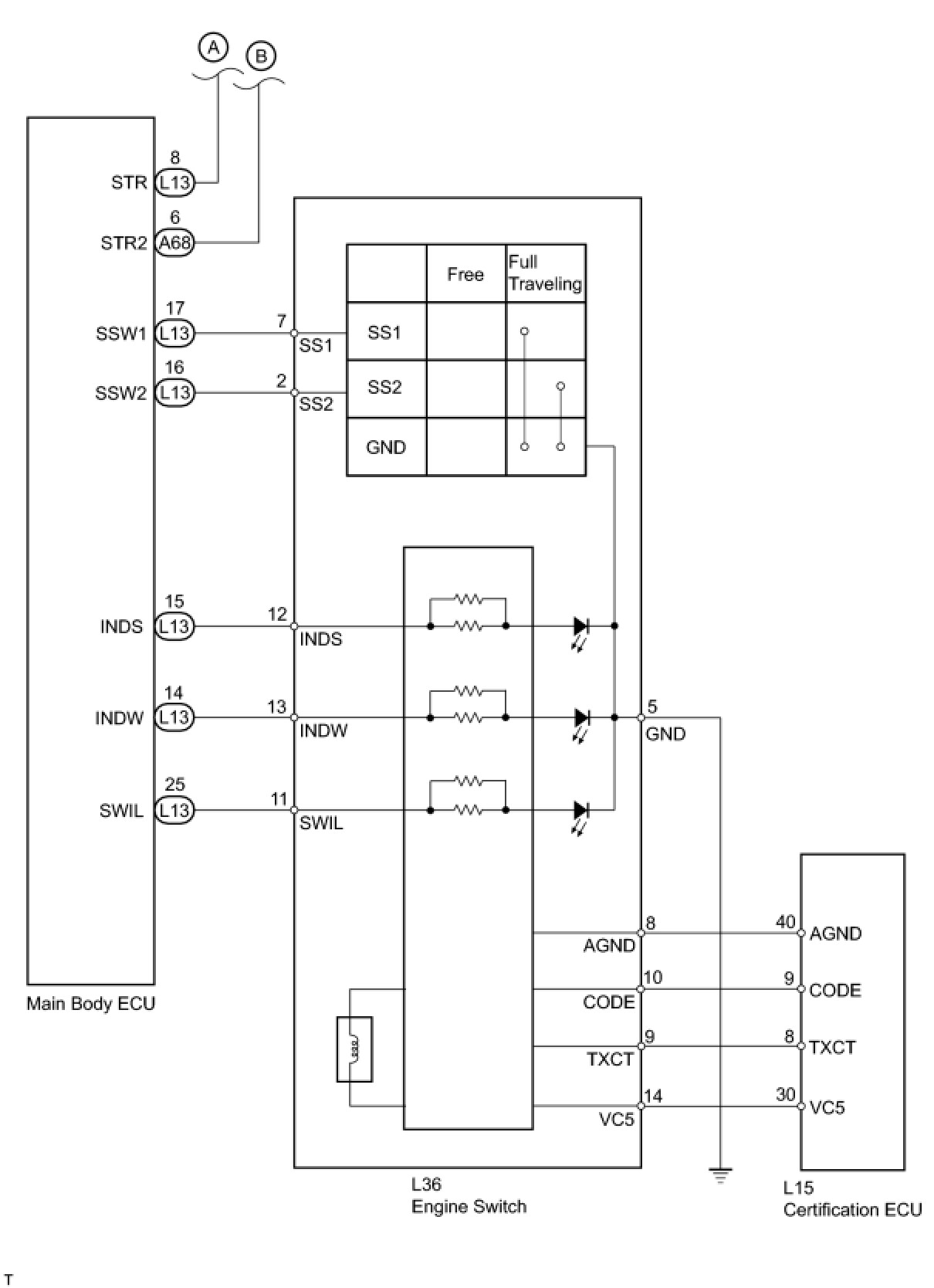
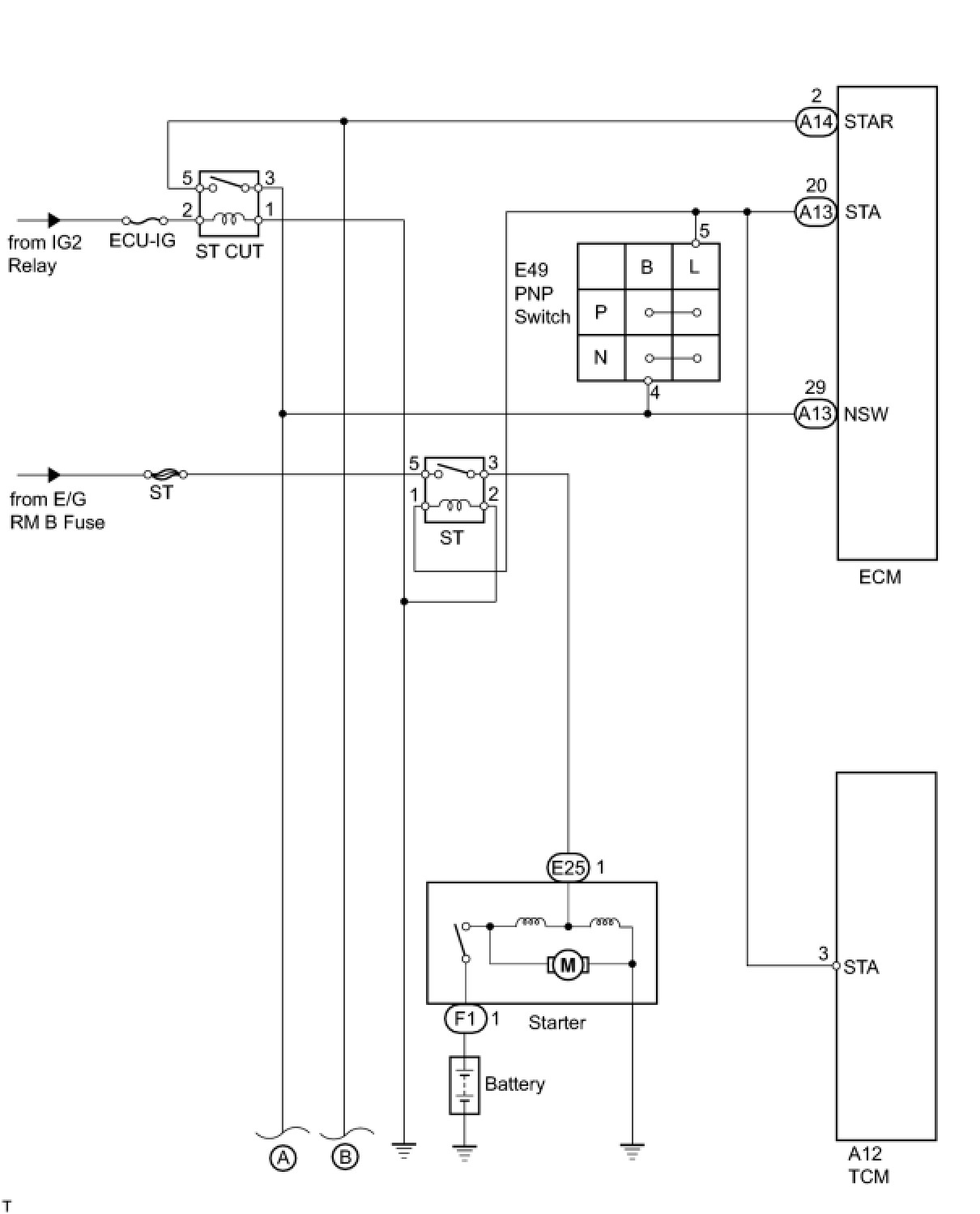
Starting System
1UR-FSE STARTING:
STARTING SYSTEM
: SYSTEM DIAGRAM