Curiosii for ever!
: Car repair manuals for everyone.
Home
>>
Lexus
>>
2011
>>
LS 460 AWD V8-4.6L (1UR-FSE)
>>
Repair and Diagnosis
>>
Relays and Modules
>>
Relays and Modules - Cooling System
>>
Radiator Cooling Fan Control Module
>>
Locations
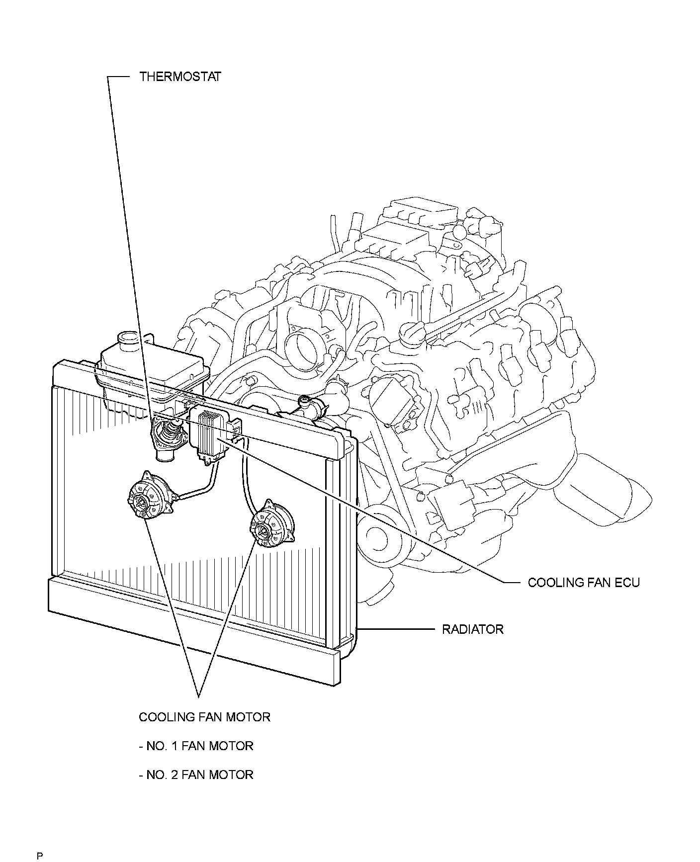
Radiator Cooling Fan Control Module: Locations
1UR-FSE COOLING: COOLING SYSTEM: PARTS LOCATION