Curiosii for ever!: Car repair manuals for everyone.

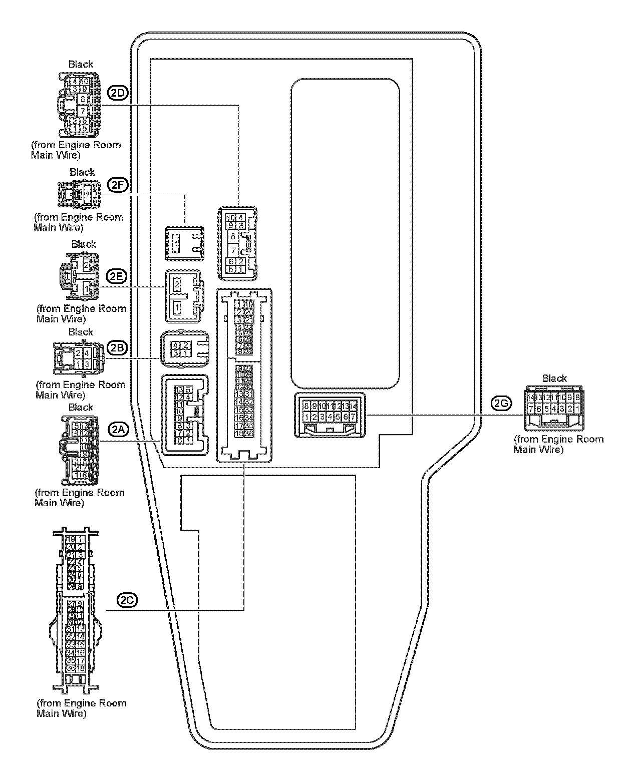
Fuse Block

Engine Room R/B, J/B No.1 - Engine Compartment Right:




Engine Room R/B, J/B No.2 - Engine Compartment Right:




Driver Side J/B - Cowl Side Left:




Driver Side J/B - Cowl Side Left:




Driver Side J/B - Cowl Side Left:




Passenger Side J/B - Cowl Side Right:




Passenger Side J/B - Cowl Side Right:




Passenger Side J/B - Cowl Side Right:




Luggage Room J/B - Luggage Room Left:




Luggage Room J/B - Luggage Room Left:




Luggage Room J/B - Luggage Room Left:




J/B No.3 - Instrument Panel Center:




J/B No.4 - Instrument Panel Center:




J/B No.5 - Instrument Panel Center:




Junction Connector (CAN) - Luggage Room Right: