Curiosii for ever!: Car repair manuals for everyone.

Cruise Control Switch Circuit





CRUISE CONTROL: DYNAMIC RADAR CRUISE CONTROL SYSTEM: Cruise Control Switch Circuit
- Cruise Control Switch Circuit

DESCRIPTION

The cruise control switch operates 8 functions: SET, COAST, TAP-DOWN, RESUME, ACCEL, TAP-UP, CANCEL and MODE. The SET, TAP-DOWN and COAST functions, and the RESUME, TAP-UP and ACCEL functions are operated with the same switch. The cruise control switch is an automatic return type switch which turns on only while operating it in each arrow direction and turns off after releasing it. The internal contact point of the cruise control switch is turned on with the switch operation. The driving support ECU then reads the resistance value that has been changed by the switch operation to control MODE, SET, COAST, RESUME, ACCEL and CANCEL. The dynamic radar cruise control system has two cruise control modes: the constant speed control mode and vehicle-to-vehicle distance control mode.

HINT
* The vehicle-to-vehicle distance control mode is always selected when starting up the dynamic radar cruise control system.
* The operation of the constant speed control mode is the same as the cruise control system.

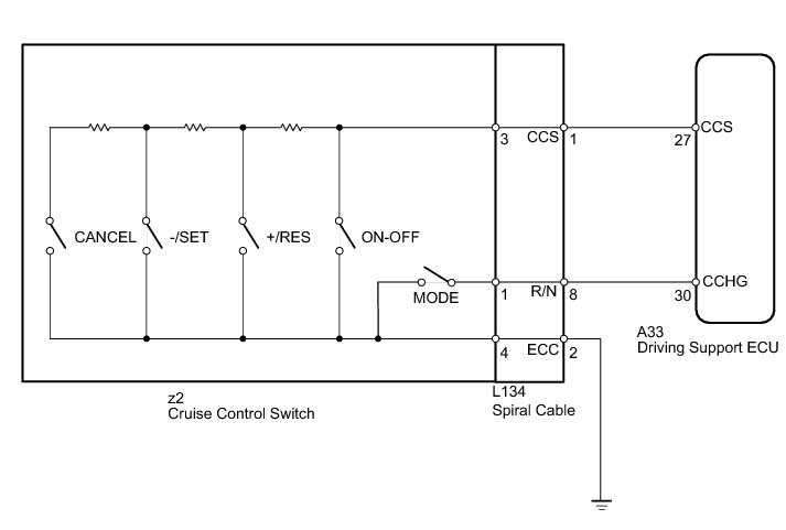
WIRING DIAGRAM





INSPECTION PROCEDURE

PROCEDURE

1. READ VALUE USING TECHSTREAM (CRUISE CONTROL MAIN SWITCH)

(a) Check the Data List T for proper functioning of the cruise control switch.

Radar Cruise





OK:

When cruise control switch operation is performed, the results are same as above.

NG -- INSPECT CRUISE CONTROL SWITCH

OK -- PROCEED TO NEXT CIRCUIT INSPECTION SHOWN IN PROBLEM SYMPTOMS TABLE Dynamic Radar Cruise Control System

2. INSPECT CRUISE CONTROL SWITCH





(a) Disconnect the cruise control switch connector.

(b) Measure the resistance of the switch.

Standard resistance:





NG -- REPLACE CRUISE CONTROL SWITCH Removal
OK -- Continue to next step.

3. INSPECT SPIRAL CABLE SUB-ASSEMBLY

(a) Remove the spiral cable sub-assembly Removal.





(b) Measure the resistance of the spiral cable.

Standard resistance:





NG -- REPLACE SPIRAL CABLE SUB-ASSEMBLY Removal
OK -- Continue to next step.

4. INSPECT CRUISE CONTROL SWITCH WIRE





(a) Disconnect the z2 spiral cable connector.

(b) Disconnect the A cruise control switch connector.

(c) Measure the resistance according to the value(s) in the table below.

Standard resistance:





NG -- REPLACE CRUISE CONTROL SWITCH WIRE Removal
OK -- Continue to next step.

5. CHECK HARNESS AND CONNECTOR (SPIRAL CABLE - ECU AND BODY GROUND)





(a) Disconnect the L134 spiral cable connector.

(b) Disconnect the A33 ECU connector.

(c) Measure the resistance according to the value(s) in the table below.

Standard resistance:





NG -- REPAIR OR REPLACE HARNESS OR CONNECTOR

OK -- REPLACE DRIVING SUPPORT ECU Removal