Curiosii for ever!: Car repair manuals for everyone.

Smart Access System With Push-Button Start





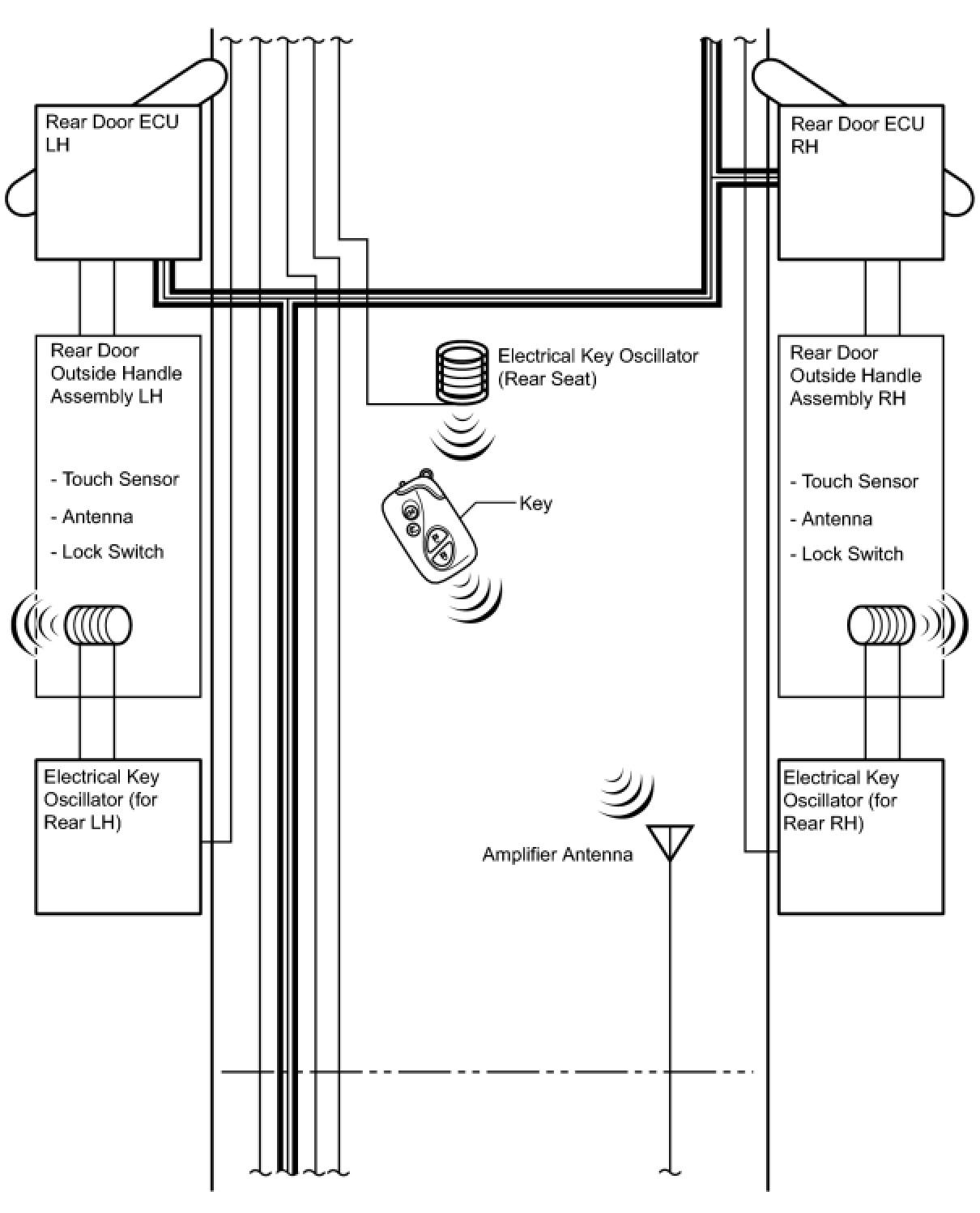
DOOR LOCK: SMART ACCESS SYSTEM WITH PUSH-BUTTON START: SYSTEM DIAGRAM

















Communication table:





HINT
*1: w/o Power trunk opener and closer

*2: w/ Power trunk opener and closer





SYSTEM DESCRIPTION

CAUTION:
If using a pacemaker, be sure to read the manual of the pacemaker before using the key, as the radio waves of the key may affect the pacemaker.

1. SMART ACCESS SYSTEM WITH PUSH-BUTTON START DESCRIPTION

(a) In addition to conventional mechanical key and wireless door lock control functions, the smart access system with push-button start enables door locking/unlocking, steering lock releasing, engine starting and luggage compartment door opening without operating the key. The only requirement is that the key is in the user's possession.

This system is controlled by the certification ECU. When the certification ECU detects the presence of the key in one of the detection areas, it identifies and checks the ID code, and outputs operation signals to the related ECU in accordance with their functions.

The detection areas are formed by 7 oscillators and 1 antenna (4 door oscillators, 1 luggage compartment antenna, 1 luggage compartment oscillator, and 2 indoor oscillators).

2. COMMUNICATION FREQUENCY BETWEEN KEY AND VEHICLE





3. DETECTION AREA





(a) Precautions for the entire system:

Be sure to carry the key during inspection of the smart access system with push-button start.

As weak radio waves are used to detect the key, the key detection area may decrease, or the key may not be detected correctly in the following situations:

* The key battery is depleted.

* Any facilities that generate strong radio waves, such as a TV tower, power plant, portable media players, broadcast station or gas station, are located near the inspection site.

* A wireless device, such as a cellular phone, is carried with the key.

* The key is in contact with or covered with metal.

* Another wireless door lock control function is operated near the vehicle.

* The key is located near a device that generates high voltage or noise.

The key may be difficult to operate for a reason relating to the vehicle body shape.

The key may not be detected correctly if it is around the vehicle's windows, the door handle or center of the bumper, even when it is in the detection area outside the vehicle.

The key may not be detected correctly if it is on the instrument panel, rear package tray or floor, or in the glove box, even when it is in the detection area inside the vehicle.

The engine cannot be started even when the key is in the detection area inside the luggage compartment.

The key may not operate if the key is not held properly.

The smart access system with push-button start does not operate in the following conditions:

* The smart access system with push-button start is canceled.

* The key battery is completely depleted (the indicator does not blink when pushing any of the buttons on the key).

4. FUNCTION OF MAIN COMPONENTS





5. CONSTRUCTION AND OPERATION

(a) Key:

The key consists of a mechanical key, a transmitter function for the wireless door lock control and a transceiver for the smart access system with push-button start.

The transceiver function for the smart access system with push-button start receives the signals from the oscillators and sends the ID code to the door control receiver.

The transmitter function for the wireless door lock control has a LOCK switch, UNLOCK switch, LUGGAGE COMPARTMENT switch and PANIC switch.

This mechanical key works for the driver door, luggage compartment door and glove box, but cannot start the engine.

A total of 7 keys can be registered.





(b) Oscillator (each door oscillator, front and rear indoor oscillator, luggage compartment oscillator, luggage compartment antenna)

Each oscillator transmits the request signal received from the certification ECU, and forms a key detection area to detect the presence of a key. The detection area formed by each door oscillator and luggage compartment outer antenna is approximately 0.7 to 1.0 m (2.3 to 3.3 ft.) from the outside handle of each door or the center of the rear bumper.

The detection area of each door oscillator is formed by transmitting a request signal every 0.25 seconds while the engine switch is off and each door is locked. In this way, it detects the proximity of a key. During entry lock, the detection area is formed with the lock switch ON.

The detection area of the luggage compartment antenna is formed when the luggage door opener switch is ON.

The detection area of the indoor oscillator (for front and rear) is formed when the driver door is opened or closed, during start ignition, when a warning is activated, or when the lock switch is ON.

The detection area of the luggage compartment oscillator is formed when the luggage compartment door is closed or the luggage compartment door opener switch is pressed.

6. ENTRY FUNCTION OPERATION

(a) The smart access system with push-button start has the following functions.





7. WIRELESS DOOR LOCK AND UNLOCK AND LUGGAGE COMPARTMENT OPEN FUNCTION

Push the LOCK/UNLOCK/PANIC/LUGGAGE COMPARTMENT switch on the key to operate each function.

8. ENTRY UNLOCK FUNCTION

(a) The detection area is formed by communication between a door oscillator and the certification ECU when the door is locked in order to detect the person carrying the key.

(b) When the person carrying the key enters the detection area around the vehicle, the matching of the ID codes for a door oscillator and key will automatically be performed. After the matching is completed, the door will enter unlock standby mode.

(c) In unlock standby mode, the antenna built into the outside handle starts sensing. If the outside handle is held (the back side of the handle is touched), the door unlock operation will be performed. At this time, the hazard warning light blinks twice and the wireless door lock buzzer sounds twice.

(d) If any of the doors are not opened after a door unlock operation, all doors will automatically lock after 60 seconds.

9. ENTRY LOCK FUNCTION

(a) After leaving the vehicle carrying the key, push the lock switch on the outside handle when all the doors are closed.

(b) The certification ECU determines whether the key is located inside or outside of the cabin based on the information from a door oscillator and indoor oscillator. Then matching of the ID codes is performed.

(c) When the matching result shows that the ID codes of the key and indoor oscillator do not match and the ID codes of the key and door oscillator match, the door lock function will operate. At this time, the hazard warning lights blink once and the wireless door lock buzzer sounds once.

(d) If the key is located inside of the cabin, the door lock function will not operate and the alarm buzzer (beep sound) will sound for 2 seconds.

10. ENTRY LUGGAGE COMPARTMENT OPEN FUNCTION

Stand in front of the luggage compartment with the key and push the luggage door opener switch to start the matching of the ID codes for the luggage compartment antenna. If the ID codes match, luggage compartment door open operation will be performed.

11. PREVENTION OF KEY LOCK-IN FUNCTION

(a) If you attempt to lock the door through keyless operation (move the lock knob to the lock position and then close the door) with the key in the cabin, the system determines that the key is located in the cabin and unlocks the door.

(b) If the luggage compartment is closed with the key in it, the alarm will sound and the luggage compartment can be opened only when all the doors are locked in order to prevent key lock-in in the vehicle.

12. ENTRY ILLUMINATION FUNCTION

In order to improve ease of entering and exiting the vehicle at night, the map light and door mirror foot area light illuminate when the key is brought near the vehicle.

Control Information:

Holding the key and bringing it within the vehicle exterior detection area causes the door to enter unlock standby. At this time, the map light and door mirror foot light illuminate.

Precaution:

The entry illumination function operates when the key is outside the vehicle exterior detection area for 3 seconds or more, and is then brought within the vehicle exterior detection area. If the key is not first brought outside the vehicle exterior detection area, the entry illumination function will not operate.

13. ENTRY POWER WINDOW FUNCTION (DOOR WINDOW AND SLIDING ROOF CLOSE OPERATION ONLY)

(a) After locking all the doors through the wireless lock operation or entry lock operation, pressing the door handle lock switch for 3 seconds or more operates the door window close operation of all of the windows and the sliding roof close operation.

(b) If the entry power window function is operating and the door handle lock switch is released, the entry power window operation will stop.

(c) The wireless buzzer sounds while the entry power window function is operating.

HINT
For more information about the entry power window function, refer to the power window control system.

14. MEMORY CALL FUNCTION (for MEMORY SEAT VEHICLES ONLY)

After unlocking the driver door using the key ID and opening the driver door, the seat automatically moves to the position associated with the key ID.

HINT
* For more information about the memory call function, refer to the front power seat control system.
* Key ID registration method:
(1) With the engine switch off and the driver door closed, press and hold the seat memory switch to be registered. (Releasing the seat memory switch will end the key ID registration mode.)
(2) Press the lock or unlock switch of the key to be registered.
(3) If the key has not been registered previously, the key ID will be registered. During the registration, the wireless buzzer will sound.

Memory call cancel method:

* With the engine switch off, press and hold the SET switch. (Releasing the SET switch will end the memory call cancel mode.)

* Press the lock or unlock switch of the key to be canceled.

* If the key has been registered previously, the memory call operation of the key ID will be canceled. The key ID can be reactivated by pressing the lock or unlock switch of the key again. During the memory call cancel and reactivation operation, the wireless buzzer will sound.

15. WARNING FUNCTION

(a) General:

When any of the situations below occur, the smart access system with push-button start responds to alert the driver.





(b) Situation A:

Shift lever not on P (power source cut reminder) vehicle exit warning

(1) With shift lever in position other than P, door is opened and vehicle exit (while holding key) is attempted





(2) With shift lever in position other than P, door is opened, key is brought out of vehicle, door is closed, and movement away from vehicle is attempted





(c) Situation B:

Key reminder warning

(1) Steering lock / unlock set, driver door is opened and movement away from vehicle is attempted





(d) Situation C:

Shift lever on P (power source cut reminder) vehicle exit warning

(1) Pattern 1: With shift lever on P, driver door is opened, key is brought out of vehicle, driver door is closed, and movement away from vehicle is attempted





(2) With shift lever on P and either engine switch on (ACC) or steering lock / unlock set, driver door is opened, move away from vehicle is performed, and door handle lock switch is pressed in an attempt to perform entry lock operation





(e) Situation D:

Entry door ajar warning

(1) With one of vehicle's doors open, entry lock operation is attempted





(f) Situation E:

Passenger has brought key out of vehicle warning

(1) With engine switch in position other than off, key is brought out of vehicle by passenger





(g) Situation F:

Key is not within detection area warning

(1) With key not in vehicle cabin or key battery depleted, engine switch on (ACC or IG) operation is attempted





(h) Situation G:

Key lock-in prevention function buzzer (for cabin)

(1) With key in vehicle cabin, vehicle is exited and door handle lock switch is pressed in an attempt to perform entry lock operation





(i) Situation H:

Key lock-in prevention function buzzer (for luggage compartment)

(1) Key is put into luggage compartment and luggage compartment door is accidentally closed





(j) Situation I:

Key battery low warning

(1) Key with almost depleted battery is used to drive vehicle





16. BATTERY SAVING

(a) Vehicle battery saving function:

In the smart access system with push-button start, signals are emitted outside of the vehicle at a prescribed interval (0.25 seconds) when the doors are locked. Therefore, the vehicle battery could be drained if the vehicle remains parked for a long time. For this reason, the controls listed below exist.





Reinstatement Conditions:

A wireless door lock control signal (lock, unlock) is input and the ID matches.

A user carries the key and pushes a lock switch on an outside door handle.

The driver door is locked or unlocked by the mechanical key.

(b) Key battery and vehicle battery saving function:

In the smart access system with push-button start, if the key is constantly located within the vehicle exterior detection area of the doors, the system maintains periodic communication with the key. Therefore, if the vehicle remains parked in that state for a long time, the key battery and the vehicle battery could be drained. For this reason, if this state continues longer than 10 minutes, the smart access system with push-button start automatically becomes deactivated.

Reinstatement Conditions

A wireless door lock control signal (lock, unlock) is input and the ID code matches.

A user carries the key and pushes a lock switch on an outside handle.

The driver door is locked or unlocked by the mechanical key.

17. KEY DIAGNOSTIC MODE (Using the Techstream)

HINT
Key diagnostic mode checks if the electrical key transmitter within a selected oscillator/antenna detection area is operating normally. The results are output through the wireless door lock buzzer (in right front fender).

(a) Connect the Techstream to the DLC3.

(b) Turn the engine switch on (IG).

(c) Turn the Techstream on.

(d) Enter the following menus: Body Electrical / Smart Access / Smart Communication Check

(e) Check the values by referring to the table below.

Smart Access (Certification ECU)





(f) When the electrical key transmitter is brought near the selected oscillator/antenna, check that the wireless door lock buzzer sounds.

(1) *1: Door electrical key oscillator (for Front LH)





HINT
* Hold the key at the same height as the door's outside handle (0.7 to 1.0 m (2.3 to 3.3 ft.)). Pay attention to the direction of the key in the illustration.
* *2: Perform the same inspection above for the door electrical key oscillator (front passenger seat outside transmitter).
* *3: Perform the same inspection above for the door electrical key oscillator (rear left seat outside transmitter).
* *4: Perform the same inspection above for the door electrical key oscillator (rear right seat outside transmitter).

(2) *5: Indoor electrical key oscillator (front inside transmitter)

HINT
Place the electrical key transmitter on the driver or front passenger seat cushion.

(3) *6: Indoor electrical key oscillator (rear inside transmitter)

HINT
Place the electrical key transmitter on the rear seat cushion.

(4) *7: Indoor electrical key oscillator (for luggage room)

HINT
Place the electrical key transmitter in the luggage compartment.

(5) *8, *9: Electrical key antenna (for luggage room)





HINT
Hold the electrical key transmitter at the same height as the rear bumper upper surface and aligned with the center of the rear of the vehicle, as shown in the illustration.