Curiosii for ever!: Car repair manuals for everyone.

Power Source Mode Does Not Change





THEFT DETERRENT / KEYLESS ENTRY: SMART ACCESS SYSTEM WITH PUSH-BUTTON START (for Start Function): Power Source Mode does not Change
- Power Source Mode does not Change

DESCRIPTION

When the engine switch is pushed with the electrical key in the cabin, the power source control ECU receives signals to switch the power source mode.

HINT
To allow use of the Techstream to inspect the push-button start function when the engine switch is off, repeat opening and closing any of the doors. Opening and closing a door establishes communication between the Techstream and the power source control ECU. (Opening and closing a door can also be simulated by operating a door courtesy light switch.)

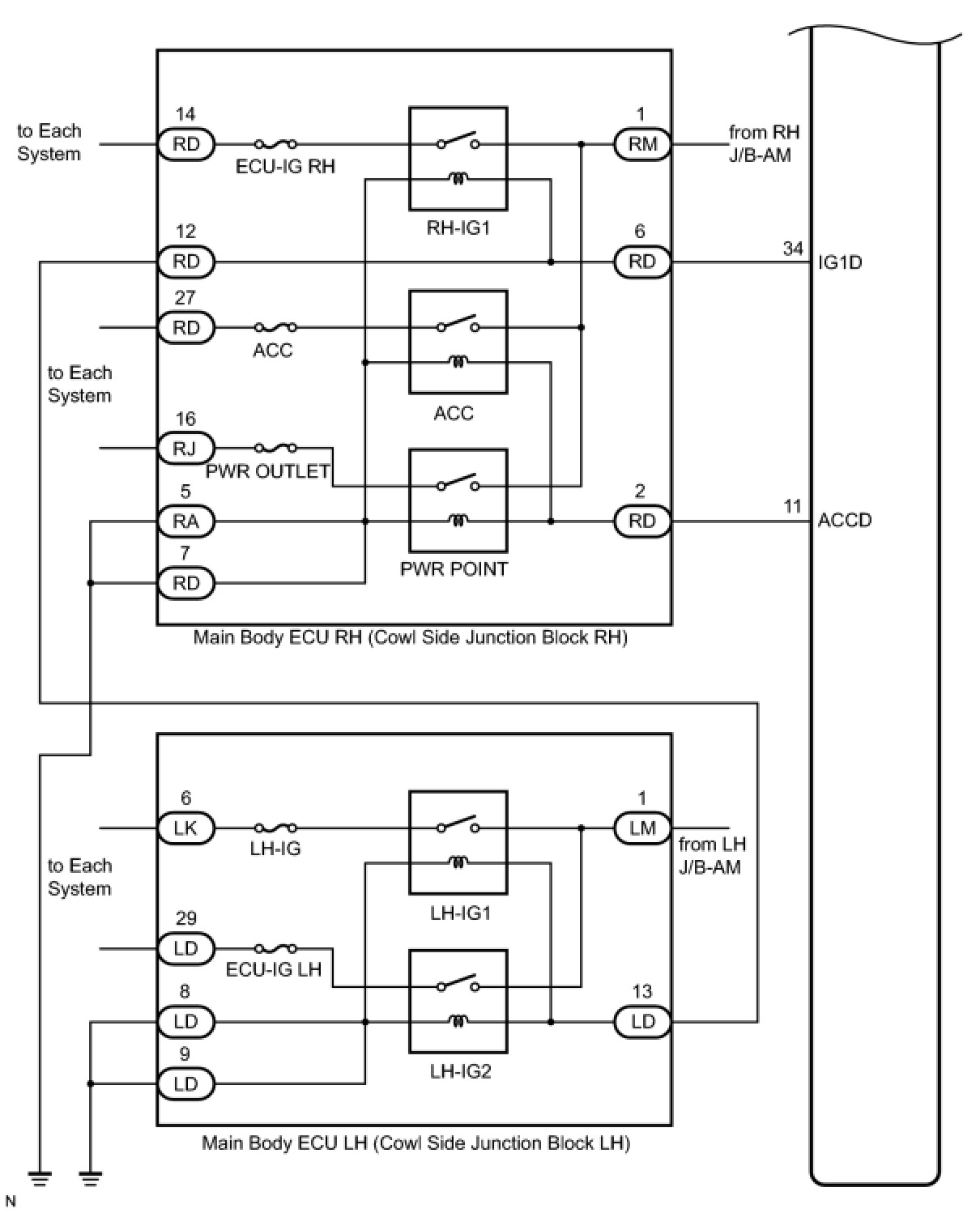
WIRING DIAGRAM









INSPECTION PROCEDURE

PROCEDURE

1. CHECK FOR DTC

(a) Connect the Techstream to the DLC3.

(b) Turn the engine switch on (IG).

(c) Check if the trouble occurs again 5 seconds after the engine switch on (IG).

OK:

DTC is not output.

NG -- GO TO DIAGNOSTIC TROUBLE CODE CHART Smart Access System With Push-Button Start (for Start Function)
OK -- Continue to next step.

2. CHECK SMART ACCESS SYSTEM WITH PUSH-BUTTON START (FOR START FUNCTION)

(a) Remove the battery of the electrical key transmitter Removal.





(b) Touch the logo side mark of the key or card key to the engine switch.

HINT
The key (for card type) operation inspection can performed using the same procedure as for the key (for standard type).

(c) Check that the engine switch can be turned on (IG).

Result:





D -- GO TO SMART ACCESS SYSTEM WITH PUSH-BUTTON START (ROOM OSCILLATOR DOES NOT RECOGNIZE KEY) Symptom Related Diagnostic Procedures

C -- INSPECT FUSE

B -- INSPECT FUSE (AM2 FUSE)
A -- Continue to next step.

3. INSPECT FUSE (AM2)

(a) Remove the AM2 fuse from the main body ECU RH (cowl side junction block RH).

(b) Measure the resistance according to the value(s) in the table below.

Standard Resistance:





NG -- REPLACE AM2 FUSE
OK -- Continue to next step.

4. CHECK HARNESS AND CONNECTOR (POWER SOURCE CONTROL ECU - BATTERY AND BODY GROUND)

(a) Disconnect the J55 connector from power source control ECU.





(b) Measure the voltage and resistance according to the value(s) in the table below.

Standard Voltage:





Standard Resistance:





NG -- REPAIR OR REPLACE HARNESS OR CONNECTOR (POWER SOURCE CONTROL ECU - BATTERY AND BODY GROUND)
OK -- Continue to next step.

5. CHECK MAIN BODY ECU RH (COWL SIDE JUNCTION BLOCK RH)

(a) Disconnect the RD and RA connectors.





(b) Measure the resistance according to the value(s) in the table below.

Standard Resistance:





NG -- REPLACE MAIN BODY ECU RH (COWL SIDE JUNCTION BLOCK RH)
OK -- Continue to next step.

6. CHECK HARNESS AND CONNECTOR (POWER SOURCE CONTROL ECU - MAIN BODY ECU RH AND BODY GROUND)

(a) Measure the resistance according to the value(s) in the table below.





Standard Resistance:





NG -- REPAIR OR REPLACE HARNESS OR CONNECTOR (POWER SOURCE CONTROL ECU - MAIN BODY ECU RH)
OK -- Continue to next step.

7. CHECK POWER SOURCE CONTROL ECU

(a) Reconnect the the connector to the power source control ECU.





(b) Measure the voltage according to the value(s) in the table below.

Standard Voltage:





NG -- REPLACE POWER SOURCE CONTROL ECU

OK -- REPLACE MAIN BODY ECU RH (COWL SIDE JUNCTION BLOCK RH)

8. INSPECT FUSE (AM2 FUSE)

(a) Remove the AM2 fuse from the main body ECU RH (cowl side junction block RH).

(b) Measure the resistance according to the value(s) in the table below.

Standard Resistance:





NG -- REPLACE AM2 FUSE
OK -- Continue to next step.

9. CHECK HARNESS AND CONNECTOR (POWER SOURCE CONTROL ECU - BATTERY AND BODY GROUND)

(a) Disconnect the J55 connector from power source control ECU.





(b) Measure the voltage and resistance according to the value(s) in the table below.

Standard Voltage:





Standard Resistance:





NG -- REPAIR OR REPLACE HARNESS OR CONNECTOR (POWER SOURCE CONTROL ECU - BATTERY AND BODY GROUND)
OK -- Continue to next step.

10. CHECK MAIN BODY ECU RH (COWL SIDE JUNCTION BLOCK RH)

(a) Disconnect the RD and RA connectors from the main body ECU RH (cowl side junction block RH).





(b) Measure the resistance according to the value(s) in the table below.

Standard Resistance:





NG -- REPLACE MAIN BODY ECU RH (COWL SIDE JUNCTION BLOCK RH)
OK -- Continue to next step.

11. CHECK MAIN BODY ECU LH (COWL SIDE JUNCTION BLOCK LH)

(a) Disconnect the LD connector.





(b) Measure the resistance according to the value(s) in the table below.

Standard Resistance:





NG -- REPLACE MAIN BODY ECU LH (COWL SIDE JUNCTION BLOCK LH)
OK -- Continue to next step.

12. INSPECT IG2 RELAY

(a) Remove the IG2 relay from Engine Room Relay Block No. 2.





(b) Measure the resistance according to the value(s) in the table below.

Standard Resistance:





NG -- REPLACE IG2 RELAY
OK -- Continue to next step.

13. CHECK HARNESS AND CONNECTOR (POWER SOURCE CONTROL ECU - MAIN BODY ECU RH AND BODY GROUND)

(a) Disconnect the RA connector from main body ECU RH (Cowl side junction block RH).





(b) Measure the resistance according to the value(s) in the table below.

Standard Resistance:





NG -- REPAIR OR REPLACE HARNESS OR CONNECTOR (POWER SOURCE CONTROL ECU - MAIN BODY ECU RH AND BODY GROUND)
OK -- Continue to next step.

14. CHECK HARNESS AND CONNECTOR (COWL SIDE JUNCTION BLOCK RH - COWL SIDE JUNCTION BLOCK LH)

(a) Measure the resistance according to the value(s) in the table below.





Standard Resistance:





NG -- REPAIR OR REPLACE HARNESS OR CONNECTOR (COWL SIDE JUNCTION BLOCK RH - COWL SIDE JUNCTION BLOCK LH)
OK -- Continue to next step.

15. CHECK HARNESS AND CONNECTOR (POWER SOURCE CONTROL ECU - ENGINE ROOM RELAY BLOCK NO. 2)

(a) Remove the IG2 relay from engine room relay block No. 2.





(b) Measure the resistance according to the value(s) in the table below.

Standard Resistance:





NG -- REPAIR OR REPLACE HARNESS OR CONNECTOR (POWER SOURCE CONTROL ECU - ENGINE ROOM RELAY BLOCK NO. 2))
OK -- Continue to next step.

16. CHECK POWER SOURCE CONTROL ECU

(a) Reconnect the J55 connector to the power source control ECU.





(b) Measure the voltage according to the value(s) in the table below.

Standard Voltage:





NG -- REPAIR OR REPLACE HARNESS OR CONNECTOR (POWER SOURCE CONTROL ECU - BATTERY AND BODY GROUND)

OK -- REPLACE POWER SOURCE CONTROL ECU

17. INSPECT FUSE

(a) Remove the AM2 fuse from the main body ECU RH (cowl side junction block RH).

(b) Measure the resistance according to the value(s) in the table below.

Standard Resistance:





NG -- REPLACE AM2 FUSE
OK -- Continue to next step.

18. CHECK HARNESS AND CONNECTOR (POWER SOURCE CONTROL ECU - BATTERY AND BODY GROUND)

(a) Disconnect the J55 connector from the power source control ECU.





(b) Measure the voltage according to the value(s) in the table below.

Standard Voltage:





HINT
*1: Voltage is output only when the engine is cranking.

NG -- REPAIR OR REPLACE HARNESS OR CONNECTOR (POWER SOURCE CONTROL ECU - BATTERY AND BODY GROUND)
OK -- Continue to next step.

19. INSPECT ENGINE SWITCH

(a) Remove the engine switch Removal.





(b) Measure the resistance according to the value(s) in the table below.

Standard Resistance:





NG -- REPLACE ENGINE SWITCH Removal
OK -- Continue to next step.

20. CHECK HARNESS AND CONNECTOR

(a) Measure the resistance according to the value(s) in the table below.





Standard Resistance:





NG -- REPAIR OR REPLACE HARNESS OR CONNECTOR (POWER SOURCE CONTROL ECU - ENGINE SWITCH)

OK -- REPLACE POWER SOURCE CONTROL ECU