Curiosii for ever!
: Car repair manuals for everyone.
Home
>>
Lexus
>>
2011
>>
IS 350C V6-3.5L (2GR-FSE)
>>
Repair and Diagnosis
>>
Powertrain Management
>>
Computers and Control Systems
>>
Description and Operation
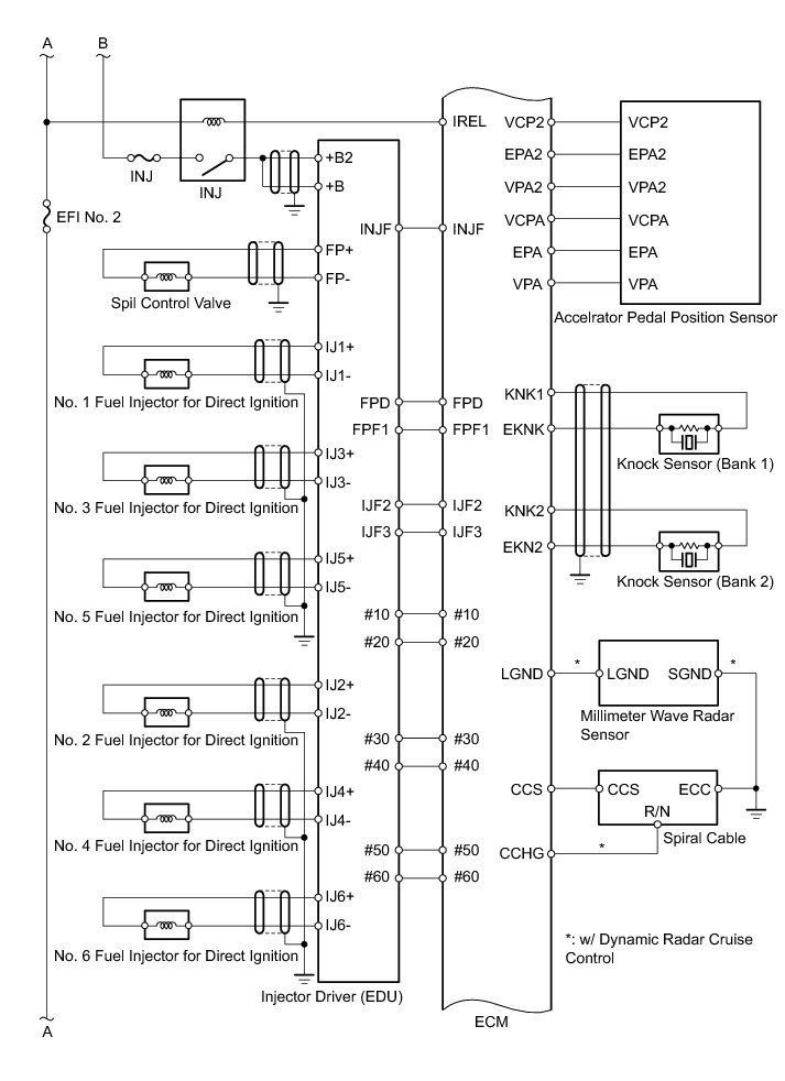
Computers and Control Systems: Description and Operation
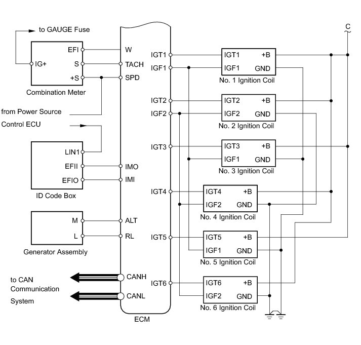
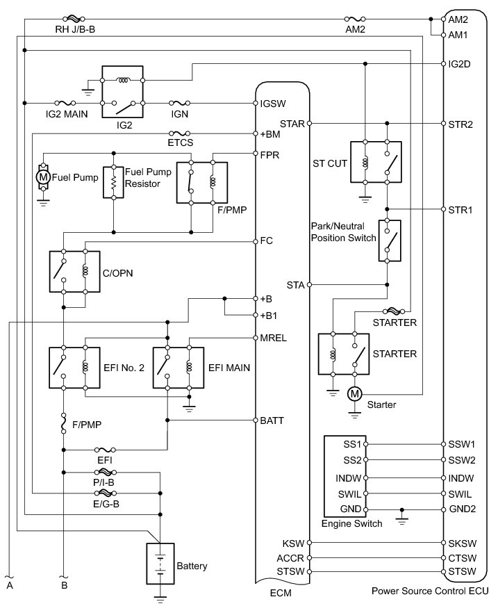
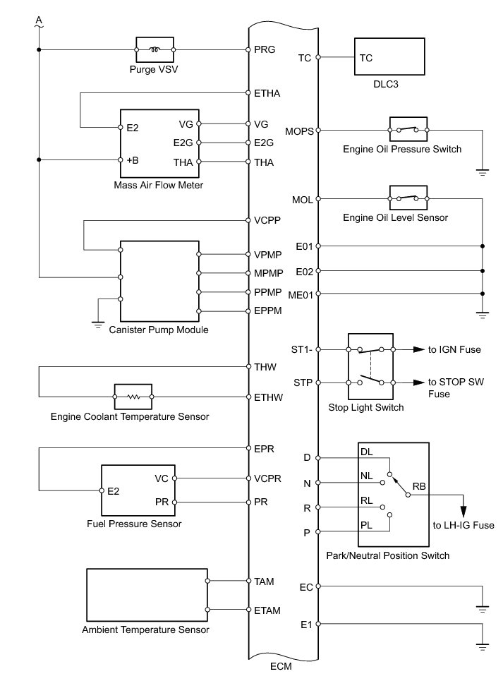
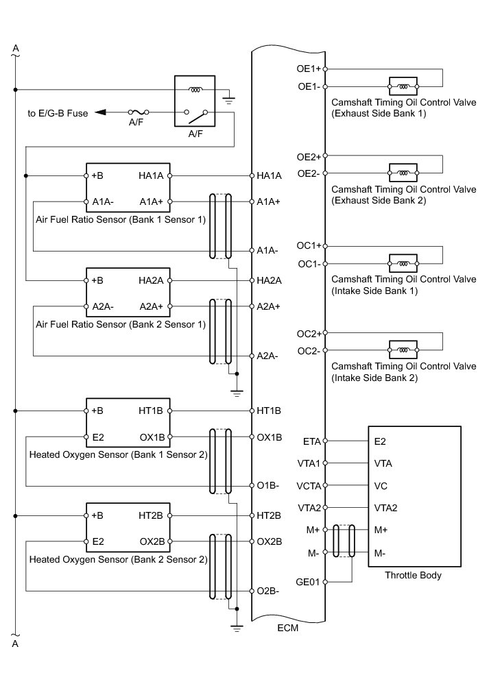
2GR-FSE ENGINE CONTROL: SFI SYSTEM: SYSTEM DIAGRAM