Curiosii for ever!: Car repair manuals for everyone.

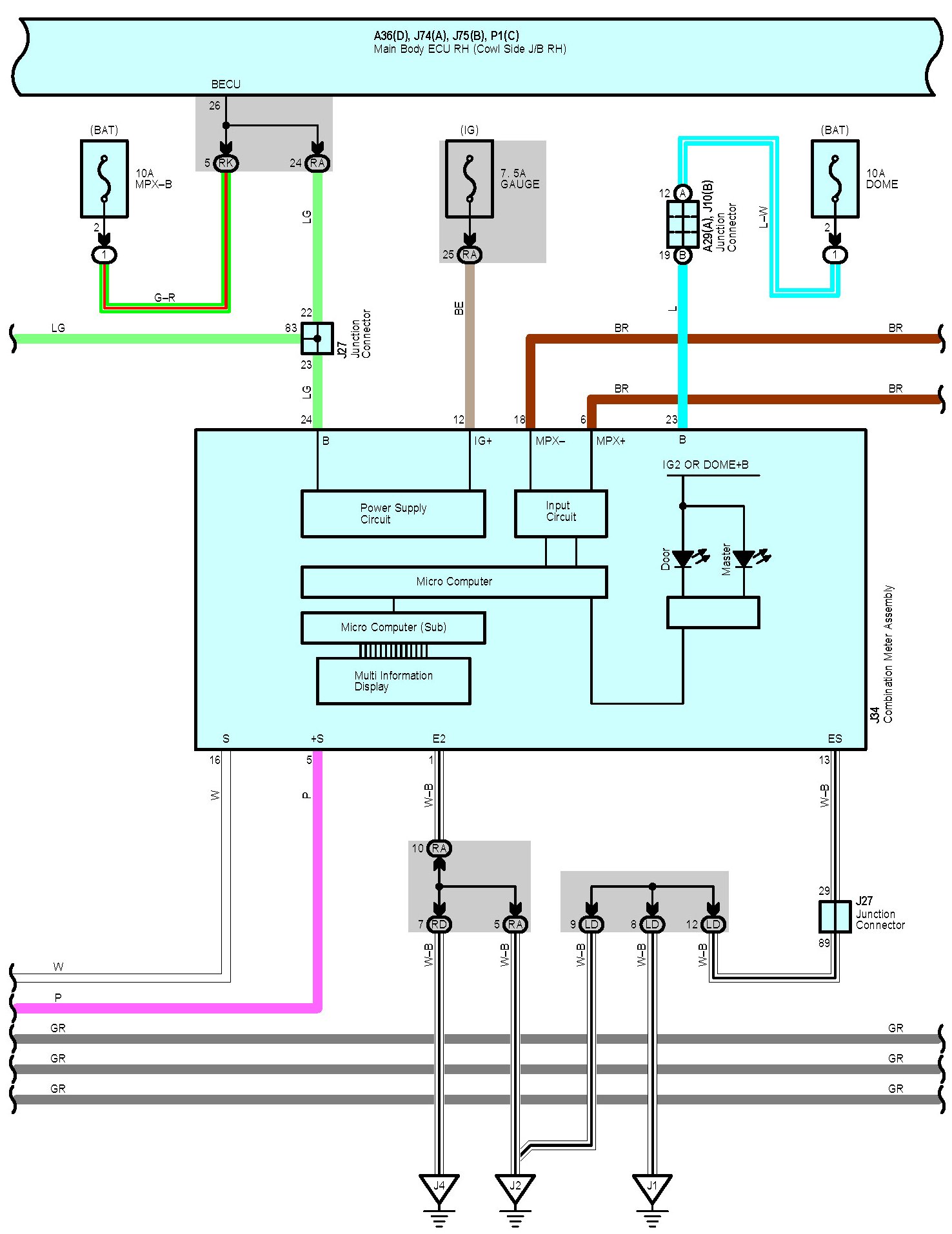
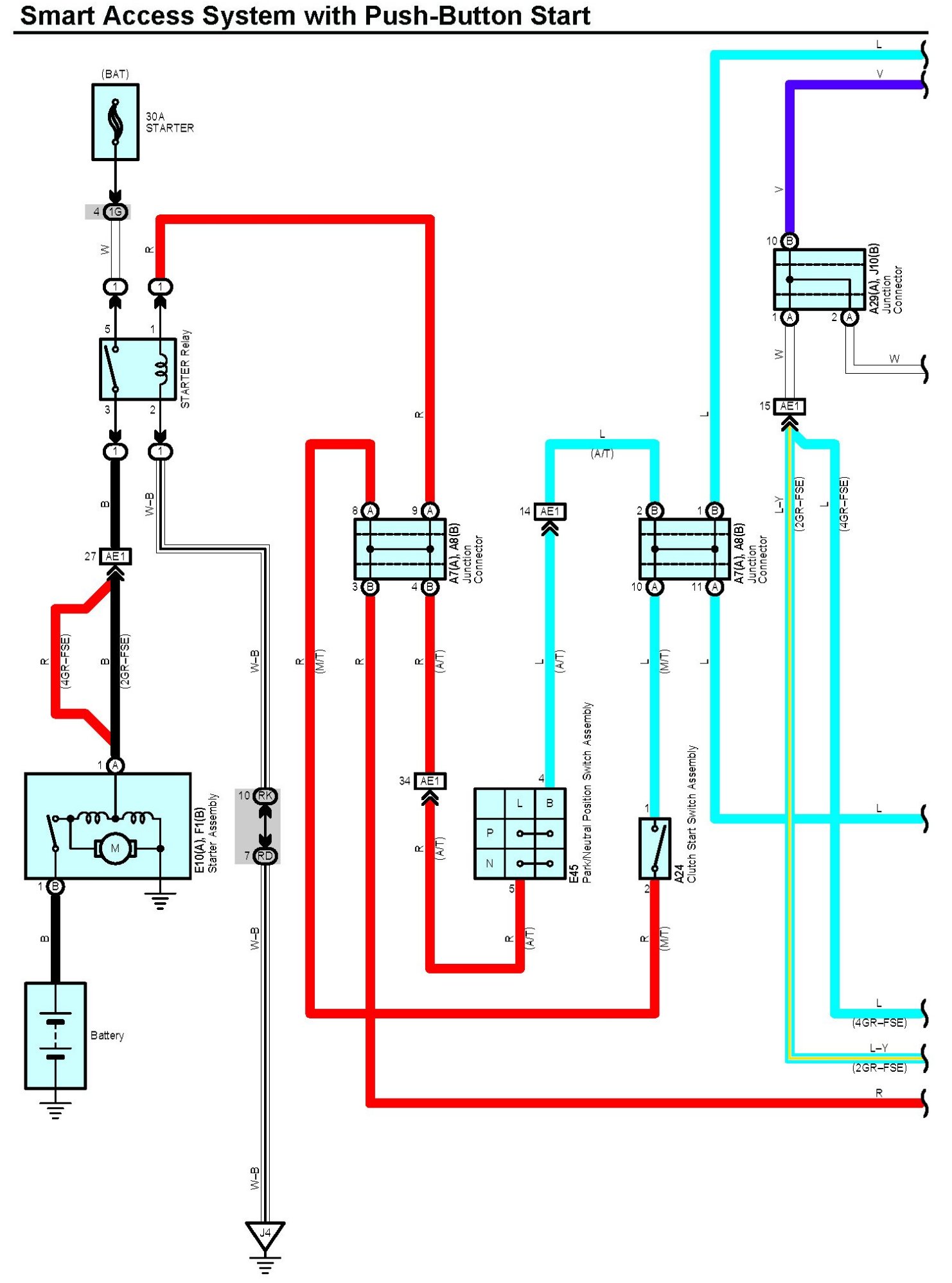
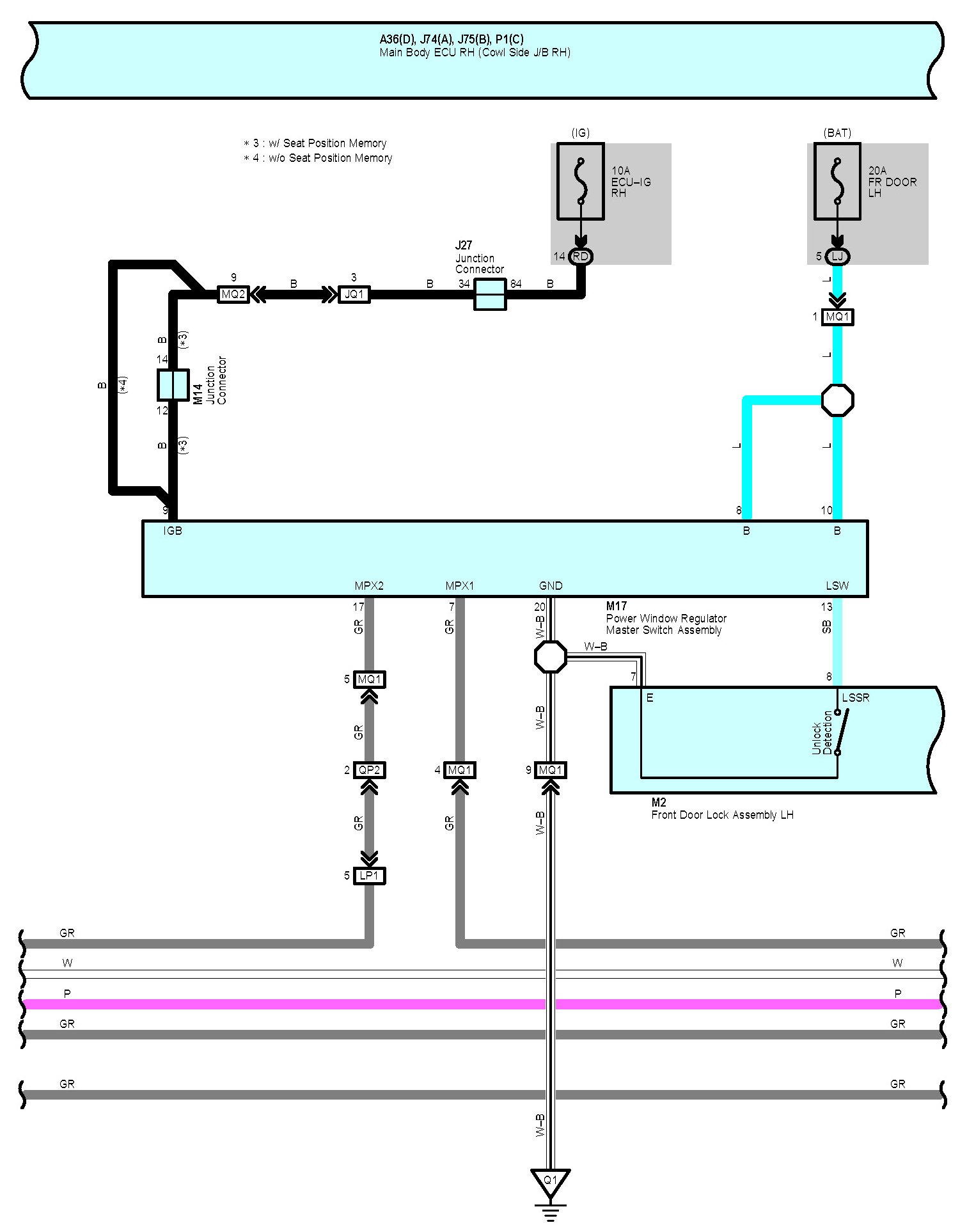
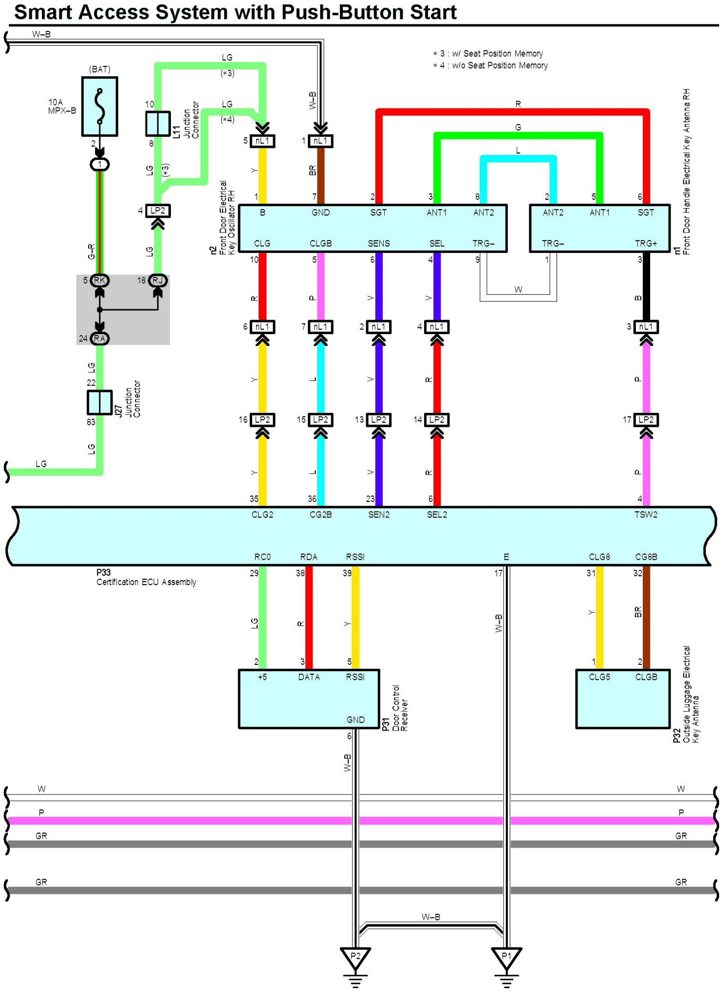
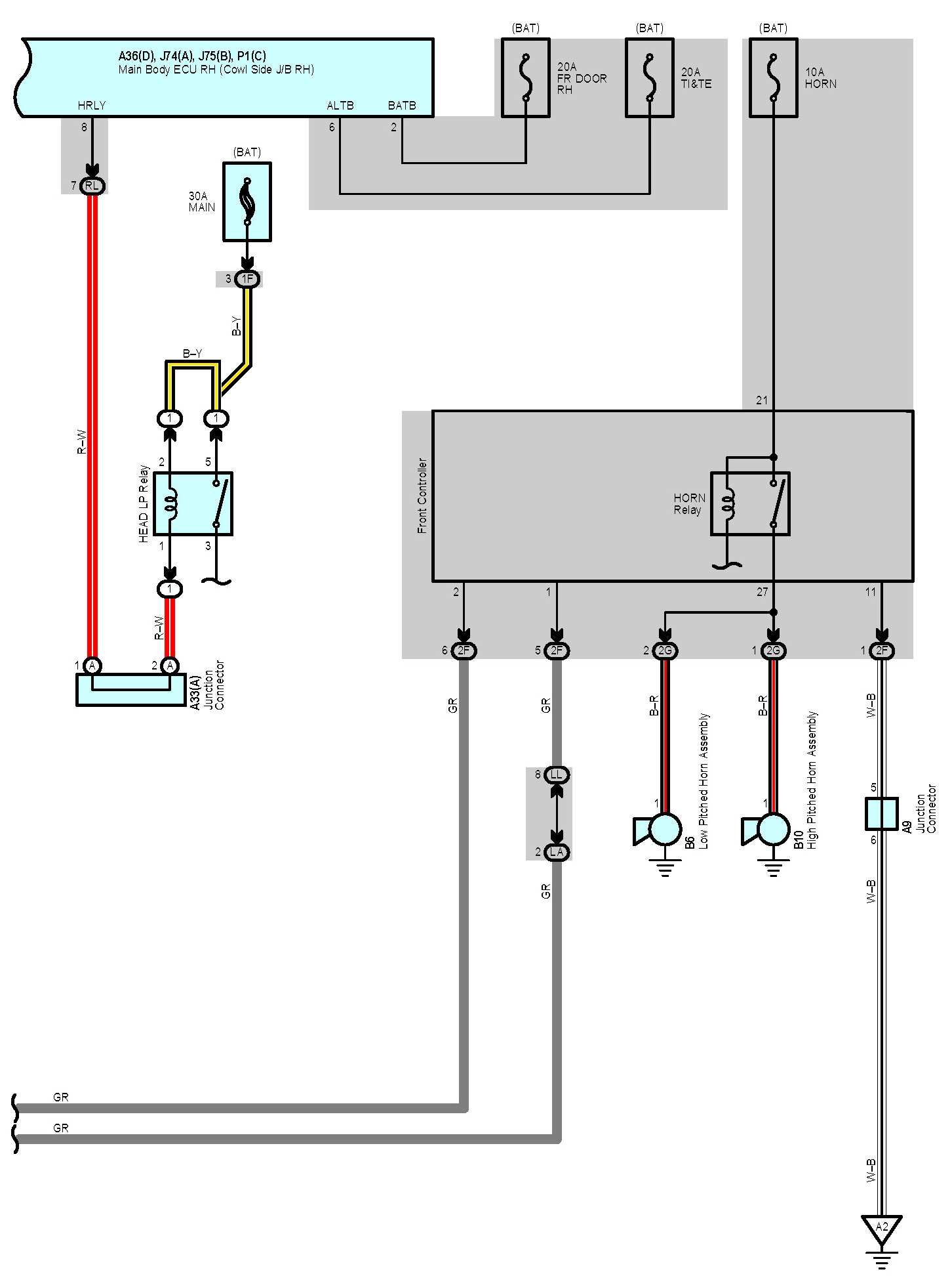
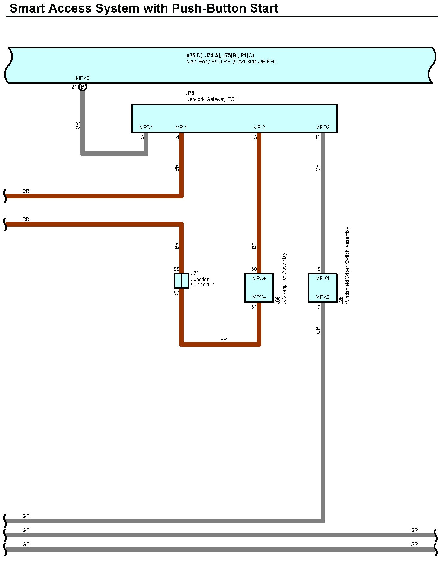
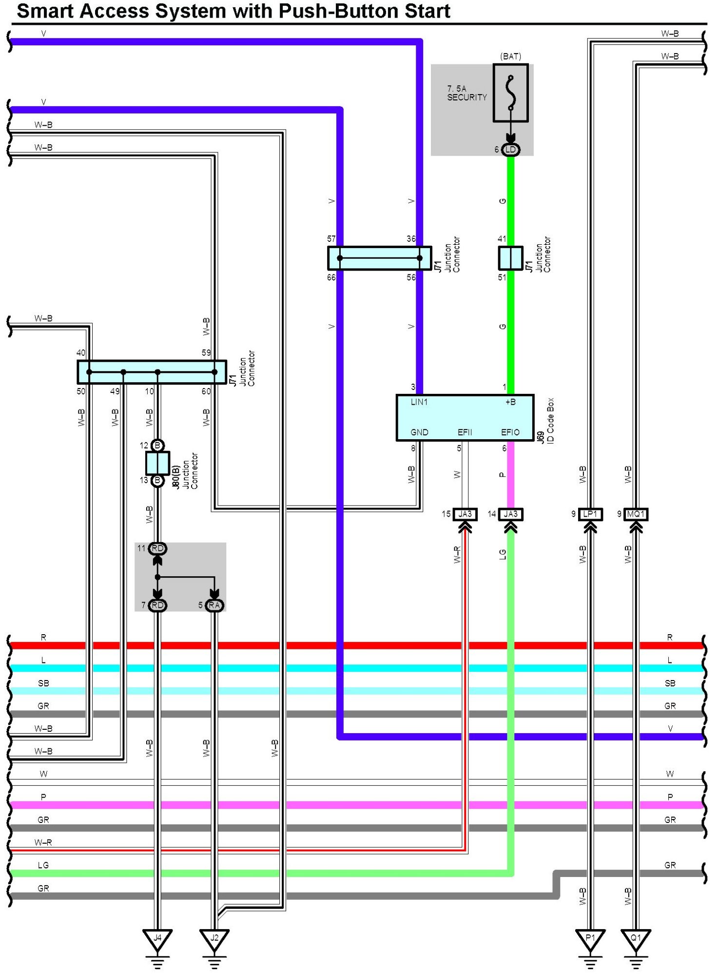
Smart Access System With Push-Button Start

Smart Access System with Push-Button Start Part 1:




Smart Access System with Push-Button Start Part 2:




Smart Access System with Push-Button Start Part 3:




Smart Access System with Push-Button Start Part 4:




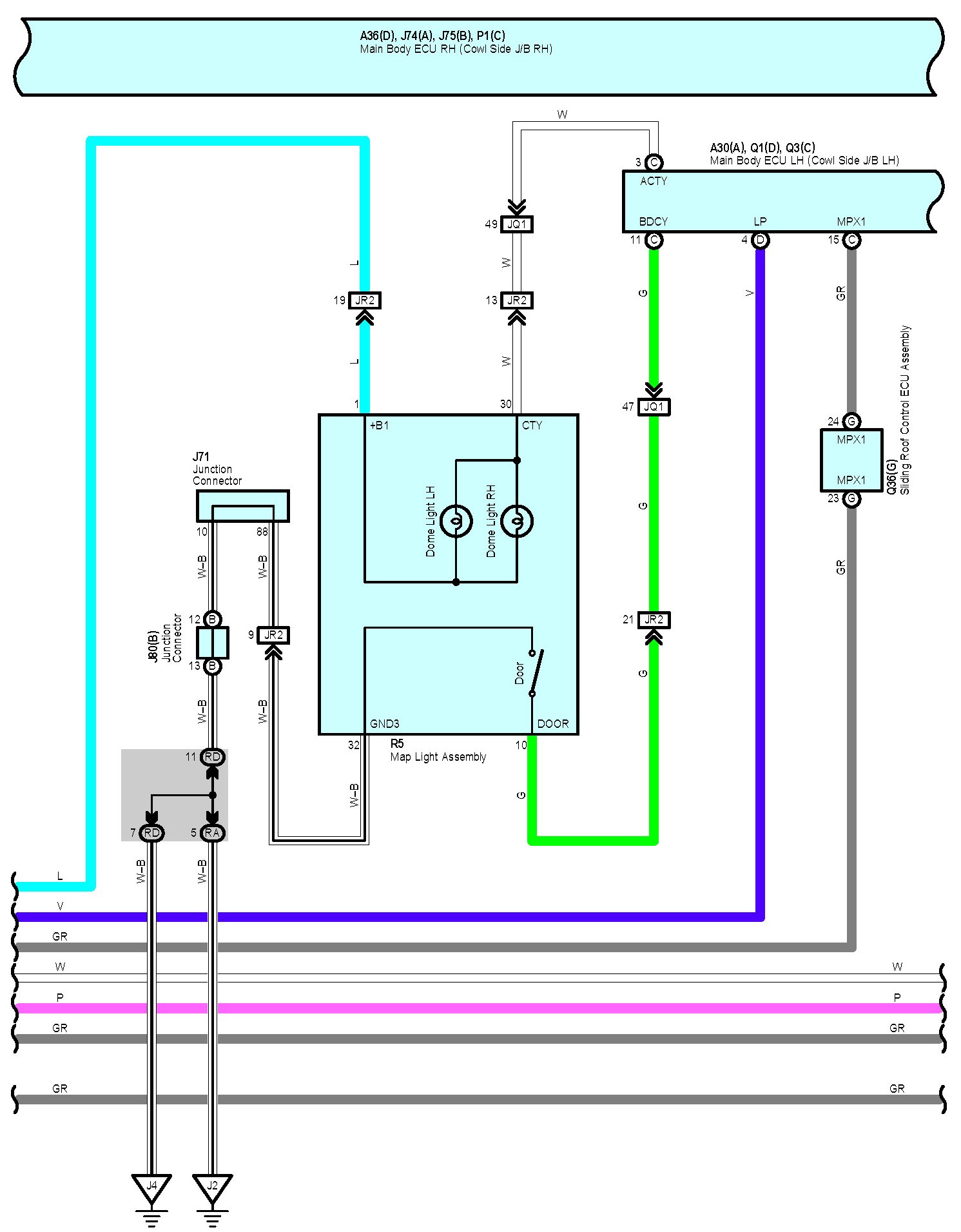
Smart Access System with Push-Button Start Part 5:




Smart Access System with Push-Button Start Part 6:




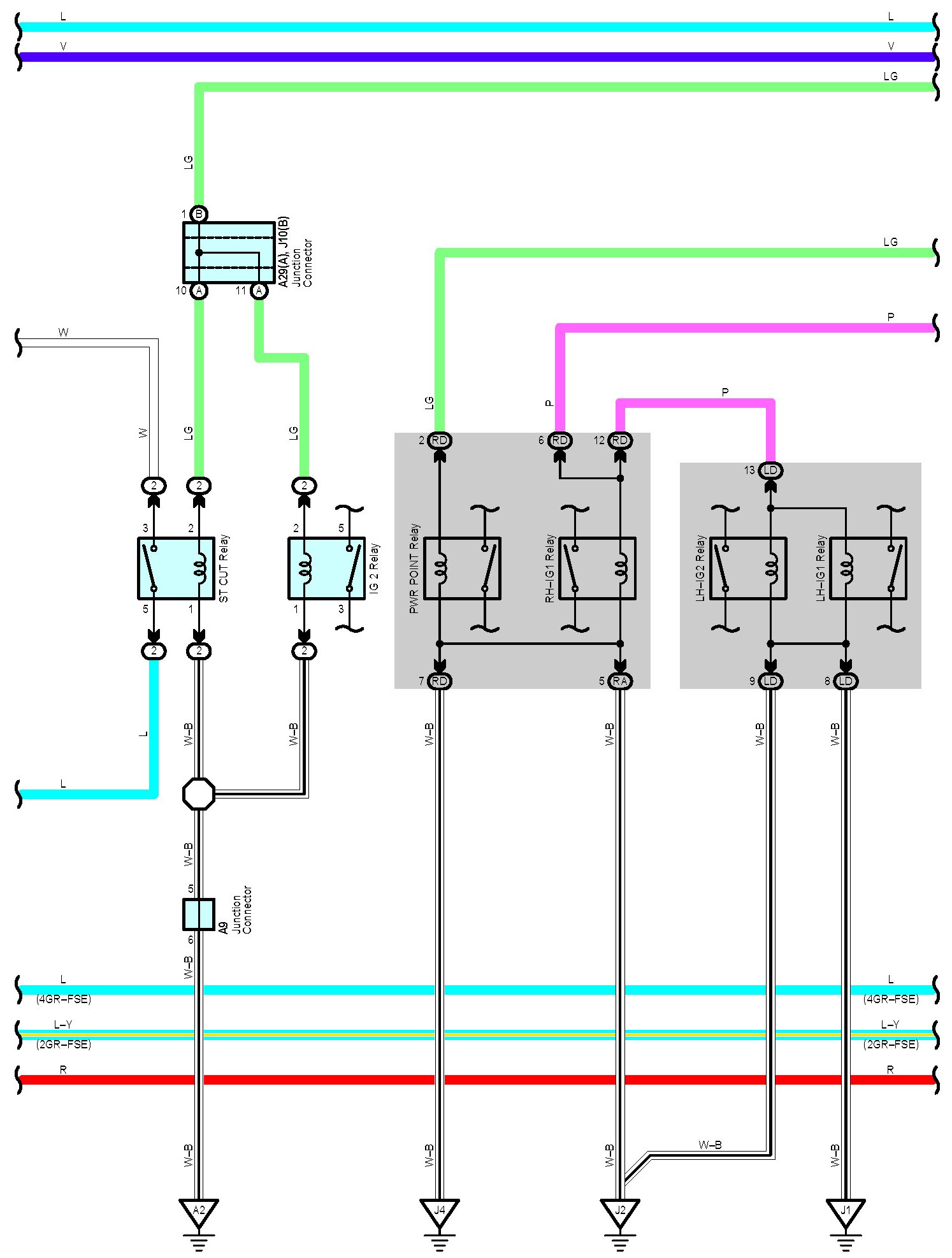
Smart Access System with Push-Button Start Part 7:




Smart Access System with Push-Button Start Part 8:




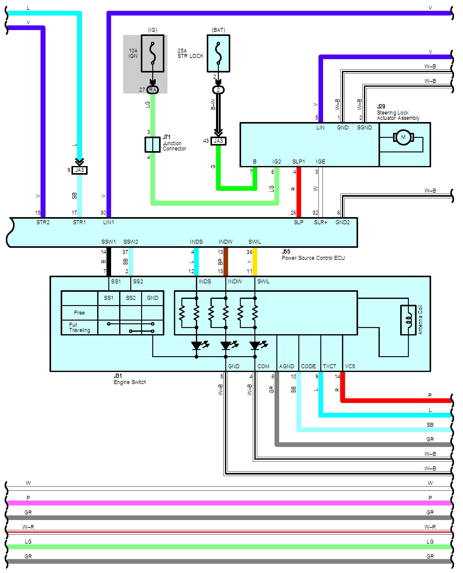
Smart Access System with Push-Button Start Part 9:




Smart Access System with Push-Button Start Part 10:




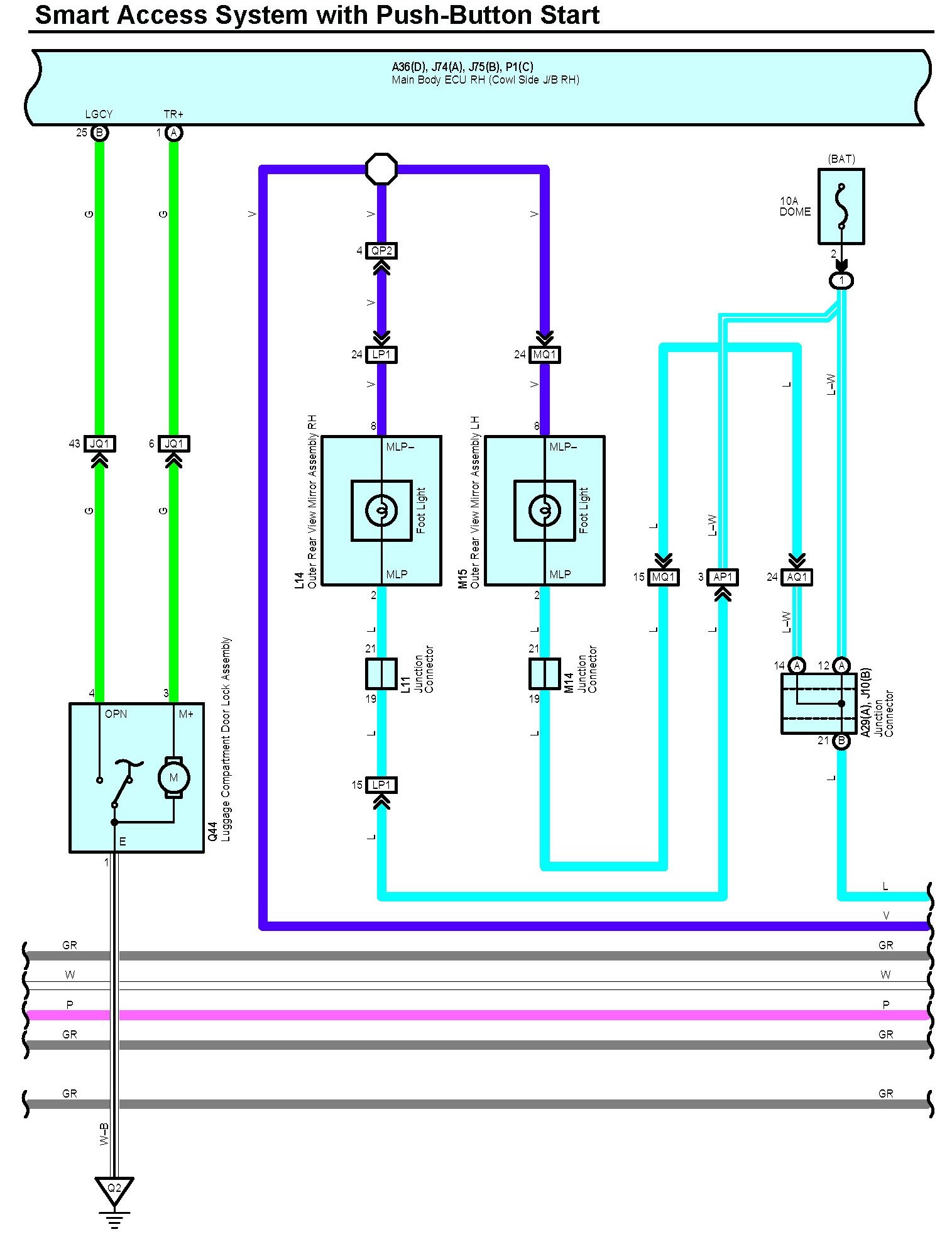
Smart Access System with Push-Button Start Part 11:




Smart Access System with Push-Button Start Part 12:




Smart Access System with Push-Button Start Part 13:




Smart Access System with Push-Button Start Part 14:




Smart Access System with Push-Button Start Part 15:




Smart Access System with Push-Button Start Part 16:




Smart Access System with Push-Button Start Part 17:




Smart Access System with Push-Button Start Part 18:












Locations: The locations of components, connectors, ground points, and splices referred to within these diagrams can be found at Vehicle Locations. Locations

Connector Views: Diagrams of the connectors referred to within these diagrams can be found at Connector Views by Connector Number. Connector Views By Connector Number