Curiosii for ever!
: Car repair manuals for everyone.
Home
>>
Lexus
>>
2011
>>
IS 350C V6-3.5L (2GR-FSE)
>>
Repair and Diagnosis
>>
Accessories and Optional Equipment
>>
Antitheft and Alarm Systems
>>
Locations
>>
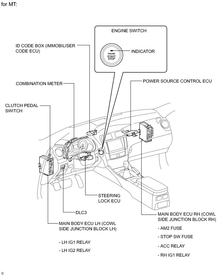
Smart Access System With Push-Button Start (For Start Function)
Smart Access System With Push-Button Start (For Start Function)
THEFT DETERRENT / KEYLESS ENTRY: SMART ACCESS SYSTEM WITH PUSH-BUTTON START (for Start Function): PARTS LOCATION