Curiosii for ever!
: Car repair manuals for everyone.
Home
>>
Lexus
>>
2011
>>
IS 350 RWD V6-3.5L (2GR-FSE)
>>
Repair and Diagnosis
>>
Powertrain Management
>>
Computers and Control Systems
>>
Description and Operation
Computers and Control Systems: Description and Operation
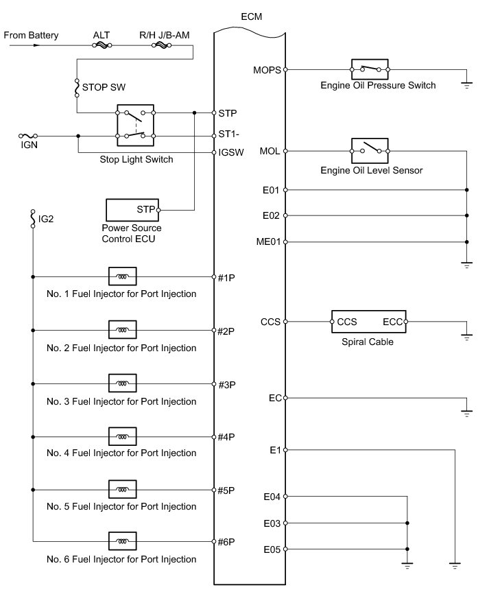
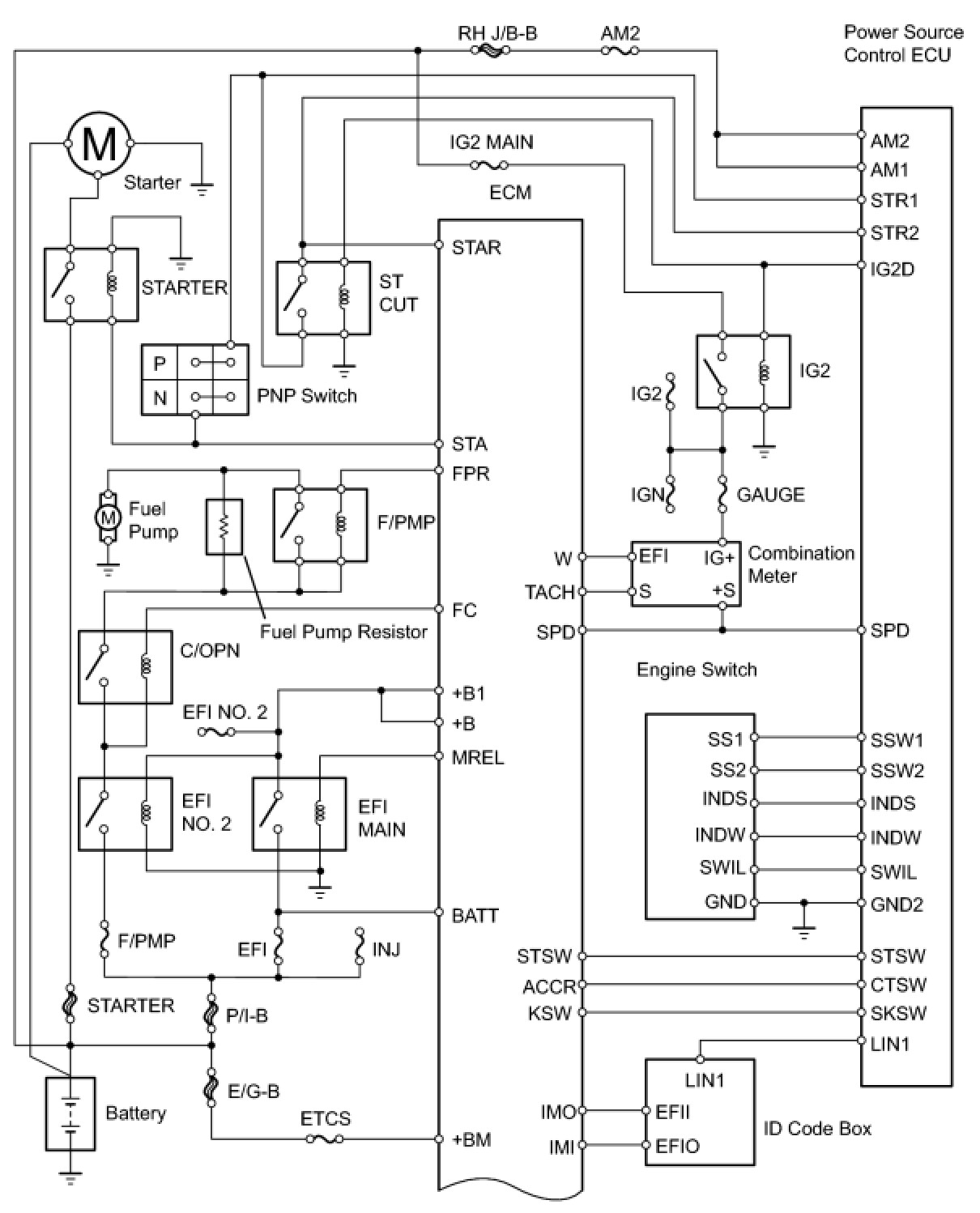
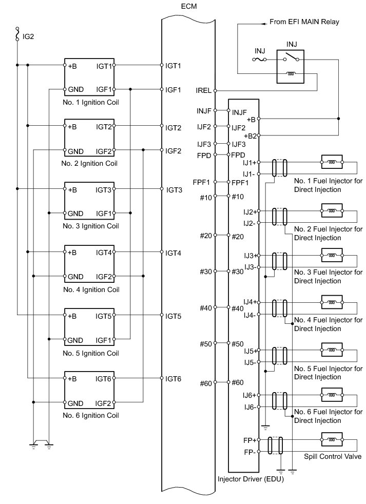
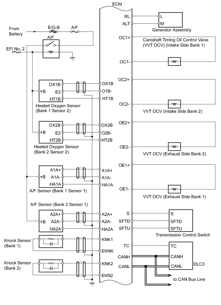
2GR-FSE ENGINE CONTROL SYSTEM: SFI SYSTEM: SYSTEM DIAGRAM