Curiosii for ever!: Car repair manuals for everyone.

Emission Control Systems: Description and Operation





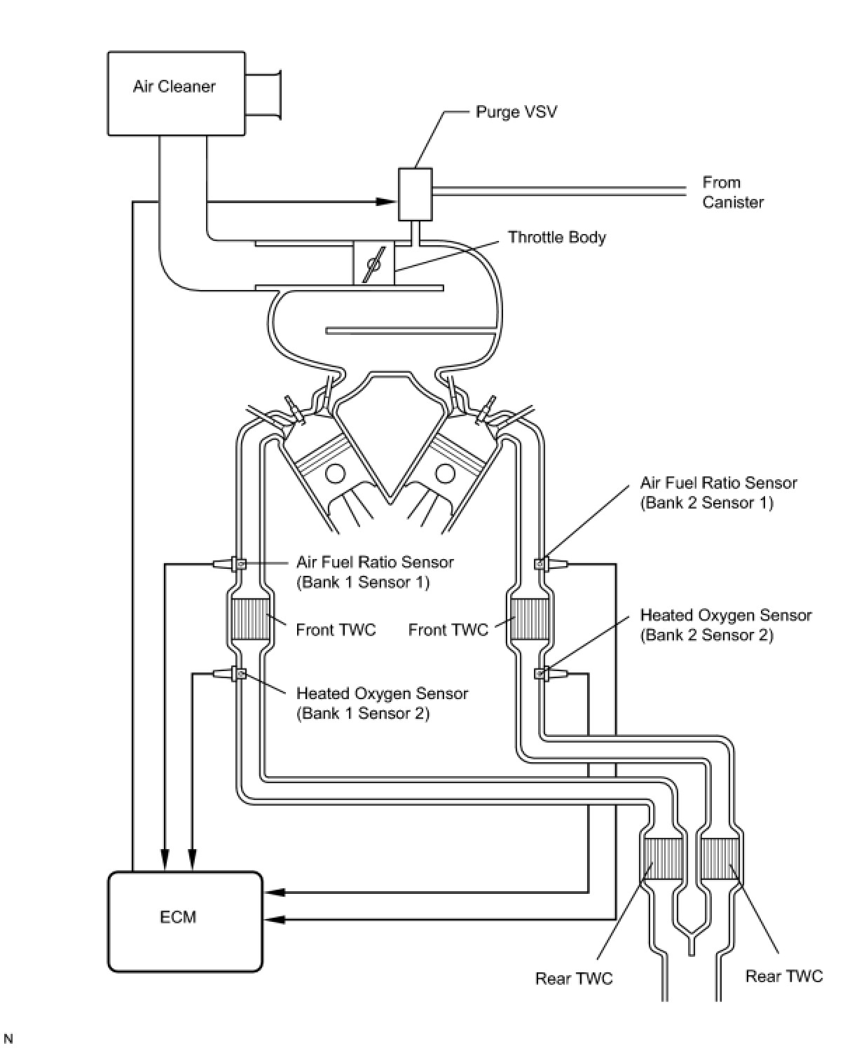
2GR-FSE EMISSION CONTROL: EMISSION CONTROL SYSTEM: SYSTEM DIAGRAM

1. EMISSION CONTROL SYSTEM DIAGRAM





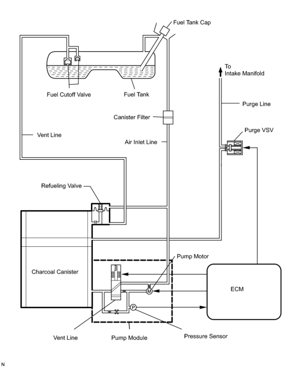
2. EVAP CONTROL SYSTEM DIAGRAM





3. EVAP SYSTEM WIRING DIAGRAM





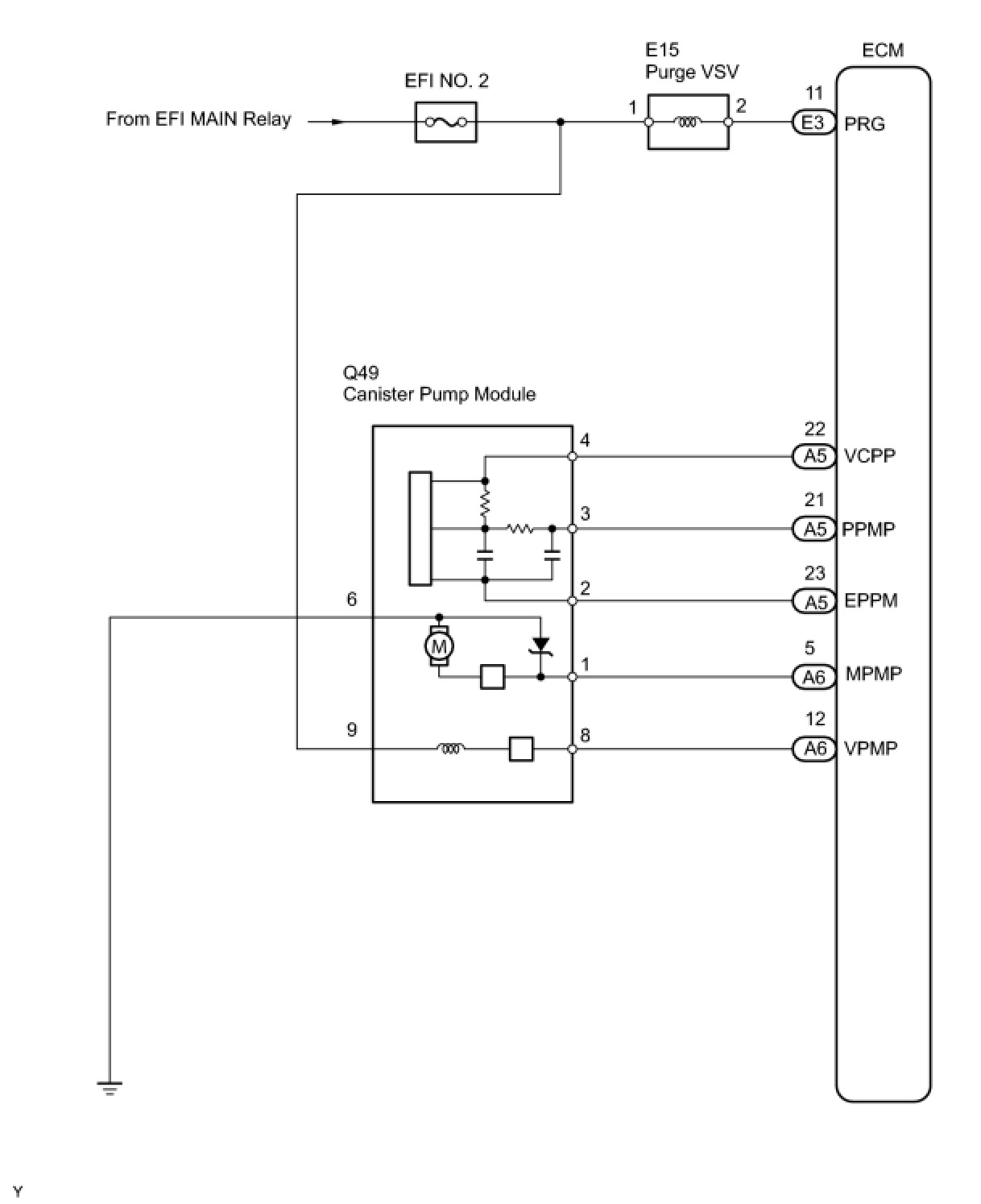
4. EMISSION CONTROL SYSTEM WIRING DIAGRAM