Curiosii for ever!: Car repair manuals for everyone.

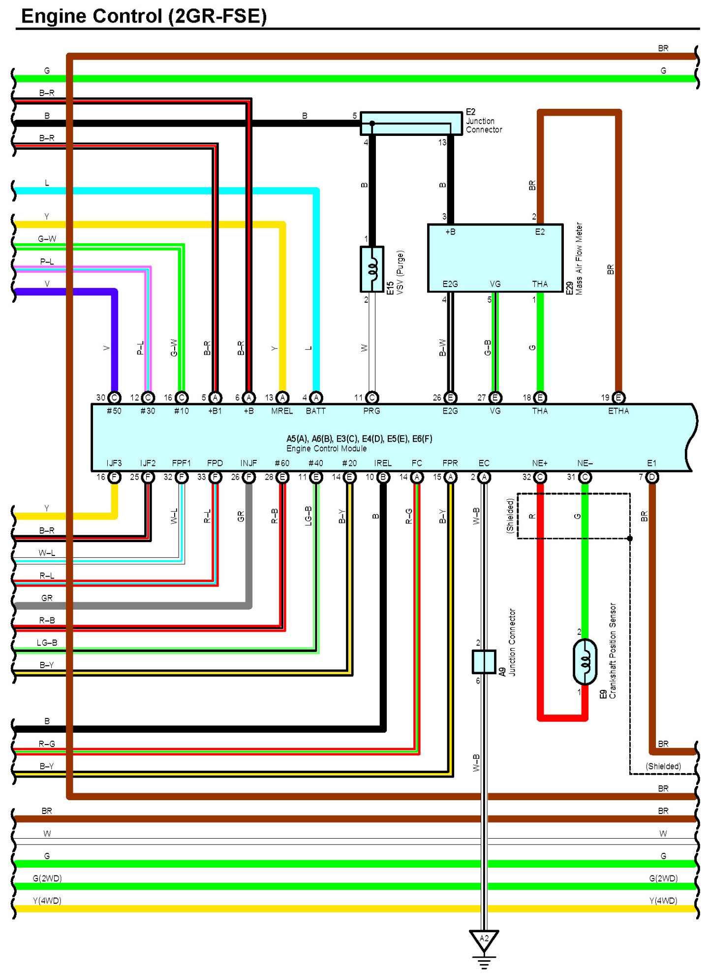
Engine Control Part 5

Engine Control Part 5:












Next Diagram Engine Control Part 6

Previous Diagram Engine Control Part 4

Locations: The locations of components, connectors, ground points, and splices referred to within these diagrams can be found at Vehicle Locations. Locations

Connector Views: Diagrams of the connectors referred to within these diagrams can be found at Connector Views by Connector Number. Connector Views By Connector Number