Curiosii for ever!: Car repair manuals for everyone.

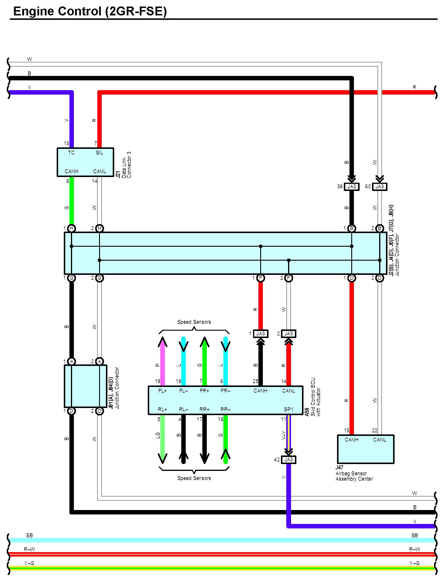
Engine Control Part 13

Engine Control Part 13:












Next Diagram Engine Control Part 14

Previous Diagram Engine Control Part 12


Locations: The locations of components, connectors, ground points, and splices referred to within these diagrams can be found at Vehicle Locations. Locations

Connector Views: Diagrams of the connectors referred to within these diagrams can be found at Connector Views by Connector Number. Connector Views By Connector Number