Curiosii for ever!
: Car repair manuals for everyone.
Home
>>
Lexus
>>
2011
>>
IS 250C V6-2.5L (4GR-FSE)
>>
Repair and Diagnosis
>>
Powertrain Management
>>
Emission Control Systems
>>
Description and Operation
Emission Control Systems: Description and Operation
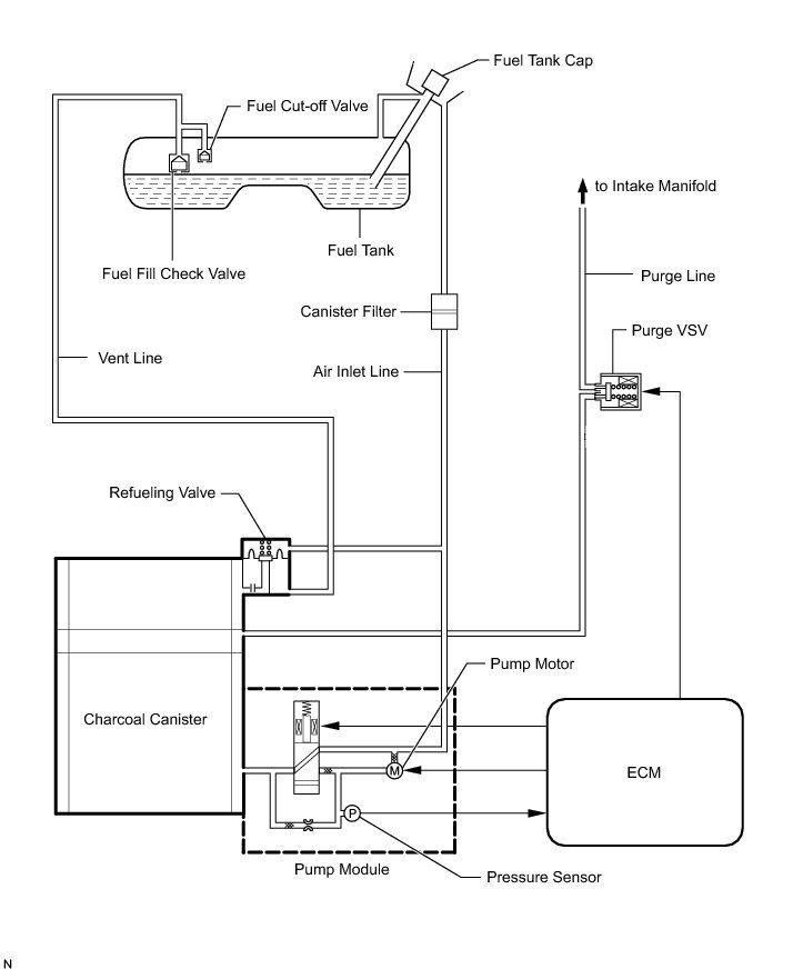
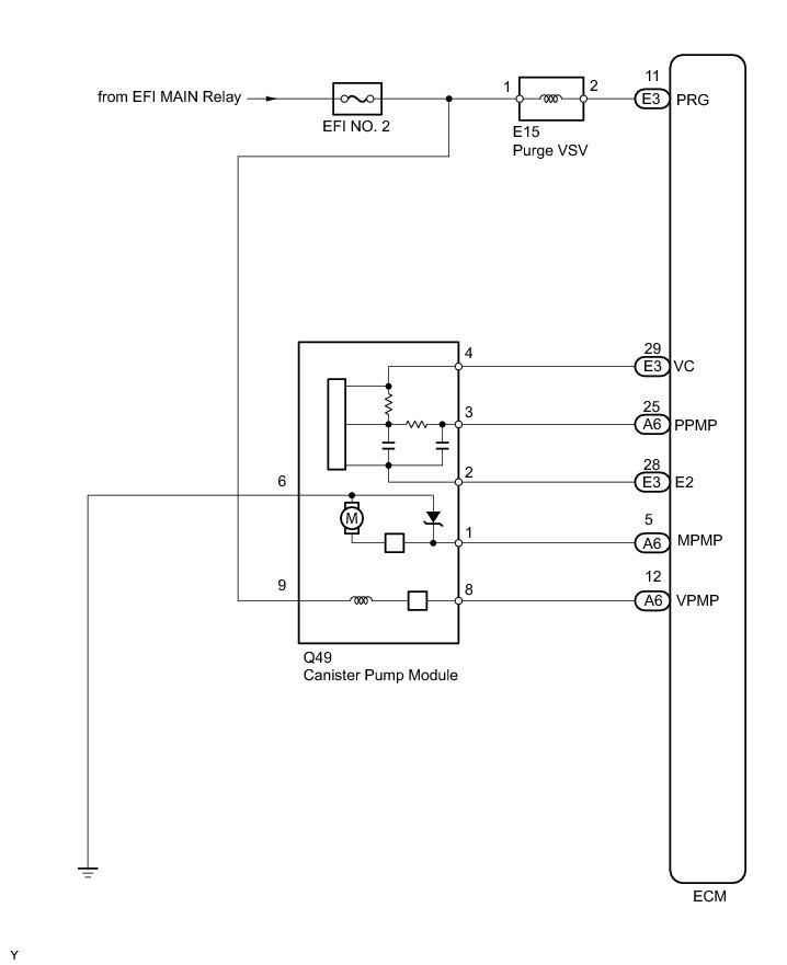
4GR-FSE EMISSION CONTROL: EMISSION CONTROL SYSTEM: SYSTEM DIAGRAM
1.
EVAP
CONTROL SYSTEM DIAGRAM
2.
EVAP SYSTEM WIRING DIAGRAM