Curiosii for ever!: Car repair manuals for everyone.

Cranking Holding Function Circuit





4GR-FSE ENGINE CONTROL: SFI SYSTEM: Cranking Holding Function Circuit
- Cranking Holding Function Circuit

DESCRIPTION

The cranking holding control system provides current to the starter when the ECM detects the engine switch's start signal (STSW). When the ECM performs a firing judgment, the system cuts current to the starter. When the ECM receives the STSW signal, the ACC (Accessory) relay is turned off to prevent flickering of the combination meter, clock and audio system. Also the STAR output signal travels through the ST CUT relay and the park/neutral position switch or clutch pedal switch to the STARTER relay, causing the starter to activate.

When the engine is cranking, the starter operation signal is received by the STA terminal of the ECM.





WIRING DIAGRAM

Refer to DTC P0617 P0617.

INSPECTION PROCEDURE

NOTICE:
Inspect the fuses for circuits related to this system before performing the following inspection procedure.

PROCEDURE

1. READ VALUE USING TECHSTREAM (STA SIGNAL)

(a) Connect the Techstream to the DLC3.

(b) Turn the engine switch on (IG) and turn the Techstream on.

(c) Enter the following menus: Powertrain / Engine / Data List / All Data / Starter Signal.

(d) Check the result when the engine switch is turned on (IG) and the engine is started.

Standard:





NG -- INSPECT ECM (STAR AND STSW VOLTAGE)
OK -- Continue to next step.

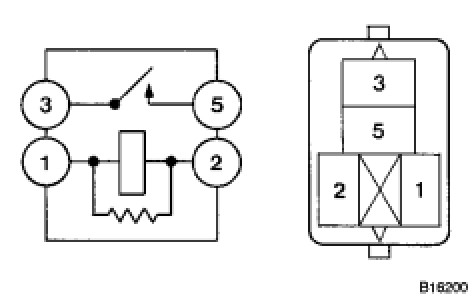
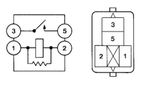
2. INSPECT STARTER RELAY

(a) Remove the STARTER relay from the engine room relay block No. 1.





(b) Measure the resistance according to the value(s) in the table below.

Standard Resistance:





(c) Reinstall the STARTER relay.

NG -- REPLACE STARTER RELAY
OK -- Continue to next step.

3. CHECK HARNESS AND CONNECTOR (STARTER RELAY - BODY GROUND)

(a) Remove the STARTER relay from the engine room relay block No. 1.

(b) Measure the resistance according to the value(s) in the table below.

Standard Resistance (Check for Open):





(c) Reinstall the STARTER relay.

Result:





C -- REPAIR OR REPLACE HARNESS OR CONNECTOR

B -- CHECK HARNESS AND CONNECTOR (CLUTCH PEDAL SWITCH - STARTER RELAY)
A -- Continue to next step.

4. CHECK HARNESS AND CONNECTOR (PARK/NEUTRAL POSITION SWITCH - STARTER RELAY)

(a) Disconnect the park/neutral position switch connector.

(b) Remove the STARTER relay from the engine room relay block No. 1.

(c) Measure the resistance according to the value(s) in the table below.

Standard Resistance (Check for Open):





Standard Resistance (Check for Short):





(d) Reconnect the park/neutral position switch connector.

(e) Reinstall the STARTER relay.

Result:





B -- INSPECT ENGINE ROOM RELAY BLOCK NO. 1 (STARTER RELAY VOLTAGE)

A -- REPAIR OR REPLACE HARNESS OR CONNECTOR

5. CHECK HARNESS AND CONNECTOR (CLUTCH PEDAL SWITCH - STARTER RELAY)

(a) Disconnect the clutch pedal switch connector.

(b) Remove the STARTER relay from the engine room relay block No. 1.

(c) Measure the resistance according to the value(s) in the table below.

Standard Resistance (Check for Open):





Standard Resistance (Check for Short):





(d) Reconnect the clutch pedal switch connector.

(e) Reinstall the relay.

NG -- REPAIR OR REPLACE HARNESS OR CONNECTOR
OK -- Continue to next step.

6. INSPECT ENGINE ROOM RELAY BLOCK NO. 1 (STARTER RELAY VOLTAGE)

(a) Remove the STARTER relay from the engine room relay block No. 1.





(b) Measure the voltage according to the value(s) in the table below.

Standard Voltage:





Text in Illustration





(c) Reinstall the STARTER relay.

NG -- REPAIR OR REPLACE HARNESS OR CONNECTOR (STARTER RELAY - BATTERY)
OK -- Continue to next step.

7. INSPECT STARTER ASSEMBLY

(a) Inspect the starter assembly Testing and Inspection.

NG -- REPLACE STARTER ASSEMBLY Removal
OK -- Continue to next step.

8. CHECK HARNESS AND CONNECTOR (STARTER RELAY - STARTER ASSEMBLY)

(a) Remove the STARTER relay from the engine room relay block No. 1.

(b) Disconnect the starter connector.

(c) Measure the resistance according to the value(s) in the table below.

Standard Resistance (Check for Open):





Standard Resistance (Check for Short):





(d) Reinstall the STARTER relay.

(e) Reconnect the starter connector.

NG -- REPAIR OR REPLACE HARNESS OR CONNECTOR

OK -- REPAIR OR REPLACE HARNESS OR CONNECTOR (STARTER ASSEMBLY - BATTERY)

9. INSPECT ECM (STAR AND STSW VOLTAGE)

(a) Measure the voltage according to the value(s) in the table below while cranking the engine.





Standard Voltage:





Text in Illustration





Result:





C -- CHECK HARNESS AND CONNECTOR (POWER SOURCE CONTROL ECU - ECM)

B -- REPLACE ECM Removal
A -- Continue to next step.

10. INSPECT ST CUT RELAY

(a) Remove the ST CUT relay from the engine room relay block No. 2.





(b) Measure the resistance according to the value(s) in the table below.

Standard Resistance:





(c) Reinstall the ST CUT relay.

Result:





C -- REPLACE ST CUT RELAY

B -- INSPECT CLUTCH PEDAL SWITCH
A -- Continue to next step.

11. INSPECT PARK/NEUTRAL POSITION SWITCH ASSEMBLY

(a) Inspect the park/neutral position switch Inspection.

NG -- REPLACE PARK/NEUTRAL POSITION SWITCH ASSEMBLY Removal
OK -- Continue to next step.

12. CHECK HARNESS AND CONNECTOR (ST CUT RELAY POWER SOURCE)

(a) Remove the ST CUT relay from the engine room relay block No. 2.

(b) Turn the engine switch on (IG).

(c) Measure the voltage according to the value(s) in the table below.

Standard Voltage:





(d) Reinstall the ST CUT relay.

NG -- CHECK HARNESS AND CONNECTOR (ST CUT RELAY - POWER SOURCE CONTROL ECU)
OK -- Continue to next step.

13. CHECK HARNESS AND CONNECTOR (ST CUT RELAY - BODY GROUND)

(a) Remove the ST CUT relay from the engine room relay block No. 2.

(b) Measure the resistance according to the value(s) in the table below.

Standard Resistance (Check for Open):





(c) Reinstall the ST CUT relay.

NG -- REPAIR OR REPLACE HARNESS OR CONNECTOR
OK -- Continue to next step.

14. CHECK HARNESS AND CONNECTOR (ECM - ST CUT RELAY - POWER SOURCE CONTROL ECU)

(a) Disconnect the ECM connector.

(b) Remove the ST CUT relay from the engine room relay block No. 2.

(c) Disconnect the power source control ECU connector.

(d) Measure the resistance according to the value(s) in the table below.

Standard Resistance (Check for Open):





Standard Resistance (Check for Short):





(e) Reinstall the ST CUT relay.

(f) Reconnect the ECM connector.

(g) Reconnect the power source control ECU connector.

NG -- REPAIR OR REPLACE HARNESS OR CONNECTOR
OK -- Continue to next step.

15. CHECK HARNESS AND CONNECTOR (PNP SWITCH - ST CUT RELAY - POWER SOURCE CONTROL ECU)

(a) Disconnect the park/neutral position switch connector.

(b) Remove the ST CUT relay from the engine room relay block No. 2.

(c) Disconnect the power source control ECU connector.

(d) Measure the resistance according to the value(s) in the table below.

Standard Resistance (Check for Open):





Standard Resistance (Check for Short):





(e) Reconnect the park/neutral position switch connector.

(f) Reinstall the ST CUT relay.

(g) Reconnect the power source control ECU connector.

NG -- REPAIR OR REPLACE HARNESS OR CONNECTOR

OK -- REPAIR OR REPLACE HARNESS OR CONNECTOR (PARK/NEUTRAL POSITION SWITCH - ECM)

16. INSPECT CLUTCH PEDAL SWITCH

(a) Inspect the clutch pedal switch Testing and Inspection.

NG -- REPLACE CLUTCH PEDAL SWITCH Removal
OK -- Continue to next step.

17. CHECK HARNESS AND CONNECTOR (ST CUT RELAY POWER SOURCE)

(a) Remove the ST CUT relay from the engine room relay block No. 2.

(b) Turn the engine switch on (IG).

(c) Measure the voltage according to the value(s) in the table below.

Standard Voltage:





(d) Reinstall the ST CUT relay.

NG -- CHECK HARNESS AND CONNECTOR (ST CUT RELAY - POWER SOURCE CONTROL ECU)
OK -- Continue to next step.

18. CHECK HARNESS AND CONNECTOR (ST CUT RELAY - BODY GROUND)

(a) Remove the ST CUT relay from the engine room relay block No. 2.

(b) Measure the resistance according to the value(s) in the table below.

Standard Resistance (Check for Open):





(c) Reinstall the ST CUT relay.

NG -- REPAIR OR REPLACE HARNESS OR CONNECTOR
OK -- Continue to next step.

19. CHECK HARNESS AND CONNECTOR (ECM - ST CUT RELAY - POWER SOURCE CONTROL ECU)

(a) Disconnect the ECM connector.

(b) Remove the ST CUT relay from the engine room relay block No. 2.

(c) Disconnect the power source control ECU connector.

(d) Measure the resistance according to the value(s) in the table below.

Standard Resistance (Check for Open):





Standard Resistance (Check for Short):





(e) Reinstall the ST CUT relay.

(f) Reconnect the ECM connector.

(g) Reconnect the power source control ECU connector.

NG -- REPAIR OR REPLACE HARNESS OR CONNECTOR
OK -- Continue to next step.

20. CHECK HARNESS AND CONNECTOR (CLUTCH SWITCH - ST CUT RELAY - POWER SOURCE CONTROL ECU)

(a) Disconnect the clutch pedal switch connector.

(b) Remove the ST CUT relay from the engine room relay block No. 2.

(c) Disconnect the power source control ECU connector.

(d) Measure the resistance according to the value(s) in the table below.

Standard Resistance (Check for Open):





Standard Resistance (Check for Short):





(e) Reconnect the clutch pedal switch connector.

(f) Reinstall the relay.

(g) Reconnect the power source control ECU connector.

MG -- REPAIR OR REPLACE HARNESS OR CONNECTOR

OK -- REPAIR OR REPLACE HARNESS OR CONNECTOR (CLUTCH PEDAL SWITCH - ECM)

21. CHECK HARNESS AND CONNECTOR (ST CUT RELAY - POWER SOURCE CONTROL ECU)

(a) Remove the ST CUT relay from the engine room relay block No. 2.

(b) Disconnect the power source control ECU connector.

(c) Measure the resistance according to the value(s) in the table below.

Standard Resistance (Check for Open):





Standard Resistance (Check for Short):





(d) Reinstall the ST CUT relay.

(e) Reconnect the power source control ECU connector.

NG -- REPAIR OR REPLACE HARNESS OR CONNECTOR

OK -- GO TO SMART ACCESS SYSTEM WITH PUSH-BUTTON START On-Vehicle Inspection

22. CHECK HARNESS AND CONNECTOR (POWER SOURCE CONTROL ECU - ECM)

(a) Disconnect the power source control ECU connector.

(b) Disconnect the ECM connector.

(c) Measure the resistance according to the value(s) in the table below.

Standard Resistance (Check for Open):





Standard Resistance (Check for Short):





(d) Reconnect the ECM connector.

(e) Reconnect the power source control ECU connector.

NG -- REPAIR OR REPLACE HARNESS OR CONNECTOR

OK -- GO TO SMART ACCESS SYSTEM WITH PUSH-BUTTON START On-Vehicle Inspection