Curiosii for ever!: Car repair manuals for everyone.

Relay





4GR-FSE ENGINE CONTROL: RELAY: ON-VEHICLE INSPECTION

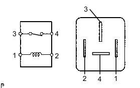
1. INSPECT FUEL PUMP RELAY (Marking: F/PMP)





(a) Remove the No. 2 relay block cover.

(b) Remove the fuel pump from the engine room No. 2 junction block.

(c) Measure the fuel pump relay resistance.

Standard Resistance:





(d) Reinstall the fuel pump relay to the engine room No. 2 relay block.

(e) Reinstall the No. 2 junction block cover.