Curiosii for ever!: Car repair manuals for everyone.

Component Tests and General Diagnostics





4GR-FSE ENGINE CONTROL: SFI SYSTEM: ECM Power Source Circuit
- ECM Power Source Circuit

DESCRIPTION

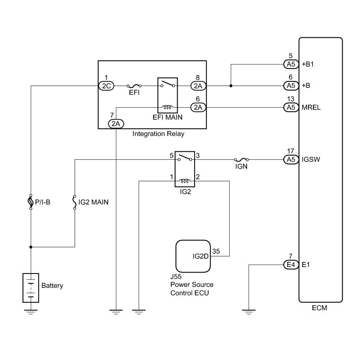
When the engine switch is turned on (IG), battery voltage is applied to terminal IGSW of the ECM. The ECM MREL output signal causes current to flow to the coil, closing the contacts of the integration relay (EFI MAIN relay) and supplying power to terminal +B and +B1 of the ECM.

WIRING DIAGRAM





INSPECTION PROCEDURE

NOTICE:
Inspect the fuses for circuits related to this system before performing the following inspection procedure.

PROCEDURE

1. INSPECT ECM (+B, +B1 VOLTAGE)

(a) Turn the engine switch on (IG).





(b) Measure the voltage according to the value(s) in the table below.

Standard Voltage:





Text in Illustration





NG -- CHECK HARNESS AND CONNECTOR (ECM - BODY GROUND)

OK -- PROCEED TO NEXT SUSPECTED AREA SHOWN IN PROBLEM SYMPTOMS TABLE Symptom Related Diagnostic Procedures

2. CHECK HARNESS AND CONNECTOR (ECM - BODY GROUND)

(a) Disconnect the ECM connector.

(b) Measure the resistance according to the value(s) in the table below.

Standard Resistance (Check for Open):





(c) Reconnect the ECM connector.

NG -- REPAIR OR REPLACE HARNESS OR CONNECTOR
OK -- Continue to next step.

3. INSPECT ECM (IGSW VOLTAGE)

(a) Turn the engine switch on (IG).





(b) Measure the voltage according to the value(s) in the table below.

Standard Voltage:





Text in Illustration





NG -- INSPECT RELAY (IG2 RELAY)
OK -- Continue to next step.

4. INSPECT ECM (MREL VOLTAGE)

(a) Turn the engine switch on (IG).





(b) Measure the voltage according to the value(s) in the table below.

Standard Voltage:





Text in Illustration





NG -- REPLACE ECM Removal
OK -- Continue to next step.

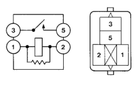
5. INSPECT INTEGRATION RELAY (EFI MAIN RELAY)

(a) Inspect the integration relay Integration Relay.

NG -- REPLACE INTEGRATION RELAY Removal
OK -- Continue to next step.

6. CHECK HARNESS AND CONNECTOR (EFI MAIN RELAY - ECM AND BODY GROUND)

(a) Check the harness and the connectors between the integration relay and the ECM.

(1) Remove the integration relay from the engine room relay block No. 2.

(2) Disconnect the ECM connector.

(3) Measure the resistance according to the value(s) in the table below.

Standard Resistance (Check for Open):





Standard Resistance (Check for Short):





(4) Reconnect the ECM connector.

(b) Check the harness and the connectors between the integration relay and body ground.

(1) Measure the resistance according to the value(s) in the table below.

Standard Resistance (Check for Open):





(2) Reinstall the integration relay.

NG -- REPAIR OR REPLACE HARNESS OR CONNECTOR
OK -- Continue to next step.

7. CHECK HARNESS AND CONNECTOR (EFI MAIN RELAY - ECM)

(a) Remove the integration relay from the engine room relay block No. 2.

(b) Disconnect the ECM connector.

(c) Measure the resistance according to the value(s) in the table below.

Standard Resistance (Check for Open):





Standard Resistance (Check for Short):





(d) Reinstall the integration relay.

(e) Reconnect the ECM connector.

NG -- REPAIR OR REPLACE HARNESS OR CONNECTOR

OK -- REPAIR OR REPLACE HARNESS OR CONNECTOR (BATTERY - INTEGRATION RELAY)

8. INSPECT RELAY (IG2 RELAY)

(a) Remove the IG2 relay from the engine room relay block No. 2.





(b) Measure the resistance according to the value(s) in the table below.

Standard Resistance:





(c) Reinstall the IG2 relay.

NG -- REPLACE RELAY (IG2 RELAY)
OK -- Continue to next step.

9. CHECK HARNESS AND CONNECTOR (ECM - IG2 RELAY)

(a) Remove the IG2 relay from the engine room relay block No. 2.

(b) Disconnect the ECM connector.

(c) Measure the resistance according to the value(s) in the table below.

Standard Resistance (Check for Open):





Standard Resistance (Check for Short):





(d) Reinstall the IG2 relay.

(e) Reconnect the ECM connector.

NG -- REPAIR OR REPLACE HARNESS OR CONNECTOR
OK -- Continue to next step.

10. CHECK HARNESS AND CONNECTOR (IG2 RELAY POWER SOURCE CIRCUIT)

(a) Remove the IG2 relay from the engine room relay block No. 2.

(b) Measure the voltage according to the value(s) in the table below.

Standard Voltage:





(c) Reinstall the IG2 relay.

NG -- REPAIR OR REPLACE HARNESS OR CONNECTOR (IG2 RELAY - BATTERY)

OK -- GO TO SMART ACCESS SYSTEM WITH PUSH-BUTTON START Problem Symptoms Table