Curiosii for ever!: Car repair manuals for everyone.

Emergency Contact Module

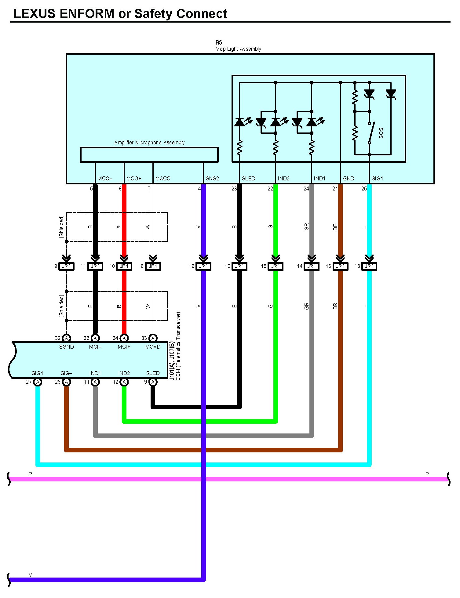
Lexus Enform Or Safety Connect Part 1:




Lexus Enform Or Safety Connect Part 2:




Lexus Enform Or Safety Connect Part 3:




Lexus Enform Or Safety Connect Part 4:









Locations: The locations of components, connectors, ground points, and splices referred to within these diagrams can be found at Vehicle Locations. Locations

Connector Views: Diagrams of the connectors referred to within these diagrams can be found at Connector Views by Connector Number. Connector Views By Connector Number